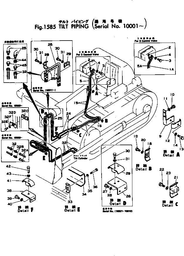
Запчасти Komatsu D80A-12 НАКЛОН. ТРУБЫ РАБОЧЕЕ ОБОРУДОВАНИЕ И ITS СИСТЕМА УПРАВЛЕНИЯ

Схема запчастей Komatsu D80A-12 - НАКЛОН. ТРУБЫ РАБОЧЕЕ ОБОРУДОВАНИЕ И ITS СИСТЕМА УПРАВЛЕНИЯ
FIT
1:1
100%

Артикул

Название

Примечание

Количество

1

154-81-19122

TUBE

SN: 15889-UP

1шт.

1

154-81-19121

TUBE

SN: 14660-15888

1шт.

1

154-81-19120

TUBE

SN: 10001-14659

1шт.

1A

154-81-18122

TUBE

SN: 15889-UP

1шт.

1A

154-81-18121

TUBE

SN: 14660-15888

1шт.

1A

154-81-18120

TUBE

SN: 10001-14659

1шт.

2

07000-13042

O-RING (KIT)

SN: 10001-UP

2шт.

3

01010-31450

BOLT

SN: 14660-UP

4шт.

3

01040-31450

BOLT

SN: 10001-14659

4шт.

4

01602-01442

WASHER

SN: 10001-UP

4шт.

5

154-81-19142

TUBE

SN: 15889-UP

1шт.

5

154-81-19141

TUBE

SN: 14660-15888

1шт.

5

154-81-19140

TUBE

SN: 10001-14659

1шт.

5A

154-81-18162

TUBE

SN: 15889-UP

1шт.

5A

154-81-18161

TUBE

SN: 14660-15888

1шт.

5A

154-81-18160

TUBE

SN: 10001-14659

1шт.

9

154-81-18180

BRACKET

SN: 10001-UP

1шт.

10

01010-31025

BOLT

SN: 10001-UP

2шт.

11

01602-01030

WASHER

SN: 10001-UP

2шт.

12

154-81-18190

CLAMP

SN: 10001-UP

1шт.

13

01010-31045

BOLT

SN: 10001-UP

1шт.

14

01602-01030

WASHER

SN: 10001-UP

1шт.

15

07109-20514

HOSE

SN: 14660-UP

2шт.

15

07109-00514

HOSE

SN: 10001-14659

2шт.

16

154-81-18321

TUBE

SN: 14660-UP

1шт.

16

154-81-18320

TUBE

SN: 10001-14659

1шт.

17

154-81-18341

TUBE

SN: 14660-UP

1шт.

17

154-81-18340

TUBE

SN: 10001-14659

1шт.

18

154-81-18190

CLAMP

SN: 10001-UP

1шт.

19

01010-31045

BOLT

SN: 10001-UP

1шт.

20

01602-01030

WASHER

SN: 10001-UP

1шт.

21

154-81-18360

CLAMP

SN: 10001-UP

1шт.

22

01010-31045

BOLT

SN: 10001-UP

2шт.

23

01602-01030

WASHER

SN: 10001-UP

2шт.

24

07109-20514

HOSE

SN: 14660-UP

2шт.

24

07109-00514

HOSE

SN: 10001-14659

2шт.

25

154-81-18382

TUBE

SN: 14660-UP

1шт.

25

154-81-18381

TUBE

SN: 10011-14659

1шт.

25

154-81-18380

TUBE

SN: 10001-10010

2шт.

25A

154-81-18371

TUBE

SN: 14660-UP

1шт.

25A

154-81-18370

TUBE

SN: 10011-14659

1шт.

26

154-81-18390

BRACKET

SN: 10001-10010

1шт.

27

01010-31230

BOLT

SN: 10001-10010

2шт.

28

01602-01236

WASHER

SN: 10001-10010

2шт.

29

154-81-18360

CLAMP

SN: 10011-UP

2шт.

29

154-81-18360

CLAMP

SN: 10001-10010

1шт.

30

01010-31045

BOLT

SN: 10011-UP

4шт.

30

01010-31045

BOLT

SN: 10001-10010

2шт.

31

01602-01030

WASHER

SN: 10011-UP

4шт.

31

01602-01030

WASHER

SN: 10001-10010

2шт.

32

07113-00523

HOSE

SN: 15889-UP

2шт.

32

07109-20534

HOSE

SN: 14660-15888

2шт.

32

07109-00534

HOSE

SN: 10001-14659

2шт.

32A

07113-00510

HOSE

SN: 15889-UP

2шт.

32B

175-914-2310

NIPPLE

SN: 15889-UP

2шт.

32C

170-901-8280

CLIP

SN: 15889-UP

2шт.

32D

170-901-8290

CLIP

SN: 15889-UP

2шт.

32E

01010-31050

BOLT

SN: 15889-UP

2шт.

32F

01602-01030

WASHER

SN: 15889-UP

2шт.

33

154-81-18521

CLAMP

SN: 10053-UP

2шт.

33

154-81-18520

CLAMP

SN: 10001-10052

2шт.

34

154-81-18541

COVER

SN: 10053-UP

1шт.

34

154-81-18540

COVER

SN: 10001-10052

1шт.

35

01010-31050

BOLT

SN: 10001-UP

2шт.

36

01602-01030

WASHER

SN: 10001-UP

2шт.

38

154-81-18550

BRACKET

SN: 10001-UP

1шт.

39

01010-31020

BOLT

SN: 10001-UP

2шт.

40

01602-01030

WASHER

SN: 10001-UP

2шт.

41

150-81-13630

CLAMP

SN: 10001-UP

1шт.

42

01010-31020

BOLT

SN: 10001-UP

1шт.

43

01602-01030

WASHER

SN: 10001-UP

1шт.

44

195-901-2280

NUT

SN: 10001-UP

2шт.

45

175-914-2180

PLUG

SN: 10001-UP

2шт.

Выбрано товаров: 73