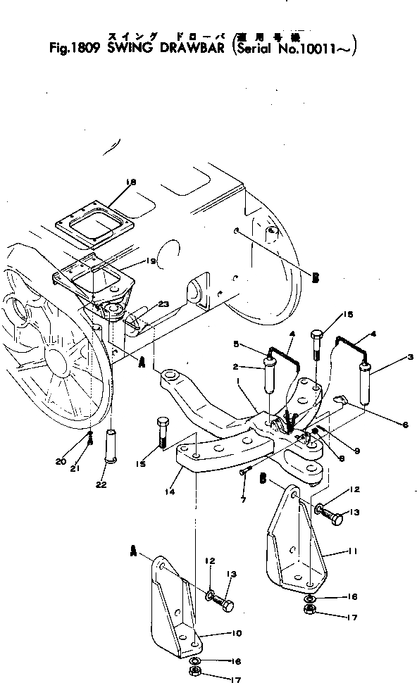
Запчасти Komatsu D80A-12 ПОВОРОТН. СЦЕПНОЕ УСТРОЙСТВО(№-) ОПЦИОННЫЕ КОМПОНЕНТЫ

Схема запчастей Komatsu D80A-12 - ПОВОРОТН. СЦЕПНОЕ УСТРОЙСТВО(№-) ОПЦИОННЫЕ КОМПОНЕНТЫ
FIT
1:1
100%

Артикул

Название

Примечание

Количество

|$0

154-69-00020

SWING DRAWBAR ASS'Y

SN: 10011-UP

1шт.

1

154-69-11110

DRAWBAR

SN: 10011-UP

1шт.

2

154-69-11180

PIN

SN: 10011-UP

1шт.

3

170-69-11175

PIN

SN: 10011-UP

1шт.

4

09245-04851

CHAIN

SN: 10011-UP

2шт.

5

09245-50060

HOOK (WELDED)

SN: 10011-UP

3шт.

6

150-74-11321

LOCK

SN: 10011-UP

2шт.

7

01052-31260

BOLT

SN: 10011-UP

2шт.

8

01592-01215

NUT

SN: 10011-UP

2шт.

9

04050-03022

PIN

SN: 10011-UP

2шт.

10

154-69-11150

BRACKET,L.H.

SN: 10011-UP

1шт.

11

154-69-11160

BRACKET,R.H.

SN: 10011-UP

1шт.

12

01643-03380

WASHER

SN: 10011-UP

6шт.

13

01010-33385

BOLT

SN: 10011-UP

6шт.

14

154-69-11170

PLATE

SN: 10011-UP

1шт.

15

01011-33350

BOLT

SN: 10011-UP

4шт.

16

01643-03380

WASHER

SN: 10011-UP

4шт.

17

01580-03326

NUT

SN: 10011-UP

4шт.

18

154-69-11191

SEAT (WELDED)

SN: 19700-UP

1шт.

18

154-69-11190

SEAT (WELDED)

SN: 10011-19699

1шт.

19

154-69-11120

BRACKET

SN: 10011-UP

1шт.

20

01643-01845

WASHER

SN: 10011-UP

6шт.

21

01010-31850

BOLT

SN: 14660-UP

6шт.

21

01040-31850

BOLT

SN: 10011-14659

6шт.

22

154-69-11130

PIN

SN: 10011-UP

1шт.

23

154-69-11140

PIN

SN: 10011-UP

1шт.

Выбрано товаров: 26