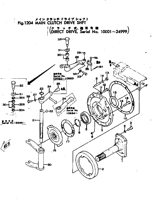
Запчасти Komatsu D80A-12 ОСНОВН. МУФТА ВЕДУЩ. ВАЛ ОСНОВН. МУФТА¤ ГИДРОТРАНСФОРМАТОР И ТРАНСМИССИЯ

Схема запчастей Komatsu D80A-12 - ОСНОВН. МУФТА ВЕДУЩ. ВАЛ ОСНОВН. МУФТА¤ ГИДРОТРАНСФОРМАТОР И ТРАНСМИССИЯ
FIT
1:1
100%

Артикул

Название

Примечание

Количество

1

150-10-11332

SHAFT

SN: 10011-@

1шт.

1

150-10-11331

SHAFT

SN: 10001-10010

1шт.

2

150-11-13621

DRUM

SN: 10011-@

1шт.

2

150-10-11411

DRUM

SN: 10001-10010

1шт.

3

01010-31035

BOLT

SN: 10001-@

4шт.

4

01602-01030

WASHER

SN: 10001-@

4шт.

5

06042-00214

BEARING

SN: 10001-@

1шт.

6

150-10-11360

RING

SN: 10001-UP

1шт.

|$8

150-10-00121

COVER ASS'Y

SN: 10011-UP

1шт.

|$9

150-10-00120

COVER ASS'Y

SN: 10001-10010

1шт.

7

0

COVER

SN: 10011-UP

1шт.

7

0

COVER

SN: 10001-10010

1шт.

8

01140-31030

STUD

SN: 10011-UP

4шт.

8

01140-31030

STUD

SN: 10001-10010

5шт.

9

07043-00617

PLUG

SN: 10001-UP

2шт.

10

150-10-11351

GASKET (KIT)

SN: 10011-UP

1шт.

10

150-10-11350

GASKET (KIT)

SN: 10001-10010

1шт.

11

01010-31055

BOLT

SN: 10011-UP

4шт.

12

01602-01030

WASHER

SN: 10011-UP

4шт.

13

01582-01008

NUT

SN: 10011-UP

4шт.

13

01582-01008

NUT

SN: 10001-10010

5шт.

14

01602-01030

WASHER

SN: 10011-UP

4шт.

14

01602-01030

WASHER

SN: 10001-10010

5шт.

15

07012-10085

SEAL (KIT)

SN: 10001-UP

1шт.

16

150-10-11372

RETAINER

SN: 10011-UP

1шт.

16

150-10-11371

RETAINER

SN: 10001-10010

1шт.

17

150-10-11382

GASKET (KIT)

SN: 10011-UP

1шт.

17

150-10-11381

GASKET (KIT)

SN: 10001-10010

1шт.

18

01010-31055

BOLT

SN: 10001-UP

5шт.

19

01602-01030

WASHER

SN: 10001-UP

5шт.

20

150-10-11420

YOKE

SN: 10001-UP

1шт.

21

150-11-12420

SHAFT

SN: 4001-UP

1шт.

22

04010-00732

KEY

SN: 2583-UP

1шт.

23

130-09-16420

RING

SN: 6421-UP

1шт.

24

170-10-16263

LEVER

SN: 10694-UP

1шт.

24

170-10-16262

LEVER

SN: 2583-10693

1шт.

25

170-10-16272

BALL

SN: 2583-10693

1шт.

26

01010-31650

BOLT

SN: 14660-UP

1шт.

26

01040-31650

BOLT

SN: 2583-14659

1шт.

27

01602-01648

WASHER

SN: 2583-UP

1шт.

|$40

150-10-00157

BOOSTER LEVER ASS'Y

SN: 15596-UP

1шт.

|$41

150-10-00154

BOOSTER LEVER ASS'Y

SN: 4001-15595

1шт.

28

0

LEVER

SN: 15596-UP

1шт.

28

0

LEVER

SN: 4001-15595

1шт.

29

170-10-18111

BUSHING

SN: 2583-UP

1шт.

30

150-10-11710

BEARING

SN: 15596-UP

2шт.

30

150-11-13322

BEARING

SN: 6001-15595

2шт.

30A

150-10-11720

SEAL

SN: 15596-UP

2шт.

30B

150-10-11730

SPACER

SN: 15596-UP

1шт.

31

170-10-18150

LOCK

SN: 2583-UP

1шт.

32

150-10-11593

PIN

SN: 15596-UP

1шт.

32

150-10-11592

PIN

SN: 14660-15595

1шт.

32

150-10-11590

PIN

SN: 10001-14659

1шт.

33

170-10-18161

BOLT

SN: 14660-UP

1шт.

33

170-10-18160

BOLT

SN: 2583-14659

1шт.

34

01580-00806

NUT

SN: 14660-UP

1шт.

34

01501-30805

NUT

SN: 2583-14659

1шт.

35

170-10-15380

LINK

SN: 2583-UP

2шт.

36

04205-01232

PIN

SN: 10859-UP

2шт.

36

04205-01230

PIN

SN: 10388-10858

2шт.

36

0

PIN

SN: 2583-10387

2шт.

37

04050-03020

PIN

SN: 2583-UP

2шт.

Выбрано товаров: 62