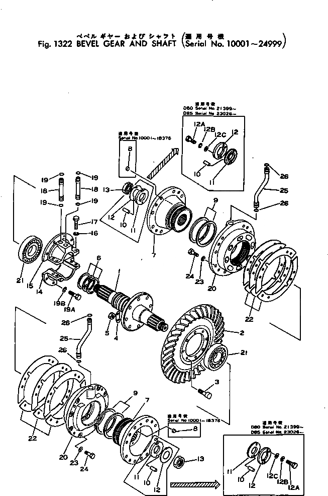
Запчасти Komatsu D80A-12 КОНИЧЕСКАЯ ПЕРЕДАЧА С ВАЛОМ КОНЕЧНАЯ ПЕРЕДАЧА И СИСТЕМАУПРАВЛЕНИЯ ПОВОРОТОМ

Схема запчастей Komatsu D80A-12 - КОНИЧЕСКАЯ ПЕРЕДАЧА С ВАЛОМ КОНЕЧНАЯ ПЕРЕДАЧА И СИСТЕМАУПРАВЛЕНИЯ ПОВОРОТОМ
FIT
1:1
100%

Артикул

Название

Примечание

Количество

1

154-21-12110

SHAFT

SN: 10001-24999

1шт.

2

154-21-22120

GEAR

SN: 10000-10000

1шт.

2

154-21-12121

GEAR

SN: 10046-@

1шт.

2

0

GEAR

SN: 10001-10045

1шт.

|$$5

(154-21-12121,150-15-12611)

-1шт.

2

154-21-22120

GEAR,(FOR F3-R3 TRANSMISSION)

SN: 10000-10000

1шт.

3

150-21-12130

BOLT

SN: 10001-@

8шт.

4

150-21-32140

WASHER

SN: 4001-@

4шт.

5

01582-01815

NUT

SN: 14660-@

8шт.

5

01500-31816

NUT

SN: 6001-14659

8шт.

6

154-21-12332

RING

SN: 10001-24999

3шт.

|$11

154-21-00122

HUB ASS'Y

SN: 10585-18376

2шт.

|$12

154-21-00121

HUB ASS'Y

SN: 10347-10584

2шт.

|$13

154-21-00120

HUB ASS'Y

SN: 10001-10346

2шт.

7

154-21-12233

HUB

SN: 18377-24999

1шт.

7

154-21-12232

HUB

SN: 10588-18376

1шт.

7

0

HUB

SN: 10347-10587

1шт.

7

0

HUB

SN: 10001-10346

2шт.

8

07043-00312

PLUG

SN: 10001-18376

1шт.

9

154-21-12242

RING

SN: 10001-24999

4шт.

10

04020-00820

PIN

SN: 10001-24999

2шт.

11

154-21-12280

PLATE

SN: 21399-24999

2шт.

11

154-21-12260

COLLER

SN: 10001-21398

2шт.

12

154-21-12290

LOCK

SN: 21399-24999

2шт.

12

154-21-12270

WASHER

SN: 10001-21398

2шт.

12A

01010-31025

BOLT

SN: 21399-24999

2шт.

12B

01602-01030

WASHER

SN: 21399-24999

2шт.

12C

01643-31032

WASHER

SN: 21399-24999

2шт.

13

130-21-12363

NUT

SN: 10001-24999

2шт.

13

154-21-00070

FLANGE ASS'Y

SN: 10001-24999

1шт.

14

0

FLANGE

SN: 10001-24999

1шт.

15

0

FLANGE

SN: 10001-24999

1шт.

16

01602-01236

WASHER

SN: 10001-24999

4шт.

17

01010-31230

BOLT

SN: 10001-24999

4шт.

18

154-21-12341

TUBE

SN: 19124-24999

2шт.

18

154-21-12340

TUBE

SN: 10001-19123

2шт.

19

07000-03022

O-RING (KIT)

SN: 10001-UP

4шт.

19A

01010-31230

BOLT

SN: 10001-UP

8шт.

19B

01602-01236

WASHER

SN: 10001-UP

8шт.

20

154-21-12161

CAGE,L.H.

SN: 10011-UP

1шт.

20

0

CAGE,L.H.

SN: 10001-10010

1шт.

20

154-21-12171

CAGE,R.H.

SN: 10011-UP

1шт.

20

0

CAGE,R.H.

SN: 10001-10010

1шт.

21

150-21-12150

BEARING

SN: 4154-UP

2шт.

22

154-21-00011

SHIM ASS'Y

SN: 10251-UP

2шт.

22

0

SHIM ASS'Y

SN: 10001-10250

2шт.

22

0

SHIM, 0.1MM

SN: 10251-UP

4шт.

22

0

SHIM, 0.1MM

SN: 10251-UP

4шт.

22

0

SHIM, 0.25MM

SN: 10251-UP

4шт.

22

0

SHIM, 0.25MM

SN: 10251-UP

4шт.

22

0

SHIM, 0.5MM

SN: 10251-UP

4шт.

22

0

SHIM, 0.5MM

SN: 10251-UP

4шт.

22

0

SHIM, 0.1MM

SN: 10001-10250

4шт.

22

0

SHIM, 0.2MM

SN: 10001-10250

4шт.

22

0

SHIM, 0.5MM

SN: 10001-10250

4шт.

23

01602-01442

WASHER

SN: 10001-UP

16шт.

24

01010-31440

BOLT

SN: 14660-UP

16шт.

24

01040-31440

BOLT

SN: 10001-14659

16шт.

25

154-21-12221

TUBE

SN: 19124-UP

2шт.

25

0

TUBE

SN: 10001-19123

2шт.

26

07000-03022

O-RING (KIT)

SN: 10001-UP

4шт.

Выбрано товаров: 61