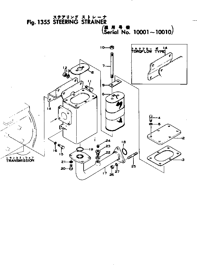
Запчасти Komatsu D80A-12 ФИЛЬТР РУЛЕВ. УПРАВЛ-Я(№-) КОНЕЧНАЯ ПЕРЕДАЧА И СИСТЕМАУПРАВЛЕНИЯ ПОВОРОТОМ

Схема запчастей Komatsu D80A-12 - ФИЛЬТР РУЛЕВ. УПРАВЛ-Я(№-) КОНЕЧНАЯ ПЕРЕДАЧА И СИСТЕМАУПРАВЛЕНИЯ ПОВОРОТОМ
FIT
1:1
100%

Артикул

Название

Примечание

Количество

|$0

150-19-00100

STRAINER ASS'Y

SN: 10001-10010

1шт.

|$1

154-19-00100

STRAINER ASS'Y

SN: 10000-10000

1шт.

|$2

154-19-00030

STRAINER ASS'Y

SN: 10001-10010

1шт.

1

154-19-11110

CASE

SN: 10001-10010

1шт.

2

154-19-11120

COVER

SN: 10001-10010

1шт.

3

154-19-11130

GASKET (KIT)

SN: 10001-10010

1шт.

4

01040-41020

BOLT

SN: 10001-10010

6шт.

5

01602-11030

WASHER

SN: 10001-10010

6шт.

6

154-19-11140

SCREEN

SN: 10001-10010

1шт.

7

154-19-11150

BOLT

SN: 10001-10010

2шт.

8

154-19-11160

GASKET (KIT)

SN: 10001-10010

1шт.

9

154-19-11170

WASHER

SN: 10001-10010

1шт.

10

01503-41008

NUT

SN: 10001-10010

2шт.

11

01040-41225

BOLT

SN: 10001-10010

4шт.

12

01503-41210

NUT

SN: 10001-10010

2шт.

13

01602-11236

WASHER

SN: 10001-10010

4шт.

14

150-19-11190

BRACKET

SN: 10001-10010

1шт.

14

154-19-11180

BRACKET

SN: 10000-10000

1шт.

15

01040-41225

BOLT

SN: 10001-10010

2шт.

16

01602-11236

WASHER

SN: 10001-10010

2шт.

17

154-19-18111

TUBE

SN: 10001-@

1шт.

18

07000-03055

O-RING (KIT)

SN: 10001-@

1шт.

19

07000-03058

O-RING (KIT)

SN: 10001-@

1шт.

20

01040-41230

BOLT

SN: 10001-10010

4шт.

21

01602-11236

WASHER

SN: 10001-10010

4шт.

22

154-19-17121

PLUG

SN: 10001-*

1шт.

23

07003-01621

GASKET (KIT)

SN: 10001-*

1шт.

24

07042-00108

PLUG

SN: 10001-*

1шт.

25

01144-41230

STUD

SN: 10001-10010

3шт.

26

01503-41210

NUT

SN: 10001-10010

3шт.

27

01602-11236

WASHER

SN: 10001-10010

3шт.

Выбрано товаров: 31