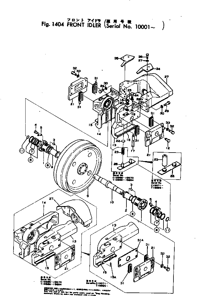
Запчасти Komatsu D80A-12 ПЕРЕДН. ЛЕНИВЕЦ ГУСЕНИЦЫ И ЧАСТИ КОРПУСА

Схема запчастей Komatsu D80A-12 - ПЕРЕДН. ЛЕНИВЕЦ ГУСЕНИЦЫ И ЧАСТИ КОРПУСА
FIT
1:1
100%

Артикул

Название

Примечание

Количество

|$0

154-30-00290

FRONT IDLER ASS'Y

SN: 21448-UP

2шт.

|$1

0

FRONT IDLER ASS'Y

SN: 19571-21447

2шт.

|$2

154-30-00078

FRONT IDLER ASS'Y

SN: 18515-19570

2шт.

|$3

0

FRONT IDLER ASS'Y

SN: 15986-18514

2шт.

|$4

154-30-00073

FRONT IDLER ASS'Y

SN: 14660-15985

2шт.

|$5

0

FRONT IDLER ASS'Y

SN: 10001-14659

2шт.

|$6

0

BUSHING ASS'Y

SN: 10001-UP

2шт.

1

0

BUSHING

SN: 4001-UP

1шт.

2

0

BUSHING

SN: 4001-UP

1шт.

3

170-30-91130

PIN

SN: 4001-UP

2шт.

4

01010-31235

BOLT

SN: 4960-UP

16шт.

5

150-30-12151

PLATE

SN: 1001-UP

8шт.

6

07000-05105

O-RING (KIT)

SN: 4001-UP

1шт.

|$13

154-30-00830

FLOATING SEAL ASS'Y

SN: 21448-UP

2шт.

|$14

0

FLOATING SEAL ASS'Y

SN: 4001-21447

2шт.

7

154-30-00820

SEAL RING ASS'Y

SN: 21448-UP

1шт.

7

0

SEAL RING ASS'Y

SN: 4001-21447

1шт.

7

0

RING

SN: 21448-UP

2шт.

7

0

RING

SN: 4001-21447

2шт.

8

150-30-00370

O-RING ASS'Y

SN: 4001-UP

1шт.

8

0

O-RING

SN: 4001-UP

2шт.

9

150-30-22116

IDLER

SN: 18515-UP

1шт.

9

0

IDLER

SN: 4001-18514

1шт.

10

154-30-11880

SHAFT

SN: 10001-UP

1шт.

11

07000-03058

O-RING (KIT)

SN: 7479-UP

2шт.

12

07052-11624

PLUG

SN: 14660-UP

1шт.

12

07052-01624

PLUG

SN: 10001-14659

1шт.

13

154-30-11982

BRACKET ASS'Y,L.H.

SN: 19571-UP

1шт.

13

154-30-11981

BRACKET ASS'Y,L.H.

SN: 15986-19570

1шт.

13

154-30-11980

BRACKET ASS'Y,L.H.

SN: 10001-15985

1шт.

14

154-30-11972

BRACKET ASS'Y,R.H.

SN: 19571-UP

1шт.

14

154-30-11971

BRACKET ASS'Y,R.H.

SN: 15986-19570

1шт.

14

154-30-11970

BRACKET ASS'Y,R.H.

SN: 10001-15985

1шт.

15

154-30-11963

PLATE (WELDED)

SN: 19571-UP

1шт.

15

170-30-13342

PLATE (WELDED)

SN: 15986-19570

1шт.

15

154-30-11961

PLATE (WELDED)

SN: 10001-15985

1шт.

15A

04020-01228

PIN

SN: 19571-UP

2шт.

17

155-30-13260

BOLT

SN: 19571-UP

2шт.

17

170-30-13331

BOLT

SN: 7743-19570

2шт.

18

175-30-23180

NUT

SN: 19571-UP

2шт.

18

01580-01613

NUT

SN: 14660-19570

2шт.

18

01503-41613

NUT

SN: 4001-14659

2шт.

19

01602-01648

WASHER

SN: 4001-UP

2шт.

20

01640-01626

WASHER

SN: 7479-UP

2шт.

21

154-30-11682

PLATE

SN: 19571-UP

4шт.

21

0

PLATE

SN: 15986-19570

4шт.

21

154-30-11680

PLATE

SN: 10001-15985

4шт.

22

195-30-17960

SEAT

SN: 19571-UP

8шт.

22

150-30-12310

SEAT

SN: 4001-19570

8шт.

23

155-30-13230

SPRING

SN: 19571-UP

8шт.

23

150-30-12321

SPRING

SN: 4001-19570

8шт.

24

145-30-33290

BOLT

SN: 19571-UP

8шт.

24

01010-31625

BOLT

SN: 14660-19570

8шт.

24

01040-31625

BOLT

SN: 7743-14659

8шт.

25

01602-01648

WASHER

SN: 4001-UP

8шт.

26

154-30-11561

GUIDE

SN: 19571-UP

4шт.

26

154-30-11560

GUIDE

SN: 15986-19570

4шт.

26

150-30-12340

GUIDE

SN: 4001-15985

4шт.

27

154-30-11495

YOKE

SN: 19571-UP

2шт.

27

0

YOKE

SN: 15986-19570

2шт.

27

154-30-11493

YOKE

SN: 10588-15985

2шт.

27

0

YOKE

SN: 10001-10587

2шт.

28

04020-01842

PIN

SN: 4001-15985

4шт.

29

01010-32065

BOLT

SN: 15986-24999

16шт.

29

01010-31845

BOLT

SN: 14660-15985

16шт.

29

01040-31845

BOLT

SN: 10001-14659

16шт.

30

01602-02060

WASHER

SN: 15986-24999

16шт.

30

01602-01854

WASHER

SN: 4001-15985

16шт.

31

154-30-11670

SHIM, 0.6MM

SN: 10001-24999

120шт.

31A

154-30-12290

SPACER

SN: 19571-24999

4шт.

32

01010-32060

BOLT

SN: 19571-24999

16шт.

32

01010-32050

BOLT

SN: 14660-19570

16шт.

32

01040-32050

BOLT

SN: 10001-14659

16шт.

33

01602-02060

WASHER

SN: 1001-24999

16шт.

34

154-30-11730

SCRAPER,L.H.

SN: 10001-15985

2шт.

35

154-30-11740

SCRAPER,R.H.

SN: 10001-15985

2шт.

36

01010-32045

BOLT

SN: 14660-15985

8шт.

36

01040-32045

BOLT

SN: 10001-14659

8шт.

37

01602-02060

WASHER

SN: 10001-15985

8шт.

|$$80

FOR SLAG HANDLING

-1шт.

1

154-30-00194

FRONT IDLER ASS'Y

SN: 21448-24999

2шт.

1

0

FRONT IDLER ASS'Y

SN: 19571-21447

2шт.

1

154-30-00192

FRONT IDLER ASS'Y

SN: 15986-19570

2шт.

6

07000-35105

O-RING

SN: 4001-24999

2шт.

7

154-30-00242

FLOATING SEAL ASS'Y

SN: 21448-24999

2шт.

7

0

FLOATING SEAL ASS'Y

SN: 4001-21447

2шт.

7

154-30-00820

SEAL RING ASS'Y

SN: 21448-24999

1шт.

7

0

SEAL RING ASS'Y

SN: 4001-21447

1шт.

7

0

RING

SN: 21448-24999

2шт.

7

0

RING

SN: 4001-21447

2шт.

8

154-830-0030

O-RING ASS'Y

SN: 4001-24999

1шт.

8

0

O-RING

SN: 4001-24999

2шт.

11

07000-33058

O-RING

SN: 7479-24999

2шт.

Выбрано товаров: 93