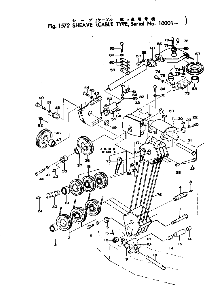
Запчасти Komatsu D80A-12 SHEAVE И КАБЕЛЬ (КАБЕЛЬ ТИП)(№-) РАБОЧЕЕ ОБОРУДОВАНИЕ И ITS СИСТЕМА УПРАВЛЕНИЯ

Схема запчастей Komatsu D80A-12 - SHEAVE И КАБЕЛЬ (КАБЕЛЬ ТИП)(№-) РАБОЧЕЕ ОБОРУДОВАНИЕ И ITS СИСТЕМА УПРАВЛЕНИЯ
FIT
1:1
100%

Артикул

Название

Примечание

Количество

|$0

154-70-00121

SHEAVE ASS'Y

SN: M14660-UP

1шт.

|$1

154-70-00120

SHEAVE ASS'Y

SN: M10001-14659

1шт.

1

154-70-15121

HOUSING

SN: M10001-UP

1шт.

2

150-70-14151

SHEAVE

SN: M7381-UP

3шт.

3

150-70-13290

BEARING

SN: M7381-UP

3шт.

4

154-70-15170

SHAFT

SN: M10001-UP

1шт.

5

170-65-15280

WASHER

SN: M10001-UP

1шт.

6

01010-31230

BOLT

SN: M10001-UP

2шт.

7

01602-01236

WASHER

SN: M7381-UP

2шт.

8

07020-00000

FITTING

SN: M7381-UP

3шт.

9

154-70-15190

HITCH

SN: M10001-UP

1шт.

10

07020-00000

FITTING

SN: M10001-UP

1шт.

11

154-70-15230

BOLT

SN: M10001-UP

1шт.

12

01590-03638

NUT

SN: M14660-UP

1шт.

12

01513-33637

NUT

SN: M10001-14659

1шт.

13

04050-06065

PIN

SN: M10001-UP

1шт.

14

170-70-14170

BUSHING

SN: M10001-UP

1шт.

15

154-70-15220

COLLAR

SN: M10001-UP

2шт.

16

170-70-14190

PIN

SN: M10001-UP

1шт.

|$19

154-70-00132

SHEAVE ASS'Y

SN: M14660-UP

1шт.

|$20

154-70-00131

SHEAVE ASS'Y

SN: M10011-14659

1шт.

|$21

154-70-00130

SHEAVE ASS'Y

SN: M10001-10010

1шт.

17

154-70-15113

HOUSING

SN: M10011-UP

1шт.

17

154-70-15112

HOUSING

SN: M10001-10010

1шт.

18

150-70-14151

SHEAVE

SN: M7381-UP

3шт.

19

150-70-13290

BEARING

SN: M7381-UP

3шт.

20

154-70-15170

SHAFT

SN: M10001-UP

1шт.

21

170-65-15280

WASHER

SN: M10001-UP

1шт.

22

01010-31230

BOLT

SN: M10001-UP

2шт.

23

01602-01236

WASHER

SN: M7381-UP

2шт.

24

07020-00000

FITTING

SN: M7381-UP

3шт.

25

150-70-14571

COLLAR

SN: M7386-10010

6шт.

26

154-70-15210

BOLT

SN: M10001-UP

2шт.

27

01602-01648

WASHER

SN: M7386-UP

2шт.

28

01580-01613

NUT

SN: M14660-UP

2шт.

28

01503-31613

NUT

SN: M2538-14659

2шт.

29

154-70-14513

ARM

SN: M10011-UP

1шт.

29

154-70-14512

ARM

SN: M10001-10010

1шт.

30

04020-01024

PIN

SN: M10001-UP

2шт.

31

170-70-14222

PIN

SN: M10001-UP

1шт.

32

04050-00075

PIN

SN: M10001-UP

1шт.

|$41

154-70-00141

SHEAVE ASS'Y

SN: M10011-UP

1шт.

|$42

154-70-00140

SHEAVE ASS'Y

SN: M10001-10010

1шт.

33

154-70-15131

HOUSING

SN: M10011-UP

1шт.

33

154-70-15130

HOUSING

SN: M10001-10010

1шт.

34

01010-31220

BOLT

SN: M10001-UP

2шт.

35

01602-01236

WASHER

SN: M10001-UP

2шт.

36

150-70-14151

SHEAVE

SN: M7381-UP

1шт.

37

150-70-13290

BEARING

SN: M7381-UP

1шт.

38

154-70-15150

SHAFT

SN: M10001-UP

1шт.

39

170-70-14310

WASHER

SN: M10001-UP

1шт.

40

01010-31290

BOLT

SN: M10001-UP

2шт.

41

01602-01236

WASHER

SN: M7381-UP

2шт.

42

07020-00000

FITTING

SN: M1001-UP

1шт.

|$54

0

SHEAVE ASS'Y

SN: M1466-UP

1шт.

|$55

154-70-00151

SHEAVE ASS'Y

SN: M10011-14659

1шт.

|$56

154-70-00150

SHEAVE ASS'Y

SN: M10001-10010

1шт.

43

154-70-15141

HOUSING

SN: M10011-UP

1шт.

43

154-70-15140

HOUSING

SN: M10001-10010

1шт.

44

01010-31670

BOLT

SN: M14660-UP

4шт.

44

01040-31670

BOLT

SN: M10001-14659

4шт.

45

01602-01648

WASHER

SN: M10001-UP

4шт.

46

150-70-14151

SHEAVE

SN: M7381-UP

1шт.

47

150-70-13290

BEARING

SN: M7381-UP

1шт.

48

154-70-15150

SHAFT

SN: M10001-UP

1шт.

49

170-70-14310

WASHER

SN: M10001-UP

1шт.

50

01010-31290

BOLT

SN: M10001-UP

2шт.

51

01602-01236

WASHER

SN: M7381-UP

2шт.

52

07020-00000

FITTING

SN: M1001-UP

1шт.

53

154-70-15161

GUIDE

SN: M10011-UP

1шт.

53

154-70-15160

GUIDE

SN: M10001-10010

1шт.

54

01010-31230

BOLT

SN: M10001-UP

2шт.

55

01602-01236

WASHER

SN: M1001-UP

2шт.

56

150-70-14724

SUPPORT

SN: M10001-UP

1шт.

57

01010-31230

BOLT

SN: M7381-UP

2шт.

58

01602-01236

WASHER

SN: M1001-UP

2шт.

59

154-70-15250

FLANGE

SN: M10001-UP

1шт.

60

154-70-15260

SHIM, 0.1MM

SN: M10001-UP

3шт.

61

154-70-15240

SUPPORT

SN: M10001-UP

1шт.

62

01010-31265

BOLT

SN: M10001-UP

2шт.

63

01643-01232

WASHER

SN: M10001-UP

2шт.

64

01602-01236

WASHER

SN: M1001-UP

2шт.

65

01580-01210

NUT

SN: M10001-UP

2шт.

|$83

154-70-00182

SHEAVE ASS'Y

SN: M14660-UP

1шт.

|$84

154-70-00180

SHEAVE ASS'Y

SN: M10001-14659

1шт.

66

150-70-14426

HOUSING

SN: M7615-UP

1шт.

67

150-70-14190

SHEAVE

SN: M7381-UP

1шт.

68

150-70-13290

BEARING

SN: M7381-UP

1шт.

69

150-70-13280

FLANGE

SN: M7381-UP

1шт.

70

01010-31235

BOLT

SN: M7381-UP

2шт.

71

01602-01236

WASHER

SN: M7381-UP

2шт.

72

07020-00000

FITTING

SN: M1001-UP

1шт.

73

150-70-24315

SHAFT

SN: M7381-UP

1шт.

74

01010-31435

BOLT

SN: M14660-UP

7шт.

74

01040-31435

BOLT

SN: M2583-14659

7шт.

75

01602-01442

WASHER

SN: M1001-UP

7шт.

76

170-70-14371

CABLE

SN: M10001-UP

1шт.

77

170-70-14251

WEDGE

SN: M10001-UP

1шт.

Выбрано товаров: 98