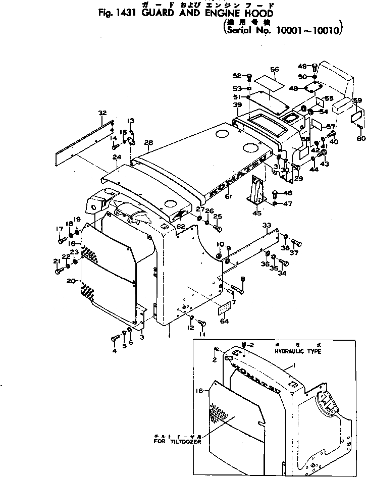
Запчасти Komatsu D80A-12 ЧАСТИ КОРПУСА И КАПОТ(№-) ГУСЕНИЦЫ И ЧАСТИ КОРПУСА

Схема запчастей Komatsu D80A-12 - ЧАСТИ КОРПУСА И КАПОТ(№-) ГУСЕНИЦЫ И ЧАСТИ КОРПУСА
FIT
1:1
100%

Артикул

Название

Примечание

Количество

1

154-54-00200

RADIATOR GUARD

SN: M10001-10010

1шт.

|1

154-54-11113

GUARD

SN: M10001-10010

1шт.

|1

154-70-14512

ARM

SN: M10001-10010

1шт.

|1

04020-01024

PIN

SN: M10001-@

2шт.

|1

154-70-15130

HOUSING

SN: M10001-10010

1шт.

|1

01040-41220

BOLT

SN: M10001-@

2шт.

|1

01602-11236

WASHER

SN: M10001-@

2шт.

|1

154-54-00100

RADIATOR GUARD

SN: H10001-10010

1шт.

|1

154-54-11113

GUARD

SN: H10001-10010

1шт.

|1

154-61-13310

SUPPORT

SN: H10001-@

2шт.

|1

154-61-13321

PLATE

SN: H10001-10010

2шт.

|1

04020-00820

PIN

SN: H10001-@

4шт.

|1

154-61-12810

BRACKET

SN: H10001-@

1шт.

|1

154-61-12820

BRACKET

SN: H10001-@

1шт.

2

07049-01215

PLUG

SN: H10001-10010

2шт.

3

150-54-41240

WINDBREAK

SN: 10001-@

1шт.

|3

154-54-11142

WINDBREAK

SN: 10000-10000

1шт.

|3

150-54-89110

WINDBREAK,(FOR TILT DOZER)

SN: 10001-@

1шт.

|3

154-54-81110

WINDBREAK,(FOR TILT DOZER)

SN: 10000-10000

1шт.

4

01040-41225

BOLT

SN: 10001-@

4шт.

5

01602-11236

WASHER

SN: 10001-@

4шт.

6

01643-01232

WASHER

SN: 10001-@

4шт.

7

154-54-11160

PIN

SN: 10001-@

4шт.

8

154-54-11820

BOLT

SN: 10001-@

10шт.

9

01602-12472

WASHER

SN: 10001-@

10шт.

10

01503-42418

NUT

SN: 10001-@

10шт.

11

154-54-11830

BOLT

SN: 10001-@

6шт.

12

01602-12472

WASHER

SN: 10001-@

6шт.

13

150-54-00065

CATCHER ASS'Y

SN: 6515-@

2шт.

|13

141-54-11130

ROD

SN: 6515-@

1шт.

|13

170-54-11230

SPRING

SN: 6515-@

1шт.

|13

141-54-11120

BRACKET

SN: 6515-@

1шт.

|13

154-54-11150

SLEEVE

SN: 6515-@

1шт.

|13

170-54-11180

LOCK

SN: 6515-@

1шт.

|13

170-54-11190

RIVET

SN: 6515-@

2шт.

14

01040-41025

BOLT

SN: 6515-@

6шт.

15

01602-11030

WASHER

SN: 6515-@

6шт.

16

154-54-11791

MASK

SN: 10001-10010

1шт.

|16

154-54-14342

MASK,(FOR TILT DOZER)

SN: H10001-10010

1шт.

17

01040-41845

BOLT

SN: 10001-10010

4шт.

18

01602-11854

WASHER

SN: 10001-10010

4шт.

19

01643-01845

WASHER

SN: 10001-10010

4шт.

20

154-54-11811

MASK

SN: 10001-10010

1шт.

21

01040-41845

BOLT

SN: 10001-10010

4шт.

22

01602-11854

WASHER

SN: 10001-10010

4шт.

23

01643-01845

WASHER

SN: 10001-10010

4шт.

24

154-54-11171

COVER

SN: 10001-10010

1шт.

25

01040-41225

BOLT

SN: 10001-@

7шт.

26

01602-11236

WASHER

SN: 10001-@

7шт.

27

01643-01232

WASHER

SN: 10001-@

7шт.

28

154-54-11211

BONNET

SN: 10001-10010

1шт.

29

01040-41225

BOLT

SN: 10001-@

4шт.

30

01602-11236

WASHER

SN: 10001-@

4шт.

31

01643-01232

WASHER

SN: 10001-@

4шт.

32

154-54-11231

COVER

SN: 10001-@

1шт.

33

154-54-11221

COVER

SN: 10001-@

1шт.

34

01040-41225

BOLT

SN: 10001-@

4шт.

35

01602-11236

WASHER

SN: 10001-@

4шт.

36

01643-01232

WASHER

SN: 10001-@

4шт.

37

01040-41230

BOLT

SN: 10001-@

4шт.

38

01602-11236

WASHER

SN: 10001-@

4шт.

39

154-54-11261

BOARD

SN: 10001-10010

1шт.

40

01040-41225

BOLT

SN: 10001-@

8шт.

41

01602-11236

WASHER

SN: 10001-@

8шт.

42

01643-01232

WASHER

SN: 10001-@

8шт.

43

01040-41225

BOLT

SN: 10001-@

2шт.

44

01602-11236

WASHER

SN: 10001-@

2шт.

45

154-54-11781

BRACKET

SN: 10001-10010

1шт.

46

01040-41635

BOLT

SN: 10001-10010

3шт.

47

01602-11648

WASHER

SN: 10001-10010

3шт.

48

154-54-11281

COVER

SN: 10001-@

1шт.

49

01000-40816

BOLT

SN: 10001-@

4шт.

50

01602-10825

WASHER

SN: 10001-@

4шт.

51

154-54-11310

COVER

SN: 10001-@

1шт.

52

01000-40816

BOLT

SN: 10001-@

4шт.

53

01602-10825

WASHER

SN: 10001-@

4шт.

54

154-54-11291

GROMMET

SN: 10001-@

2шт.

55

150-43-17340

PLATE¤ CAUTION,MAIN CLUTCH

SN: 6001-@

1шт.

56

154-01-11510

PLATE¤ CAUTION,STARTING

SN: 10001-@

1шт.

57

141-98-11260

PLATE¤ CAUTION,COMPRESSION RELEASE

SN: 6001-@

1шт.

58

150-04-12430

PLATE¤ CAUTION,SHUTT OFF VALVE

SN: 6001-@

1шт.

59

09600-01635

PLATE¤ NAME

SN: 6001-@

1шт.

60

04418-03060

SCREW

SN: 10001-@

4шт.

61

150-54-17132

MARK

SN: 6001-@

2шт.

62

150-54-18152

MARK

SN: 6001-@

2шт.

63

150-62-22260

MARK

SN: H6001-10010

1шт.

64

150-54-17170

MARK

SN: 6632-@

2шт.

|64

154-54-12511

MARK

SN: 10000-10000

2шт.

Выбрано товаров: 88