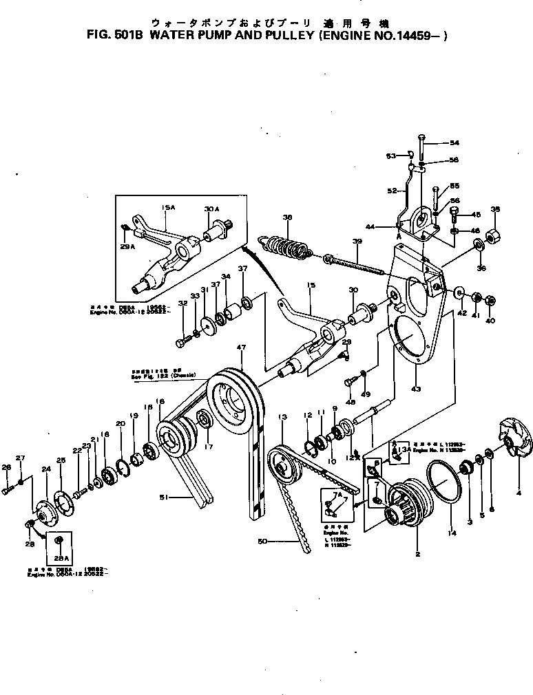
Запчасти Komatsu NH-220-CI-1N ВОДЯНАЯ ПОМПА И ШКИВ(№9-) ОХЛАЖД-Е И ЭЛЕКТРИКАS

Схема запчастей Komatsu NH-220-CI-1N - ВОДЯНАЯ ПОМПА И ШКИВ(№9-) ОХЛАЖД-Е И ЭЛЕКТРИКАS
FIT
1:1
100%

Артикул

Название

Примечание

Количество

|1

6676-63-1014

WATER PUMP ASS'Y

SN: 30180-UP

1шт.

|1

0

WATER PUMP ASS'Y

SN: 8013-30179

1шт.

|1

6685-61-1024

WATER PUMP ASS'Y

SN: 30180-UP

1шт.

|1

6685-61-1023

WATER PUMP ASS'Y

SN: 8013-30179

1шт.

1

6610-61-1310

SHAFT

SN: 8013-UP

1шт.

2

6671-61-1111

BODY,WATER PUMP

SN: 8013-UP

1шт.

3

6610-61-1511

SEAL¤ WATER,WATER PUMP (K4)

SN: 8013-UP

1шт.

|4

6610-61-1030

IMPELLER ASS'Y,WATER PUMP

SN: 8013-30179

1шт.

4

6610-61-1321

IMPELLER

SN: 30180-UP

1шт.

|4

0

IMPELLER

SN: 8013-30179

1шт.

5

6610-61-1331

SEAT (K4)

SN: 30180-UP

1шт.

|5

0

SEAT (K4)

SN: 8013-30179

1шт.

6

6610-61-1340

FILM

SN: 8013-30179

1шт.

7

02720-20204

PLUG

SN: 8013-UP

1шт.

8

6600-02-3850

NIPPLE

SN: 8013-UP

1шт.

9

6600-01-1221

BEARING

SN: 8013-UP

1шт.

10

6610-61-1130

SPACER

SN: 8013-UP

1шт.

11

6600-01-1231

BEARING

SN: 8013-UP

1шт.

12

6610-61-1120

RING,SNAP

SN: 8013-UP

1шт.

12A

6610-69-1210

FILTER,DUST (K4)

SN: 8013-UP

1шт.

13

6623-61-1350

PULLEY,WATER PUMP

SN: 8013-UP

1шт.

14

6610-61-1810

GASKET (K4)

SN: 8013-UP

1шт.

|15

6691-61-2803

TENSION PULLEY A.

SN: ..-UP

1шт.

|15

6691-61-2802

TENSION PULLEY A.

SN: .-..

1шт.

|15

6691-61-2801

TENSION PULLEY A.

SN: 20522-.

1шт.

|15

6691-61-2800

TENSION PULLEY A.

SN: 14459-20521

1шт.

15

6691-61-2810

LEVER,TENSION PULLEY

SN: 14459-20521

1шт.

15A

6691-61-2811

LEVER,TENSION PULLEY

SN: 20522-UP

1шт.

16

6691-61-2820

PULLEY,TENSION

SN: 14459-UP

1шт.

17

07012-00038

SEAL,OIL (K4)

SN: 14459-UP

1шт.

18

06000-06205

BEARING

SN: 14459-UP

2шт.

19

6691-61-2850

SPACER

SN: 14459-UP

1шт.

20

04067-00052

RING,SNAP

SN: 14459-UP

1шт.

21

6691-61-2860

WASHER

SN: 14459-UP

1шт.

22

01050-31020

BOLT

SN: 14459-UP

1шт.

23

01602-01030

WASHER,SPRING

SN: 14459-UP

1шт.

24

6691-61-2840

COVER,PULLEY

SN: 14459-UP

1шт.

25

6691-61-2830

GASKET (K4)

SN: 14459-UP

1шт.

26

01010-30616

BOLT

SN: 14459-UP

4шт.

27

01602-00619

WASHER,SPRING

SN: 14459-UP

4шт.

28

07042-00108

PLUG

SN: 14459-20521

1шт.

28A

07043-00108

PLUG

SN: 20522-UP

1шт.

29

07020-00900

FITTING,GREASE

SN: 14459-UP

1шт.

29A

07020-00000

FITTING,GREASE

SN: 20522-UP

1шт.

30

0

SHAFT

SN: (14459-.)

1шт.

30A

6685-61-2710

SHAFT

SN: 14459-UP

1шт.

31

6691-61-2720

PLATE

SN: 14459-UP

1шт.

32

01050-31020

BOLT

SN: 14459-UP

1шт.

33

01602-01030

WASHER,SPRING

SN: 14459-UP

1шт.

34

6685-61-4372

BEARING

SN: 37113-UP

1шт.

|34

0

BEARING

SN: 20522-37112

1шт.

|34

06120-03038

BEARING

SN: 14459-20521

1шт.

35

01582-02419

NUT

SN: 31949-UP

1шт.

|35

01500-32418

NUT

SN: 14459-31948

1шт.

36

01602-02472

WASHER,SPRING

SN: 14459-UP

1шт.

37

6685-61-4380

SEAL,BEARING

SN: 20522-UP

2шт.

|37

06122-03004

SEAL,BEARING

SN: 14459-20521

2шт.

38

6691-61-2750

SPRING,TENSION PULLEY

SN: 14459-UP

1шт.

39

6691-61-2730

BOLT,ADJUSTING

SN: 14459-UP

1шт.

40

01580-01411

NUT

SN: 31949-UP

1шт.

|40

01503-31411

NUT

SN: 14459-31948

1шт.

41

01580-01411

NUT

SN: 31949-UP

1шт.

|41

01504-31408

NUT

SN: 14459-31948

1шт.

42

6691-61-2740

WASHER

SN: 14459-UP

1шт.

43

6691-61-1211

BRACKET,WATER PUMP

SN: 14459-UP

1шт.

|43

0

BRACKET,WATER PUMP

SN: (14459-.)

1шт.

|43

6691-61-1220

BRACKET,(COLD WEATHER SPEC.)

SN: 19942-UP

1шт.

44

6685-61-2222

SUPPORT,HOOK

SN: 14459-UP

1шт.

45

01050-31225

BOLT

SN: 14459-UP

2шт.

46

01602-01236

WASHER,SPRING

SN: 14459-UP

2шт.

47

6691-61-2110

PULLEY

SN: 14459-UP

1шт.

48

02030-30632

BOLT

SN: 14459-UP

6шт.

49

02300-11226

WASHER

SN: 14459-UP

6шт.

50

6682-83-6170

V-BELT,WATER PUMP

SN: 14459-UP

1шт.

51

6691-81-6130

V-BELT,COOLING FAN

SN: 14459-UP

2шт.

|1

6676-63-1014

WATER PUMP ASS'Y

SN: 30180-UP

1шт.

|1

0

WATER PUMP ASS'Y

SN: 8013-30179

1шт.

|1

6685-61-1024

WATER PUMP ASS'Y

SN: 30180-UP

1шт.

|1

6685-61-1023

WATER PUMP ASS'Y

SN: 8013-30179

1шт.

1

6610-61-1310

SHAFT

SN: 8013-UP

1шт.

2

6671-61-1111

BODY,WATER PUMP

SN: 8013-UP

1шт.

3

6610-61-1511

SEAL¤ WATER,WATER PUMP (K4)

SN: 8013-UP

1шт.

|4

6610-61-1030

IMPELLER ASS'Y,WATER PUMP

SN: 8013-30179

1шт.

4

6610-61-1321

IMPELLER

SN: 30180-UP

1шт.

|4

0

IMPELLER

SN: 8013-30179

1шт.

5

6610-61-1331

SEAT (K4)

SN: 30180-UP

1шт.

|5

0

SEAT (K4)

SN: 8013-30179

1шт.

6

6610-61-1340

FILM

SN: 8013-30179

1шт.

7

02720-20204

PLUG

SN: 8013-UP

1шт.

8

6600-02-3850

NIPPLE

SN: 8013-UP

1шт.

9

6600-01-1221

BEARING

SN: 8013-UP

1шт.

10

6610-61-1130

SPACER

SN: 8013-UP

1шт.

11

6600-01-1231

BEARING

SN: 8013-UP

1шт.

12

6610-61-1120

RING,SNAP

SN: 8013-UP

1шт.

12A

6610-69-1210

FILTER,DUST (K4)

SN: 8013-UP

1шт.

13

6623-61-1350

PULLEY,WATER PUMP

SN: 8013-UP

1шт.

14

6610-61-1810

GASKET (K4)

SN: 8013-UP

1шт.

|15

6691-61-2803

TENSION PULLEY A.

SN: ..-UP

1шт.

|15

6691-61-2802

TENSION PULLEY A.

SN: .-..

1шт.

|15

6691-61-2801

TENSION PULLEY A.

SN: 20522-.

1шт.

|15

6691-61-2800

TENSION PULLEY A.

SN: 14459-20521

1шт.

15

6691-61-2810

LEVER,TENSION PULLEY

SN: 14459-20521

1шт.

15A

6691-61-2811

LEVER,TENSION PULLEY

SN: 20522-UP

1шт.

16

6691-61-2820

PULLEY,TENSION

SN: 14459-UP

1шт.

17

07012-00038

SEAL,OIL (K4)

SN: 14459-UP

1шт.

18

06000-06205

BEARING

SN: 14459-UP

2шт.

19

6691-61-2850

SPACER

SN: 14459-UP

1шт.

20

04067-00052

RING,SNAP

SN: 14459-UP

1шт.

21

6691-61-2860

WASHER

SN: 14459-UP

1шт.

22

01050-31020

BOLT

SN: 14459-UP

1шт.

23

01602-01030

WASHER,SPRING

SN: 14459-UP

1шт.

24

6691-61-2840

COVER,PULLEY

SN: 14459-UP

1шт.

25

6691-61-2830

GASKET (K4)

SN: 14459-UP

1шт.

26

01010-30616

BOLT

SN: 14459-UP

4шт.

27

01602-00619

WASHER,SPRING

SN: 14459-UP

4шт.

28

07042-00108

PLUG

SN: 14459-20521

1шт.

28A

07043-00108

PLUG

SN: 20522-UP

1шт.

29

07020-00900

FITTING,GREASE

SN: 14459-UP

1шт.

29A

07020-00000

FITTING,GREASE

SN: 20522-UP

1шт.

30

0

SHAFT

SN: (14459-.)

1шт.

30A

6685-61-2710

SHAFT

SN: 14459-UP

1шт.

31

6691-61-2720

PLATE

SN: 14459-UP

1шт.

32

01050-31020

BOLT

SN: 14459-UP

1шт.

33

01602-01030

WASHER,SPRING

SN: 14459-UP

1шт.

34

6685-61-4372

BEARING

SN: 37113-UP

1шт.

|34

0

BEARING

SN: 20522-37112

1шт.

|34

06120-03038

BEARING

SN: 14459-20521

1шт.

35

01582-02419

NUT

SN: 31949-UP

1шт.

|35

01500-32418

NUT

SN: 14459-31948

1шт.

36

01602-02472

WASHER,SPRING

SN: 14459-UP

1шт.

37

6685-61-4380

SEAL,BEARING

SN: 20522-UP

2шт.

|37

06122-03004

SEAL,BEARING

SN: 14459-20521

2шт.

38

6691-61-2750

SPRING,TENSION PULLEY

SN: 14459-UP

1шт.

39

6691-61-2730

BOLT,ADJUSTING

SN: 14459-UP

1шт.

40

01580-01411

NUT

SN: 31949-UP

1шт.

|40

01503-31411

NUT

SN: 14459-31948

1шт.

41

01580-01411

NUT

SN: 31949-UP

1шт.

|41

01504-31408

NUT

SN: 14459-31948

1шт.

42

6691-61-2740

WASHER

SN: 14459-UP

1шт.

43

6691-61-1211

BRACKET,WATER PUMP

SN: 14459-UP

1шт.

|43

0

BRACKET,WATER PUMP

SN: (14459-.)

1шт.

|43

6691-61-1220

BRACKET,(COLD WEATHER SPEC.)

SN: 19942-UP

1шт.

44

6685-61-2222

SUPPORT,HOOK

SN: 14459-UP

1шт.

45

01050-31225

BOLT

SN: 14459-UP

2шт.

46

01602-01236

WASHER,SPRING

SN: 14459-UP

2шт.

47

6691-61-2110

PULLEY

SN: 14459-UP

1шт.

48

02030-30632

BOLT

SN: 14459-UP

6шт.

49

02300-11226

WASHER

SN: 14459-UP

6шт.

50

6682-83-6170

V-BELT,WATER PUMP

SN: 14459-UP

1шт.

51

6691-81-6130

V-BELT,COOLING FAN

SN: 14459-UP

2шт.

Выбрано товаров: 150