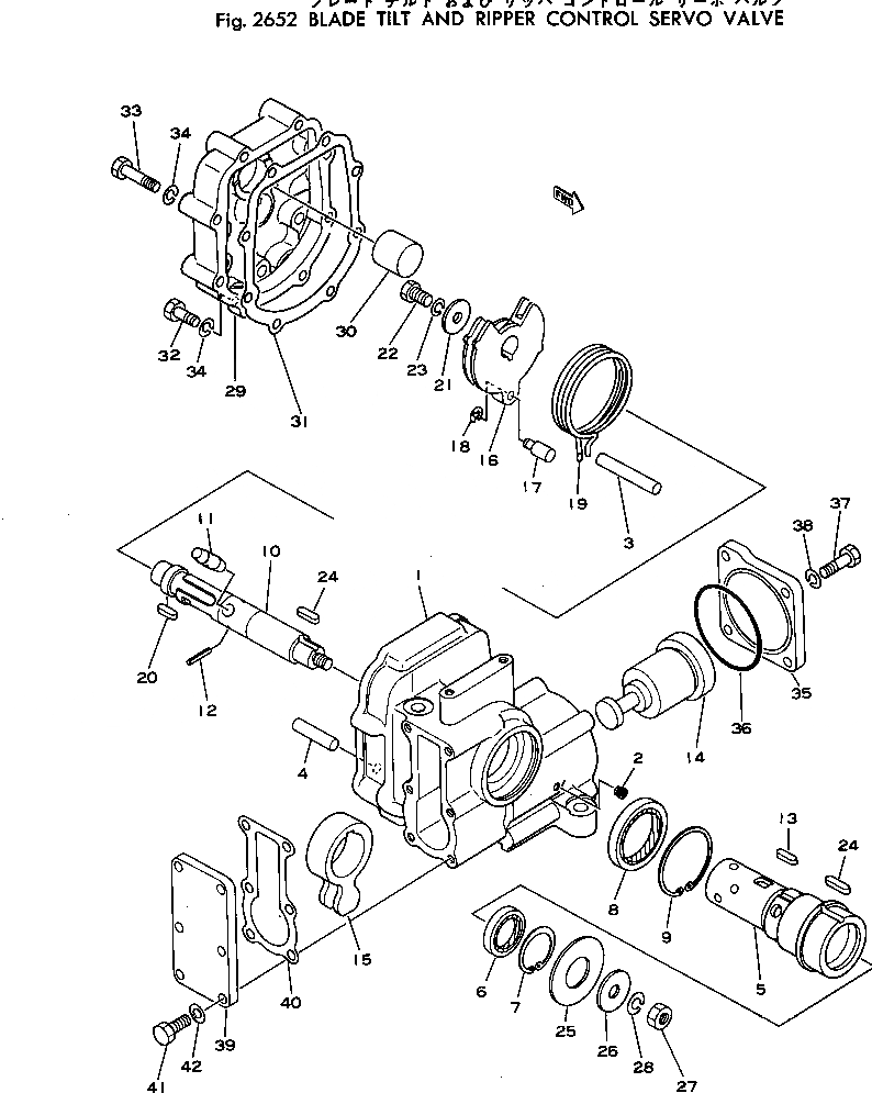
Запчасти Komatsu D80A-18 ПЕРЕКОС. ОТВАЛА И УПРАВЛ-Е РЫХЛИТЕЛЕМ СЕРВОКЛАПАН УПРАВЛ-Е РАБОЧИМ ОБОРУДОВАНИЕМ

Схема запчастей Komatsu D80A-18 - ПЕРЕКОС. ОТВАЛА И УПРАВЛ-Е РЫХЛИТЕЛЕМ СЕРВОКЛАПАН УПРАВЛ-Е РАБОЧИМ ОБОРУДОВАНИЕМ
FIT
1:1
100%

Артикул

Название

Примечание

Количество

|$0

702-12-14000

SERVO VALVE ASS'Y

SN: 25001-UP

2шт.

1

0

HOUSING

SN: 25001-UP

1шт.

2

07043-00108

PLUG

SN: 25001-UP

2шт.

3

702-12-12140

PIN

SN: 25001-UP

1шт.

4

702-12-12150

PIN

SN: 25001-UP

2шт.

5

0

SLEEVE

SN: 25001-UP

1шт.

6

702-12-12390

SEAL,OIL

SN: 25001-UP

1шт.

7

04065-04018

RING,SNAP

SN: 25001-UP

1шт.

8

702-12-12410

SEAL,OIL

SN: 25001-UP

1шт.

9

04065-06020

RING,SNAP

SN: 25001-UP

1шт.

10

0

ROTOR

SN: 25001-UP

1шт.

11

702-12-12180

PIN

SN: 25001-UP

1шт.

12

04025-00316

PIN,SPRING

SN: 25001-UP

1шт.

13

04000-00520

KEY

SN: 25001-UP

1шт.

14

0

PISTON

SN: 25001-UP

1шт.

15

702-12-12210

LEVER

SN: 25001-UP

1шт.

16

702-12-12451

DETENT

SN: ..-UP

1шт.

16

0

DETENT

SN: .-..

1шт.

16

0

DETENT

SN: 25001-.

1шт.

17

702-12-12230

PIN

SN: 25001-UP

1шт.

18

702-12-12240

RING,SNAP

SN: 25001-UP

1шт.

19

702-12-12251

SPRING

SN: 25001-UP

1шт.

20

04000-00515

KEY

SN: 25001-UP

1шт.

21

702-12-12420

WASHER

SN: 25001-UP

1шт.

22

01010-30816

BOLT

SN: 25001-UP

1шт.

23

01602-00825

WASHER,SPRING

SN: 25001-UP

1шт.

24

04000-00520

KEY

SN: 25001-UP

2шт.

25

702-12-12280

WASHER

SN: 25001-UP

1шт.

26

702-12-12270

WASHER

SN: 25001-UP

1шт.

27

01580-01008

NUT

SN: 25001-UP

1шт.

28

01602-01030

WASHER,SPRING

SN: 25001-UP

1шт.

29

702-12-13220

COVER

SN: 25001-UP

1шт.

30

702-12-13210

PIN

SN: 25001-UP

1шт.

31

702-12-13140

GASKET

SN: 25001-UP

1шт.

32

01010-30835

BOLT

SN: 25001-UP

2шт.

33

01010-30845

BOLT

SN: 25001-UP

6шт.

34

01602-00825

WASHER,SPRING

SN: 25001-UP

8шт.

35

702-12-13160

COVER

SN: 25001-UP

1шт.

36

07000-22070

O-RING

SN: 25001-UP

1шт.

37

01010-30825

BOLT

SN: 25001-UP

4шт.

38

01602-00825

WASHER,SPRING

SN: 25001-UP

4шт.

39

702-12-13130

COVER

SN: 25001-UP

1шт.

40

702-12-13150

GASKET

SN: 25001-UP

1шт.

41

01010-30820

BOLT

SN: 25001-UP

6шт.

42

01602-00825

WASHER,SPRING

SN: 25001-UP

6шт.

Выбрано товаров: 45