Запчасти Komatsu D80A-18 ЛЕНИВЕЦ ГУСЕНИЦЫ

Схема запчастей Komatsu D80A-18 - ЛЕНИВЕЦ ГУСЕНИЦЫ
FIT
1:1
100%

Артикул

Название

Примечание

Количество

|$0

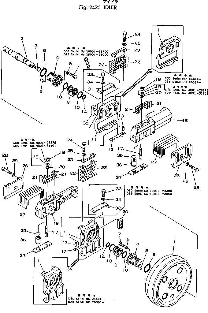
154-30-00295

FRONT IDLER ASS'Y

SN: .-UP

2шт.

|$1

0

FRONT IDLER ASS'Y

SN: 26403-.

2шт.

|$2

0

FRONT IDLER ASS'Y

SN: 25759-26402

2шт.

|$3

0

FRONT IDLER ASS'Y

SN: 25401-25758

2шт.

|$4

0

FRONT IDLER ASS'Y

SN: 25001-25400

2шт.

1

150-30-22118

IDLER

SN: 25001-UP

1шт.

2

154-30-23122

SHAFT

SN: 25001-UP

1шт.

3

07052-31624

PLUG

SN: 25001-UP

1шт.

|$8

155-30-16202

BUSHING ASS'Y

SN: 26403-UP

2шт.

|$9

0

BUSHING ASS'Y

SN: 25001-26402

2шт.

4

0

BUSHING,OUTER

SN: 26403-UP

1шт.

4

0

BUSHING,OUTER

SN: 25001-26402

1шт.

4

0

BUSHING,INNER

SN: 26403-UP

1шт.

4

0

BUSHING,INNER

SN: 25001-26402

1шт.

5

170-30-91130

PIN,DOWEL

SN: 25001-UP

2шт.

6

07000-02110

O-RING

SN: 25001-UP

2шт.

7

01010-51235

BOLT

SN: 25001-UP

12шт.

8

01602-21236

WASHER,SPRING

SN: 25001-UP

12шт.

|$18

154-30-00832

FLOATING SEAL ASS'Y

SN: .-UP

2шт.

|$19

0

FLOATING SEAL ASS'Y

SN: 25759-.

2шт.

|$20

0

FLOATING SEAL ASS'Y

SN: 25001-25758

2шт.

9

154-30-00822

SEAL RING ASS'Y

SN: .-UP

1шт.

9

0

SEAL RING ASS'Y

SN: 25759-.

1шт.

9

0

SEAL RING ASS'Y

SN: 25001-25758

1шт.

9

0

RING

SN: .-UP

2шт.

9

0

RING

SN: 25759-.

2шт.

9

0

RING

SN: 25001-25758

2шт.

10

150-30-00370

O-RING ASS'Y

SN: 25001-UP

1шт.

10

0

O-RING

SN: 25001-UP

2шт.

|$29

154-30-12631

GUIDE ASS'Y

SN: 25401-UP

2шт.

|$30

154-30-12630

GUIDE ASS'Y

SN: 25001-25400

2шт.

11

0

GUIDE

SN: 25401-UP

1шт.

11

0

GUIDE

SN: 25001-25400

1шт.

12

154-30-11963

PLATE (WELDED)

SN: 25001-UP

1шт.

13

04022-12025

PIN (WELDED)

SN: 26213-UP

2шт.

13

04020-01228

PIN (WELDED)

SN: 25001-26212

2шт.

14

07000-02060

O-RING

SN: 25001-UP

2шт.

15

154-30-12611

SUPPORT

SN: 25001-UP

1шт.

16

154-30-12621

SUPPORT

SN: 25001-UP

1шт.

17

154-30-12650

BOLT

SN: 25001-UP

2шт.

18

175-30-23180

NUT

SN: 25001-UP

2шт.

19

01602-21648

WASHER,SPRING

SN: 25001-26375

2шт.

20

01643-31645

WASHER

SN: 26102-UP

2шт.

20

0

WASHER,SPRING

SN: 25001-26101

2шт.

21

154-30-05040

SHIM KIT

SN: 25001-UP

2шт.

21

0

SHIM, 1.0MM

SN: 25001-UP

4шт.

21

0

SHIM, 2.0MM

SN: 25001-UP

2шт.

22

154-30-05050

SHIM KIT

SN: 25001-UP

2шт.

22

0

SHIM, 1.0MM

SN: 25001-UP

8шт.

22

0

SHIM, 2.0MM

SN: 25001-UP

4шт.

23

154-30-12670

PLATE

SN: 25001-UP

2шт.

24

154-30-12660

BOLT

SN: 25001-UP

4шт.

25

01643-31645

WASHER

SN: 25001-UP

4шт.

26

154-30-11683

PLATE

SN: 25001-UP

2шт.

27

154-30-05060

SHIM KIT

SN: 25001-UP

2шт.

27

0

SHIM, 1.0MM

SN: 25001-UP

9шт.

27

0

SHIM, 0.5MM

SN: 25001-UP

1шт.

28

01011-52055

BOLT

SN: 25001-UP

8шт.

29

01643-32060

WASHER

SN: 26376-UP

8шт.

29

0

WASHER,SPRING

SN: 25001-26375

8шт.

30

154-30-12730

SEAT

SN: 25001-UP

4шт.

31

154-30-12721

COVER

SN: 25001-25400

1шт.

32

154-30-12711

COVER

SN: 25001-25400

1шт.

33

01010-51635

BOLT

SN: 25001-25400

4шт.

34

01602-21648

WASHER,SPRING

SN: 25001-25400

4шт.

35

195-30-17960

SEAT

SN: 25001-UP

8шт.

36

155-30-13230

SPRING

SN: 25001-UP

8шт.

37

175-30-24131

SEAT

SN: 25001-UP

4шт.

Выбрано товаров: 68