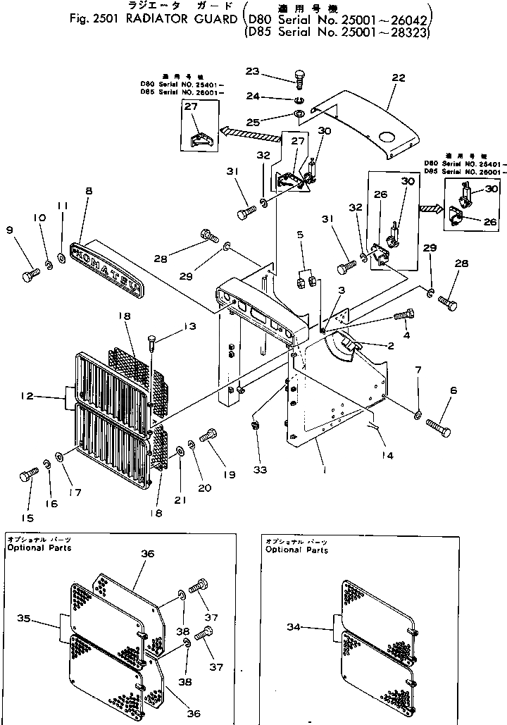
Запчасти Komatsu D80A-18 ЗАЩИТА РАДИАТОРА(№-) ЧАСТИ КОРПУСА

Схема запчастей Komatsu D80A-18 - ЗАЩИТА РАДИАТОРА(№-) ЧАСТИ КОРПУСА
FIT
1:1
100%

Артикул

Название

Примечание

Количество

1

154-54-11330

GUARD

SN: 25001-26042

1шт.

2

154-54-12320

SUPPORT (WELDED)

SN: 25001-@

2шт.

3

154-54-12362

PIN (WELDED)

SN: 25001-@

2шт.

4

01010-30835

BOLT

SN: 25001-@

2шт.

5

01580-00806

NUT

SN: 25001-@

4шт.

6

01019-22745

BOLT

SN: 25001-@

16шт.

7

01643-32780

WASHER

SN: 25001-@

16шт.

8

154-54-14296

MARK

SN: 25401-@

1шт.

8

0

MARK

SN: 25001-25400

1шт.

9

01010-31025

BOLT

SN: 25401-@

2шт.

9

01010-31040

BOLT

SN: 25001-25400

2шт.

10

01602-01030

WASHER,SPRING

SN: 25001-@

2шт.

11

01643-31032

WASHER

SN: 25001-@

2шт.

12

154-54-11926

GRILLE

SN: 25401-@

2шт.

12

154-54-11925

GRILLE

SN: 25001-25400

2шт.

13

145-963-3240

PIN

SN: 25001-@

4шт.

14

04050-05030

PIN

SN: 25001-@

4шт.

15

01010-31640

BOLT

SN: 25001-@

8шт.

16

01602-01648

WASHER,SPRING

SN: 25001-@

8шт.

17

01643-31645

WASHER

SN: 25001-@

8шт.

18

154-54-11945

NET

SN: 25401-@

2шт.

18

154-54-11944

NET

SN: 25001-25400

2шт.

19

01010-30825

BOLT

SN: 25401-@

12шт.

19

01010-31025

BOLT

SN: 25001-25400

16шт.

20

01602-00825

WASHER,SPRING

SN: 25401-@

12шт.

20

01602-01030

WASHER,SPRING

SN: 25001-25400

16шт.

21

01643-30823

WASHER

SN: 25401-@

12шт.

21

01643-31032

WASHER

SN: 25001-25400

16шт.

22

154-54-11179

COVER

SN: 26043-@

1шт.

22

0

COVER

SN: 25001-26042

1шт.

23

01010-31225

BOLT

SN: 25001-@

6шт.

24

01602-01236

WASHER,SPRING

SN: 25001-@

6шт.

25

01643-31232

WASHER

SN: 25001-@

6шт.

26

154-54-22891

BRACKET,L.H.

SN: 25401-@

1шт.

26

154-54-22890

BRACKET,L.H.

SN: 25001-25400

1шт.

27

154-54-22911

BRACKET,R.H.

SN: 25401-@

1шт.

27

154-54-22910

BRACKET,R.H.

SN: 25001-25400

1шт.

28

01010-31255

BOLT,R.H.

SN: 25001-@

4шт.

29

01602-01236

WASHER,SPRING

SN: 25001-@

4шт.

30

175-54-21361

CATCH ASS'Y

SN: 25401-@

2шт.

30

176-54-41240

CATCH ASS'Y

SN: 25001-25400

4шт.

31

01010-31020

BOLT

SN: 25401-@

6шт.

31

01010-31020

BOLT

SN: 25001-25400

12шт.

32

01602-01030

WASHER,SPRING

SN: 25401-@

6шт.

32

01602-01030

WASHER,SPRING

SN: 25001-25400

12шт.

33

112-06-12150

GROMMET

SN: 25001-@

1шт.

34

154-55-15422

GRILLE

SN: 25001-@

2шт.

35

154-55-15422

GRILLE

SN: 25001-@

2шт.

36

154-55-15452

PLATE

SN: 26043-@

2шт.

36

0

PLATE

SN: 25001-26042

2шт.

37

01010-31225

BOLT

SN: 25001-@

10шт.

38

01602-01236

WASHER,SPRING

SN: 25001-@

10шт.

Выбрано товаров: 52