Запчасти Komatsu D80A-18 СИДЕНЬЕ ОПЕРАТОРА(№7-) ЧАСТИ КОРПУСА

Схема запчастей Komatsu D80A-18 - СИДЕНЬЕ ОПЕРАТОРА(№7-) ЧАСТИ КОРПУСА
FIT
1:1
100%

Артикул

Название

Примечание

Количество

|$0

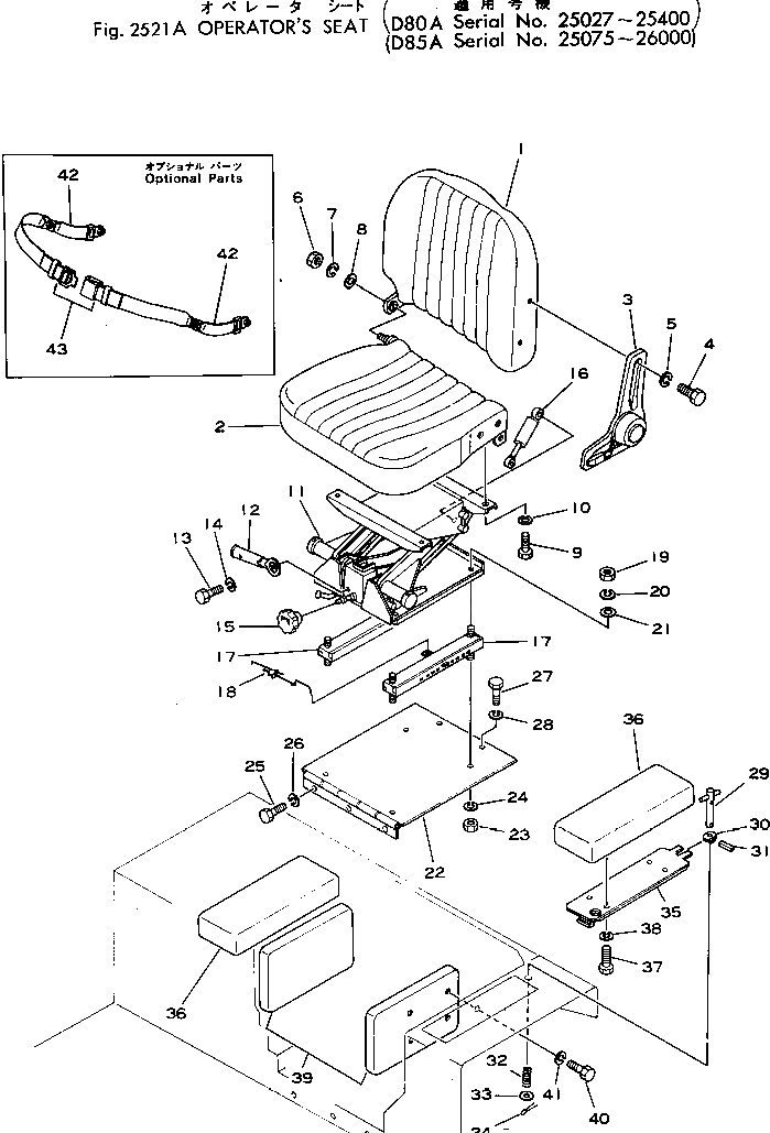
155-57-12104

OPERATOR'S SEAT A.

SN: 25027-25400

1шт.

1

155-57-12171

CUSHION,BACK

SN: 25027-25400

1шт.

2

198-57-11620

CUSHION,CUSHION

SN: 25001-25400

1шт.

3

155-57-12181

LEVER

SN: 25001-@

1шт.

4

07372-21030

BOLT

SN: 25001-25400

4шт.

5

01602-01030

WASHER,SPRING

SN: 25001-@

4шт.

6

01580-01008

NUT

SN: 25001-25400

1шт.

7

01602-01030

WASHER,SPRING

SN: 25001-@

1шт.

8

01643-31032

WASHER

SN: 25001-25400

1шт.

9

01010-31020

BOLT

SN: 25001-@

4шт.

10

01602-01030

WASHER,SPRING

SN: 25001-@

4шт.

11

155-57-12142

SUSPENSION ASS'Y

SN: 25027-25400

1шт.

12

155-57-12210

HANDLE ASS'Y

SN: 25001-25400

1шт.

13

01010-30612

BOLT

SN: 25001-25400

1шт.

14

01640-00610

WASHER

SN: 25001-25400

1шт.

15

155-57-12221

KNOB

SN: 25027-25400

1шт.

16

155-57-12250

DAMPER

SN: 25001-25400

1шт.

17

155-57-12150

ADJUSTER

SN: 25001-@

2шт.

18

155-57-12260

LATCH WIRE ASS'Y

SN: 25001-25400

1шт.

19

01580-01210

NUT

SN: 25001-@

4шт.

20

01602-01236

WASHER,SPRING

SN: 25001-@

4шт.

21

01640-01223

WASHER

SN: 25001-25400

4шт.

22

154-57-12150

SEAT

SN: 25001-@

1шт.

23

01580-01210

NUT

SN: 25001-@

4шт.

24

01602-01236

WASHER,SPRING

SN: 25001-@

4шт.

25

01010-31225

BOLT

SN: 25001-@

3шт.

26

01602-01236

WASHER,SPRING

SN: 25001-@

3шт.

27

01010-31225

BOLT

SN: 25001-@

2шт.

28

01602-01236

WASHER,SPRING

SN: 25001-@

2шт.

29

154-57-12131

PIN

SN: 25001-@

2шт.

30

154-57-12140

WASHER

SN: 25001-@

2шт.

31

04025-00520

PIN

SN: 25001-@

2шт.

32

124-960-2160

SPRING

SN: 25001-@

2шт.

33

01640-01016

WASHER

SN: 25001-@

2шт.

34

04050-03015

PIN

SN: 25001-@

2шт.

35

154-57-12111

COVER

SN: 25001-@

2шт.

36

154-57-12121

REST

SN: 25001-@

2шт.

37

01010-30825

BOLT

SN: 25001-@

8шт.

38

01602-00825

WASHER,SPRING

SN: 25001-@

8шт.

39

195-57-11292

CUSHION

SN: 25001-@

2шт.

40

01010-30825

BOLT

SN: 25001-@

8шт.

41

01602-00825

WASHER,SPRING

SN: 25001-@

8шт.

42

09409-20000

BELT, TETHER

SN: 25001-@

2шт.

43

09409-10000

BELT

SN: 25001-@

1шт.

Выбрано товаров: 44