Запчасти Komatsu NT-855-1A СТАРТЕР (KW)(№988-87) ОХЛАЖД-Е И ЭЛЕКТРИКАS

Схема запчастей Komatsu NT-855-1A - СТАРТЕР (KW)(№988-87) ОХЛАЖД-Е И ЭЛЕКТРИКАS
FIT
1:1
100%

Артикул

Название

Примечание

Количество

|$0

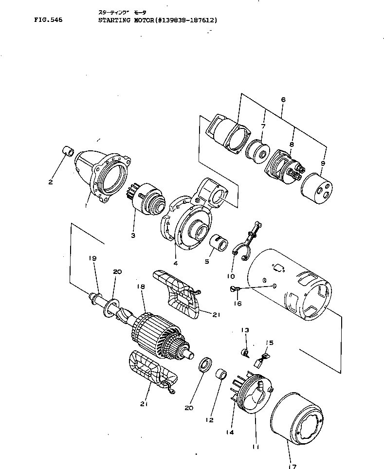
600-813-2724

STARTING MOTOR A.,(11KW)

SN: 139838-187612

1шт.

|$$2

THE NIKKO DENKI PART NUMBER IS THAT KD IS REMOVED FROM KOMATSU PART NUMBER LISTED BELOW.

-1шт.

1

KD0-21300-2140

FRONT BRACKET A.

SN: 139838-187612

1шт.

2

KD1-21351-1000

METAL

SN: 139838-187612

1шт.

3

KD1-21500-1750

CLUTCH ASS'Y

SN: 139838-187612

1шт.

3

KD1-21510-1670

PINION

SN: 139838-187612

1шт.

4

KD0-21600-1550

CENTER BRACKET A.

SN: 139838-187612

1шт.

5

KD1-21351-0060

METAL

SN: 139838-187612

1шт.

6

KD7-47100-0180

MAGNETIC SWITCH A.

SN: 139838-187612

1шт.

7

KD1-47150-0361

CONTACTOR

SN: 139838-187612

1шт.

8

KD0-47760-1331

COVER ASS'Y

SN: 139838-187612

1шт.

9

KD1-47761-0190

COVER

SN: 139838-187612

1шт.

10

KD7-21320-0070

SHIFT LEVER ASS'Y

SN: 139838-187612

1шт.

11

KD7-21700-0100

REAR BRACKET ASS'Y

SN: 139838-187612

1шт.

12

KD7-21351-0140

METAL

SN: 139838-187612

1шт.

13

KD1-21913-0120

SPRING,BRUSH

SN: 139838-187612

8шт.

14

KD0-21750-1260

BRUSH HOLDER A.

SN: 139838-187612

1шт.

15

KD1-21740-0370

BRUSH

SN: 139838-187612

8шт.

16

KD1-0060-10182

SCREW,DISH

SN: 139838-187612

8шт.

17

KD1-21761-1180

COVER

SN: 139838-187612

1шт.

18

KD7-21100-0080

ARMATURE ASS'Y

SN: 139838-187612

1шт.

19

KD1-21181-0122

STOPPER,PINION

SN: 139838-187612

1шт.

20

KD1-21921-0280

WASHER,ADJUST

SN: 139838-187612

2шт.

21

KD7-21230-0060

FIELD COIL ASS'Y

SN: 139838-187612

1шт.

22

KD7-09210-0200

SEAL ASS'Y,(NOT SHOWN)

SN: 139838-187612

1шт.

|$0

600-813-2724

STARTING MOTOR A.,(11KW)

SN: 139838-187612

1шт.

|$$2

THE NIKKO DENKI PART NUMBER IS THAT KD IS REMOVED FROM KOMATSU PART NUMBER LISTED BELOW.

-1шт.

1

KD0-21300-2140

FRONT BRACKET A.

SN: 139838-187612

1шт.

2

KD1-21351-1000

METAL

SN: 139838-187612

1шт.

3

KD1-21500-1750

CLUTCH ASS'Y

SN: 139838-187612

1шт.

3

KD1-21510-1670

PINION

SN: 139838-187612

1шт.

4

KD0-21600-1550

CENTER BRACKET A.

SN: 139838-187612

1шт.

5

KD1-21351-0060

METAL

SN: 139838-187612

1шт.

6

KD7-47100-0180

MAGNETIC SWITCH A.

SN: 139838-187612

1шт.

7

KD1-47150-0361

CONTACTOR

SN: 139838-187612

1шт.

8

KD0-47760-1331

COVER ASS'Y

SN: 139838-187612

1шт.

9

KD1-47761-0190

COVER

SN: 139838-187612

1шт.

10

KD7-21320-0070

SHIFT LEVER ASS'Y

SN: 139838-187612

1шт.

11

KD7-21700-0100

REAR BRACKET ASS'Y

SN: 139838-187612

1шт.

12

KD7-21351-0140

METAL

SN: 139838-187612

1шт.

13

KD1-21913-0120

SPRING,BRUSH

SN: 139838-187612

8шт.

14

KD0-21750-1260

BRUSH HOLDER A.

SN: 139838-187612

1шт.

15

KD1-21740-0370

BRUSH

SN: 139838-187612

8шт.

16

KD1-0060-10182

SCREW,DISH

SN: 139838-187612

8шт.

17

KD1-21761-1180

COVER

SN: 139838-187612

1шт.

18

KD7-21100-0080

ARMATURE ASS'Y

SN: 139838-187612

1шт.

19

KD1-21181-0122

STOPPER,PINION

SN: 139838-187612

1шт.

20

KD1-21921-0280

WASHER,ADJUST

SN: 139838-187612

2шт.

21

KD7-21230-0060

FIELD COIL ASS'Y

SN: 139838-187612

1шт.

22

KD7-09210-0200

SEAL ASS'Y,(NOT SHOWN)

SN: 139838-187612

1шт.

Выбрано товаров: 50