Запчасти Komatsu D80E-18 КАБИНА ЧАСТИ КОРПУСА SWEEPER ОПЦИОННЫЕ КОМПОНЕНТЫ

Схема запчастей Komatsu D80E-18 - КАБИНА ЧАСТИ КОРПУСА SWEEPER ОПЦИОННЫЕ КОМПОНЕНТЫ
FIT
1:1
100%

Артикул

Название

Примечание

Количество

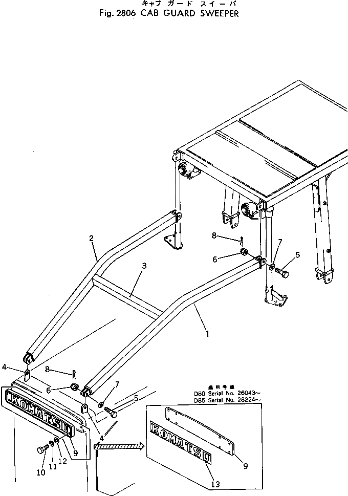
1

154-91-21220

FRAME

SN: 25001-UP

1шт.

2

154-91-21230

FRAME

SN: 25001-UP

1шт.

3

154-91-21240

FRAME (WELDED)

SN: 25001-UP

1шт.

4

154-91-21250

PLATE (WELDED)

SN: 25001-UP

2шт.

5

01013-33635

BOLT

SN: 25001-UP

4шт.

6

01590-03638

NUT

SN: 25001-UP

4шт.

7

01643-33690

WASHER

SN: 25001-UP

4шт.

8

04050-06065

PIN,COTTER

SN: 25001-UP

4шт.

9

154-54-14631

PLATE, MARK

SN: 26403-UP

1шт.

9

0

PLATE, MARK

SN: 25001-26402

1шт.

10

01010-30835

BOLT

SN: 26043-UP

8шт.

10

01010-30835

BOLT

SN: 25001-26402

4шт.

11

01602-00825

WASHER,SPRING

SN: 26043-UP

8шт.

11

01602-00825

WASHER,SPRING

SN: 25001-26402

4шт.

12

01643-30823

WASHER

SN: 26043-UP

8шт.

12

01643-30823

WASHER

SN: 25001-26402

4шт.

13

154-98-14350

PLATE, MARK

SN: 26043-UP

1шт.

Выбрано товаров: 17