Запчасти Komatsu D80E-18 ТОРМОЗ. КОЖУХ И ТРУБЫ СИСТЕМАУПРАВЛЕНИЯ ПОВОРОТОМ И КОНЕЧНАЯ ПЕРЕДАЧА

Схема запчастей Komatsu D80E-18 - ТОРМОЗ. КОЖУХ И ТРУБЫ СИСТЕМАУПРАВЛЕНИЯ ПОВОРОТОМ И КОНЕЧНАЯ ПЕРЕДАЧА
FIT
1:1
100%

Артикул

Название

Примечание

Количество

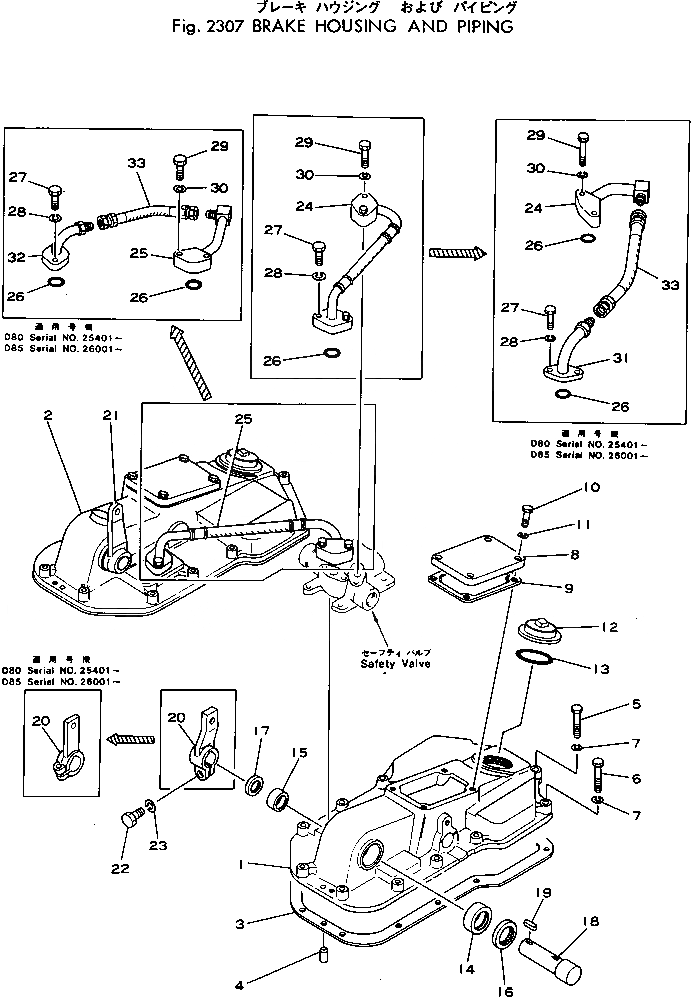
1

154-33-22172

COVER

SN: 25001-UP

1шт.

2

154-33-22162

COVER

SN: 25001-UP

1шт.

3

154-33-22181

GASKET

SN: 25001-UP

2шт.

4

04020-01228

PIN,DOWEL

SN: 25001-UP

4шт.

5

01010-51245

BOLT

SN: 25001-UP

4шт.

6

01010-51260

BOLT

SN: 25001-UP

22шт.

7

01602-21236

WASHER,SPRING

SN: 25001-UP

26шт.

8

154-33-21441

COVER

SN: 25001-UP

2шт.

9

154-33-21451

GASKET

SN: 25001-UP

2шт.

10

01010-51230

BOLT

SN: 25001-UP

8шт.

11

01602-21236

WASHER,SPRING

SN: 25001-UP

8шт.

12

154-33-21142

CAP

SN: 25001-UP

2шт.

13

07000-02095

O-RING

SN: 25001-UP

2шт.

14

154-33-21320

BUSHING

SN: 25001-UP

2шт.

15

154-33-21330

BUSHING

SN: 25001-UP

2шт.

16

154-33-21340

SEAL,OIL

SN: 25001-UP

2шт.

17

154-33-21350

SEAL

SN: 25001-UP

2шт.

18

154-33-21310

SHAFT,OIL

SN: 25001-UP

2шт.

19

04000-01030

KEY

SN: 25001-UP

2шт.

20

154-33-11345

LEVER,L.H.

SN: 25001-UP

1шт.

21

154-33-11333

LEVER,R.H.

SN: 25001-UP

1шт.

22

01010-51245

BOLT

SN: 25001-UP

2шт.

23

01602-21236

WASHER,SPRING

SN: 25001-UP

2шт.

24

154-33-22280

TUBE,L.H.

SN: 25401-UP

1шт.

24

175-33-24421

HOSE,L.H.

SN: 25001-25400

1шт.

25

154-33-22290

TUBE,R.H.

SN: 25401-UP

1шт.

25

175-33-24431

HOSE,R.H.

SN: 25001-25400

1шт.

26

07000-03025

O-RING

SN: 25001-UP

4шт.

27

01010-51030

BOLT

SN: 25001-UP

4шт.

28

01602-21030

WASHER,SPRING

SN: 25001-UP

4шт.

29

01010-51055

BOLT

SN: 25401-UP

4шт.

29

01010-51050

BOLT

SN: 25001-25400

4шт.

30

01602-21030

WASHER,SPRING

SN: 25001-UP

4шт.

31

154-33-22310

TUBE,L.H.

SN: 25401-UP

1шт.

32

154-33-22320

TUBE,R.H.

SN: 25401-UP

1шт.

33

07102-20503

HOSE

SN: 25401-UP

2шт.

Выбрано товаров: 36