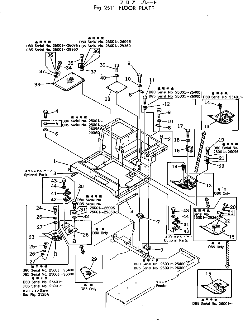
Запчасти Komatsu D80E-18 ПОЛ КАБИНЫ ЧАСТИ КОРПУСА

Схема запчастей Komatsu D80E-18 - ПОЛ КАБИНЫ ЧАСТИ КОРПУСА
FIT
1:1
100%

Артикул

Название

Примечание

Количество

1

154-54-22263

FRAME

SN: 25401-UP

1шт.

1

154-54-22262

FRAME

SN: 25001-25400

1шт.

2

07049-01418

PLUG

SN: 25001-UP

18шт.

3

154-54-22721

PLATE

SN: 25001-UP

2шт.

4

01010-51490

BOLT

SN: 25001-UP

6шт.

5

01602-21442

WASHER,SPRING

SN: 25001-26096

6шт.

6

01643-31445

WASHER

SN: 25001-UP

6шт.

7

154-54-22441

SEAT

SN: 25401-UP

1шт.

7

154-54-22441

SEAT

SN: 25001-25400

2шт.

8

195-54-23471

PLATE

SN: 25401-UP

1шт.

8

195-54-23471

PLATE

SN: 25001-25400

2шт.

9

01010-51460

BOLT

SN: 25401-UP

2шт.

9

01016-51460

BOLT

SN: 25001-25400

4шт.

10

01643-31445

WASHER

SN: 25401-UP

2шт.

10

01602-21442

WASHER,SPRING

SN: 25001-25400

4шт.

11

01016-51690

BOLT

SN: 25001-UP

1шт.

12

01580-11613

NUT

SN: 25001-25400

1шт.

|$17

150-54-00151

COVER ASS'Y

SN: 25401-UP

1шт.

|$18

0

COVER ASS'Y

SN: 25001-25400

1шт.

13

0

PLATE

SN: 25401-UP

1шт.

13

0

PLATE

SN: 25001-25400

1шт.

14

09459-00000

LOCK

SN: 25001-UP

1шт.

16

150-54-16191

REST

SN: 25001-25400

1шт.

17

01010-51230

BOLT

SN: 25001-25400

2шт.

18

01602-21236

WASHER,SPRING

SN: 25001-25400

2шт.

19

01010-51230

BOLT

SN: 25001-UP

5шт.

20

01010-51235

BOLT

SN: 25001-UP

1шт.

21

01602-21236

WASHER,SPRING

SN: 25001-UP

6шт.

22

01643-31232

WASHER

SN: 25001-UP

6шт.

23

154-54-22741

PLATE

SN: 25001-25400

1шт.

24

01010-51230

BOLT

SN: 25001-25400

3шт.

25

01010-51235

BOLT

SN: 25001-25400

1шт.

26

01602-21236

WASHER

SN: 25001-25400

4шт.

27

01643-31232

WASHER

SN: 25001-25400

4шт.

28

150-54-51231

PLATE

SN: 25001-UP

1шт.

30

01010-51230

BOLT

SN: 25001-UP

5шт.

31

01602-21236

WASHER,SPRING

SN: 25001-26096

5шт.

32

01643-31232

WASHER

SN: 25001-UP

5шт.

33

154-54-22761

PLATE

SN: 25001-UP

1шт.

34

01010-51230

BOLT

SN: 25001-UP

2шт.

35

01010-51290

BOLT

SN: 25001-UP

2шт.

36

01602-21236

WASHER,SPRING

SN: 25001-26096

4шт.

37

01643-31232

WASHER

SN: 25001-UP

4шт.

38

175-54-33231

COVER

SN: 25001-UP

1шт.

39

01010-51230

BOLT

SN: 25001-UP

4шт.

40

01602-21236

WASHER,SPRING

SN: 25001-UP

4шт.

41

150-54-51280

BELLOWS

SN: 25001-UP

2шт.

42

150-54-51270

PLATE

SN: 25001-UP

2шт.

43

01010-51230

BOLT

SN: 25001-UP

8шт.

44

01602-21236

WASHER,SPRING

SN: 25001-UP

8шт.

Выбрано товаров: 0