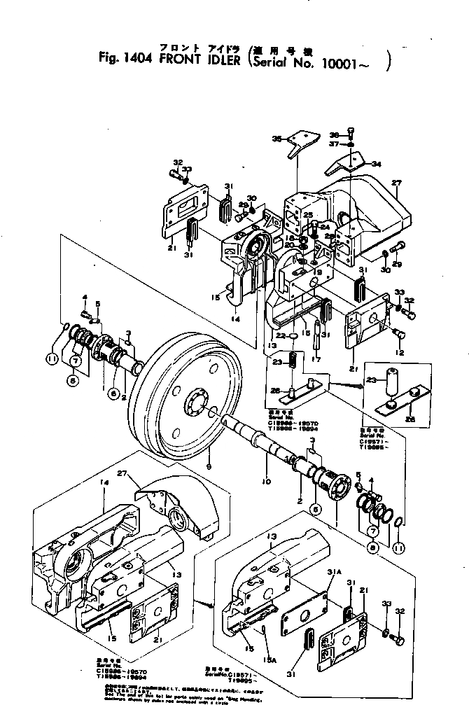
Запчасти Komatsu D80P-12 ПЕРЕДН. ЛЕНИВЕЦ ГУСЕНИЦЫ И ЧАСТИ КОРПУСА

Схема запчастей Komatsu D80P-12 - ПЕРЕДН. ЛЕНИВЕЦ ГУСЕНИЦЫ И ЧАСТИ КОРПУСА
FIT
1:1
100%

Артикул

Название

Примечание

Количество

|1

154-30-00290

FRONT IDLER ASS'Y

SN: .-UP

2шт.

|1

0

FRONT IDLER ASS'Y

SN: 1001-.

2шт.

|1

0

BUSHING ASS'Y

SN: 1001-UP

2шт.

1

0

BUSHING

SN: 1001-UP

1шт.

2

0

BUSHING

SN: 1001-UP

1шт.

3

170-30-91130

PIN

SN: 1001-UP

2шт.

4

01010-31235

BOLT

SN: 1001-UP

16шт.

5

150-30-12151

PLATE

SN: 1001-UP

8шт.

6

07000-05105

O-RING (KIT)

SN: 1001-UP

1шт.

|7

154-30-00830

FLOATING SEAL ASS'Y

SN: .-UP

2шт.

|7

0

FLOATING SEAL ASS'Y

SN: 1001-.

2шт.

7

154-30-00820

SEAL RING ASS'Y

SN: .-UP

1шт.

|7

0

SEAL RING ASS'Y

SN: 1001-.

1шт.

|7

0

RING

SN: .-UP

2шт.

|7

0

RING

SN: 1001-.

2шт.

8

150-30-00370

O-RING ASS'Y

SN: 1001-UP

1шт.

|8

0

O-RING

SN: 1001-UP

2шт.

9

150-30-22116

IDLER

SN: 1001-UP

1шт.

10

154-30-11880

SHAFT

SN: 1001-UP

1шт.

11

07000-03058

O-RING (KIT)

SN: 1001-UP

2шт.

12

07052-11624

PLUG

SN: 1001-UP

1шт.

13

154-30-11982

BRACKET ASS'Y,L.H.

SN: 1001-UP

1шт.

14

154-30-11972

BRACKET ASS'Y,R.H.

SN: 1001-UP

1шт.

15

154-30-11963

PLATE (WELDED)

SN: 1001-UP

1шт.

15A

04020-01228

PIN

SN: 1001-UP

2шт.

17

155-30-13260

BOLT

SN: 1001-UP

2шт.

18

175-30-23180

NUT

SN: 1001-UP

2шт.

19

01602-01648

WASHER

SN: 1001-UP

2шт.

20

01640-01626

WASHER

SN: 1001-UP

2шт.

21

154-30-11682

PLATE

SN: 1001-UP

4шт.

22

195-30-17960

SEAT

SN: 1001-UP

8шт.

23

155-30-13230

SPRING

SN: 1001-UP

8шт.

24

145-30-33290

BOLT

SN: 1001-UP

8шт.

25

01602-01648

WASHER

SN: 1001-UP

8шт.

26

154-30-11561

GUIDE

SN: 1001-UP

4шт.

27

154-30-11495

YOKE

SN: 1001-UP

2шт.

29

01010-32065

BOLT

SN: 1001-UP

16шт.

30

01602-02060

WASHER

SN: 1001-UP

16шт.

31

154-30-11670

SHIM¤ 0.6MM

SN: 1001-UP

120шт.

31A

154-30-12290

SPACER

SN: 1001-UP

4шт.

32

01010-32060

BOLT

SN: 1001-UP

16шт.

33

01602-02060

WASHER

SN: 1001-UP

16шт.

Выбрано товаров: 42