Запчасти Komatsu D80P-18 .KW ГЕНЕРАТОР СИСТЕМА ОПЦИОННЫЕ КОМПОНЕНТЫ

Схема запчастей Komatsu D80P-18 - .KW ГЕНЕРАТОР СИСТЕМА ОПЦИОННЫЕ КОМПОНЕНТЫ
FIT
1:1
100%

Артикул

Название

Примечание

Количество

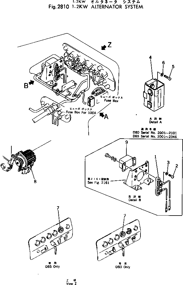
1

198-06-19140

SHUNT

SN: 2001-2101

1шт.

2

01220-40516

SCREW

SN: 2001-2101

2шт.

3

01601-00513

WASHER,SPRING

SN: 2001-2101

2шт.

4

195-06-21810

BOX

SN: 2001-UP

1шт.

4

195-06-21910

FUSE

SN: 2001-UP

1шт.

5

01220-40820

SCREW

SN: 2001-UP

1шт.

6

01602-00825

WASHER,SPRING

SN: 2001-UP

1шт.

7

198-06-19130

AMMETER

SN: 2001-2101

1шт.

8

600-821-8880

ALTERNATOR A.

SN: 2001-UP

1шт.

9

600-824-4930

SAFETY RELAY A.

SN: 2001-UP

1шт.

Выбрано товаров: 0