Запчасти Komatsu D80P-18 ЭЛЕКТРИКА (/) КОМПОНЕНТЫ ДВИГАТЕЛЯ И ЭЛЕКТРИКА

Схема запчастей Komatsu D80P-18 - ЭЛЕКТРИКА (/) КОМПОНЕНТЫ ДВИГАТЕЛЯ И ЭЛЕКТРИКА
FIT
1:1
100%

Артикул

Название

Примечание

Количество

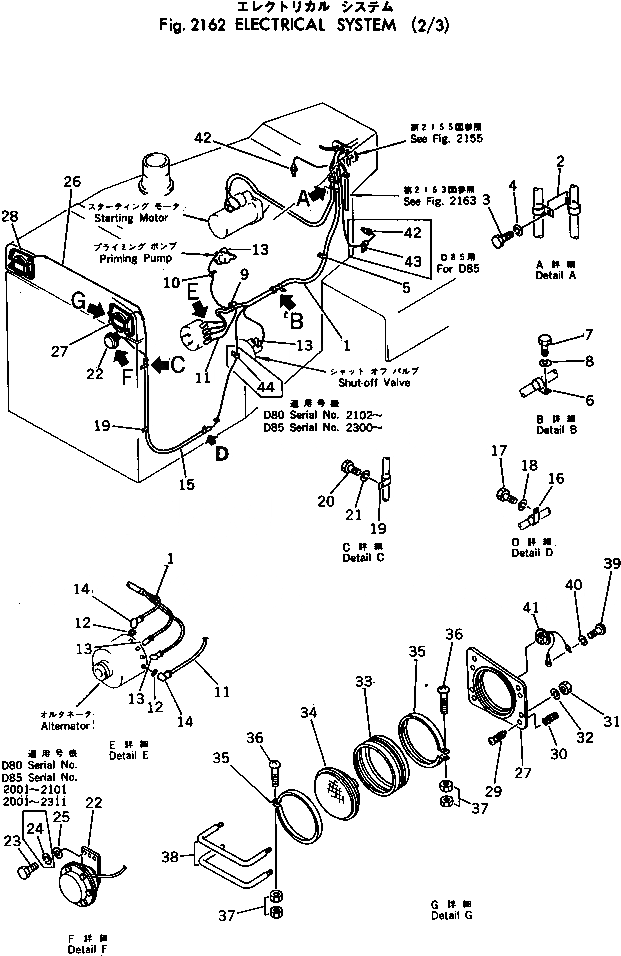
1

154-06-36725

WIRE ASS'Y

SN: 2102-UP

1шт.

1

154-06-36724

WIRE ASS'Y

SN: 2051-2101

1шт.

1

0

WIRE ASS'Y

SN: 2051-2101

1шт.

1

154-06-36721

WIRE ASS'Y

SN: 2001-2050

1шт.

2

08035-02510

CLIP

SN: 2001-UP

2шт.

3

01010-31020

BOLT

SN: 2051-UP

1шт.

3

0

BOLT

SN: 2001-2050

1шт.

4

01643-31032

WASHER

SN: 2051-UP

1шт.

4

01602-01030

WASHER,SPRING

SN: 2001-2050

1шт.

5

08035-02508

CLIP

SN: 2001-UP

1шт.

6

08035-02510

CLIP

SN: 2001-UP

1шт.

7

01010-31016

BOLT

SN: 2001-UP

1шт.

8

01643-31032

WASHER

SN: 2102-UP

1шт.

8

0

WASHER,SPRING

SN: 2001-2101

1шт.

9

08035-02510

CLIP

SN: 2102-UP

1шт.

9

0

CLIP

SN: 2001-2101

1шт.

10

08036-10810

CLIP

SN: 2051-UP

1шт.

10

0

CLAMP

SN: 2001-2050

1шт.

11

175-06-39760

WIRE

SN: 2001-UP

1шт.

12

154-06-36790

WASHER

SN: 2001-UP

2шт.

13

140-06-18260

CAP

SN: 2102-UP

4шт.

13

0

CAP

SN: 2001-2101

4шт.

14

08038-02027

CAP

SN: 2001-UP

2шт.

15

154-06-36750

WIRE ASS'Y

SN: 2001-UP

1шт.

16

08035-01510

CLIP

SN: 2001-UP

1шт.

17

01010-31016

BOLT

SN: 2001-UP

1шт.

18

01643-31032

WASHER

SN: 2102-UP

1шт.

18

0

WASHER,SPRING

SN: 2001-2101

1шт.

19

08035-01512

CLIP

SN: 2001-UP

2шт.

20

01010-31220

BOLT

SN: 2001-UP

2шт.

21

01643-31232

WASHER

SN: 2102-UP

2шт.

21

0

WASHER,SPRING

SN: 2001-2101

2шт.

22

175-06-39170

HORN

SN: 2001-UP

1шт.

23

01010-30820

BOLT

SN: 2001-UP

2шт.

24

01602-00825

WASHER

SN: 2001-UP

2шт.

25

01643-30823

WASHER

SN: 2102-UP

2шт.

25

0

WASHER

SN: 2001-2101

2шт.

26

175-06-37391

WIRE

SN: 2001-UP

1шт.

|$38

154-06-36770

HEAD LAMP ASS'Y,L.H.

SN: 2001-UP

1шт.

|$39

154-06-36780

HEAD LAMP ASS'Y,R.H.

SN: 2001-UP

1шт.

27

144-06-13131

BASE,L.H.

SN: 2001-UP

1шт.

28

144-06-13221

BASE,R.H.

SN: 2001-UP

1шт.

29

131-06-43230

SCREW

SN: 2001-UP

4шт.

30

144-06-13150

SPRING

SN: 2001-UP

4шт.

31

01580-00806

NUT

SN: 2001-UP

4шт.

32

01602-00825

WASHER,SPRING

SN: 2001-UP

4шт.

33

08128-00003

HOLDER

SN: 2001-UP

1шт.

34

08113-02480

BULB, 80W

SN: 2001-UP

1шт.

35

08128-00004

BAND

SN: 2001-UP

2шт.

36

01220-40420

SCREW

SN: 2001-UP

2шт.

37

01580-00403

NUT

SN: 2001-UP

4шт.

38

144-06-13120

GUARD

SN: 2001-UP

2шт.

39

01220-30408

SCREW

SN: 2001-UP

1шт.

40

01601-00410

WASHER

SN: 2001-UP

1шт.

41

175-06-23230

SOCKET

SN: 2001-UP

1шт.

42

08620-00000

SENSOR

SN: 2051-UP

1шт.

42

198-06-11941

SENSOR

SN: .-2050

1шт.

42

0

SENSOR

SN: 2001-.

1шт.

44

08036-10810

CLIP

SN: 2102-UP

1шт.

Выбрано товаров: 0