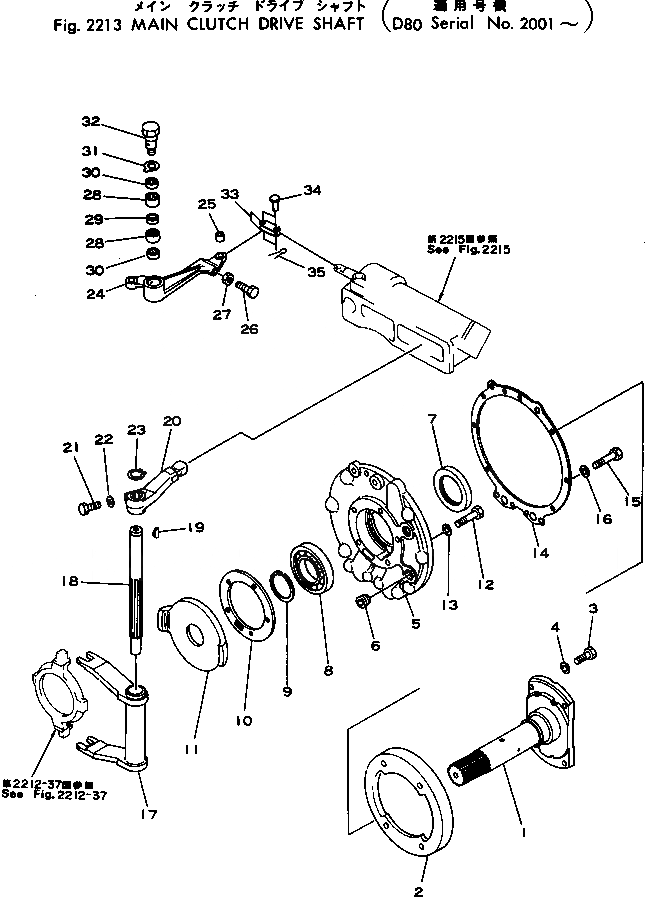
Запчасти Komatsu D80P-18 ОСНОВН. МУФТА ВЕДУЩ. ВАЛ ОСНОВН. МУФТА¤ ГИДРОТРАНСФОРМАТОР И ТРАНСМИССИЯ

Схема запчастей Komatsu D80P-18 - ОСНОВН. МУФТА ВЕДУЩ. ВАЛ ОСНОВН. МУФТА¤ ГИДРОТРАНСФОРМАТОР И ТРАНСМИССИЯ
FIT
1:1
100%

Артикул

Название

Примечание

Количество

1

150-10-11332

SHAFT

SN: 2001-UP

1шт.

2

150-11-13621

DRUM

SN: 2001-UP

1шт.

3

01010-31035

BOLT

SN: 2001-UP

4шт.

4

01602-01030

WASHER,SPRING

SN: 2001-UP

4шт.

|$4

150-10-00122

COVER ASS'Y

SN: 2001-UP

1шт.

5

0

COVER

SN: 2001-UP

1шт.

6

07043-50617

PLUG

SN: 2001-UP

2шт.

7

07012-10085

SEAL,OIL

SN: 2001-UP

1шт.

8

06042-00214

BEARING

SN: 2001-UP

1шт.

9

150-10-11360

RING,SNAP

SN: 2001-UP

1шт.

10

150-10-11382

GASKET

SN: 2001-UP

1шт.

11

150-10-11373

RETAINER

SN: 2001-UP

1шт.

12

01010-31055

BOLT

SN: 2001-UP

5шт.

13

01602-01030

WASHER,SPRING

SN: 2001-UP

5шт.

14

150-10-11351

GASKET

SN: 2001-UP

1шт.

15

01010-31035

BOLT

SN: 2001-UP

4шт.

16

01602-01030

WASHER

SN: 2001-UP

4шт.

17

150-10-21380

YOKE

SN: 2001-UP

1шт.

18

150-11-12420

SHAFT

SN: 2001-UP

1шт.

19

04010-00732

KEY

SN: 2001-UP

1шт.

20

170-10-16263

LEVER

SN: 2001-UP

1шт.

21

01010-31650

BOLT

SN: 2001-UP

1шт.

22

01643-31645

WASHER

SN: 2075-UP

1шт.

22

0

WASHER,SPRING

SN: 2001-2074

1шт.

23

130-09-16420

RING

SN: 2001-UP

1шт.

24

150-10-11741

LEVER

SN: 2001-UP

1шт.

25

170-10-18111

BUSHING

SN: 2001-UP

1шт.

26

01016-30840

BOLT

SN: 2001-UP

1шт.

27

01580-00806

NUT

SN: 2001-UP

1шт.

28

150-10-11710

BEARING

SN: 2001-UP

2шт.

29

150-10-11730

SPACER

SN: 2001-UP

1шт.

30

150-10-11720

SEAL

SN: 2001-UP

2шт.

31

170-10-18150

LOCK

SN: 2001-UP

1шт.

32

150-10-11593

PIN

SN: 2001-UP

1шт.

33

170-10-15380

LINK

SN: 2001-UP

2шт.

34

04205-01232

PIN

SN: 2001-UP

2шт.

35

04050-03020

PIN,COTTER

SN: 2001-UP

2шт.

Выбрано товаров: 37