Запчасти Komatsu D80P-18 СИДЕНЬЕ ОПЕРАТОРА(№-) ЧАСТИ КОРПУСА

Схема запчастей Komatsu D80P-18 - СИДЕНЬЕ ОПЕРАТОРА(№-) ЧАСТИ КОРПУСА
FIT
1:1
100%

Артикул

Название

Примечание

Количество

|$0

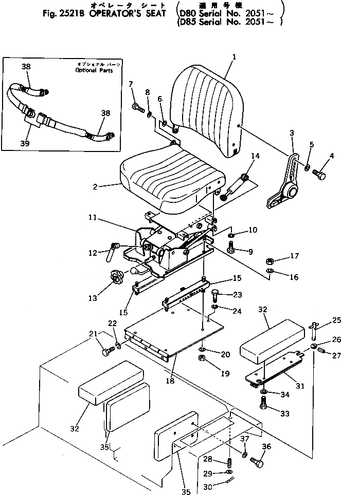
155-57-12105

SEAT ASS'Y

SN: 2051-UP

1шт.

1

155-57-12172

SEAT,BACK

SN: 2051-UP

1шт.

2

155-57-12164

SEAT,CUSHION

SN: 2051-UP

1шт.

3

155-57-12181

LEVER

SN: 2001-UP

1шт.

4

01010-51020

BOLT

SN: 2051-UP

4шт.

5

01602-21030

WASHER,SPRING

SN: 2001-UP

4шт.

6

155-57-12340

SPACER

SN: 2051-UP

1шт.

7

01010-51020

BOLT

SN: 2051-UP

1шт.

8

01602-21030

WASHER,SPRING

SN: 2051-UP

1шт.

9

01010-51020

BOLT

SN: 2001-UP

4шт.

10

01602-21030

WASHER,SPRING

SN: 2001-UP

4шт.

11

155-57-12143

SUSPENSION ASS'Y

SN: 2051-UP

1шт.

12

155-57-12310

HANDLE ASS'Y

SN: 2051-UP

1шт.

13

155-57-12320

KNOB

SN: 2051-UP

1шт.

14

155-57-12330

DAMPER

SN: 2051-UP

1шт.

15

155-57-12150

ADJUSTER

SN: 2051-UP

2шт.

16

01602-21236

WASHER,SPRING

SN: 2001-UP

4шт.

17

01580-11210

NUT

SN: 2001-UP

4шт.

18

154-57-12150

SEAT

SN: 2001-UP

1шт.

19

01580-11210

NUT

SN: 2001-UP

4шт.

20

01602-21236

WASHER,SPRING

SN: 2001-UP

4шт.

21

01010-51225

BOLT

SN: 2001-UP

3шт.

22

01643-31232

WASHER

SN: 2102-UP

3шт.

22

0

WASHER,SPRING

SN: 2001-2101

3шт.

23

01010-51225

BOLT

SN: 2001-UP

2шт.

24

01643-31232

WASHER

SN: 2102-UP

2шт.

24

0

WASHER,SPRING

SN: 2001-2101

2шт.

25

154-57-12131

PIN

SN: 2001-UP

2шт.

26

154-57-12140

WASHER

SN: 2001-UP

2шт.

27

04025-00520

PIN

SN: 2001-UP

2шт.

28

124-960-2160

SPRING

SN: 2001-UP

2шт.

29

01640-21016

WASHER

SN: 2001-UP

2шт.

30

04050-13015

PIN

SN: 2001-UP

2шт.

31

154-57-12111

COVER

SN: 2001-UP

2шт.

32

154-57-12121

REST

SN: 2001-UP

2шт.

33

01010-50825

BOLT

SN: 2001-UP

8шт.

34

01643-30823

WASHER

SN: 2102-UP

8шт.

34

0

WASHER,SPRING

SN: 2001-2101

8шт.

35

195-57-11292

CUSHION

SN: 2001-UP

2шт.

36

01010-50825

BOLT

SN: 2001-UP

8шт.

37

01643-30823

WASHER

SN: 2102-UP

8шт.

37

0

WASHER

SN: 2001-2101

8шт.

38

09409-20000

BELT, TETHER,TETHER

SN: 2001-UP

2шт.

39

09409-10000

BELT,LAP

SN: 2001-UP

1шт.

Выбрано товаров: 44