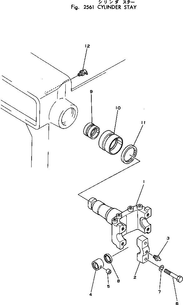
Запчасти Komatsu D80P-18 ОПОРА ЦИЛИНДРА ЧАСТИ КОРПУСА

Схема запчастей Komatsu D80P-18 - ОПОРА ЦИЛИНДРА ЧАСТИ КОРПУСА
FIT
1:1
100%

Артикул

Название

Примечание

Количество

|$0

154-61-00015

YOKE ASS'Y

SN: 2001-UP

2шт.

1

0

YOKE

SN: 2001-UP

1шт.

2

0

CAP

SN: 2001-UP

2шт.

3

07020-00000

FITTING

SN: 2001-UP

2шт.

4

154-61-13246

BUSHING

SN: 2001-UP

2шт.

5

170-70-15190

PIN

SN: 1001-UP

2шт.

6

01010-31885

BOLT

SN: 2001-UP

4шт.

7

01602-01854

WASHER

SN: 1001-UP

4шт.

8

07145-00075

SEAL

SN: 2001-UP

4шт.

9

154-61-13130

BUSHING

SN: 1001-UP

2шт.

10

154-61-13141

BUSHING

SN: 2001-UP

2шт.

11

154-61-13150

SEAL

SN: 1001-UP

2шт.

12

07020-00675

FITTING

SN: 2001-UP

2шт.

Выбрано товаров: 13