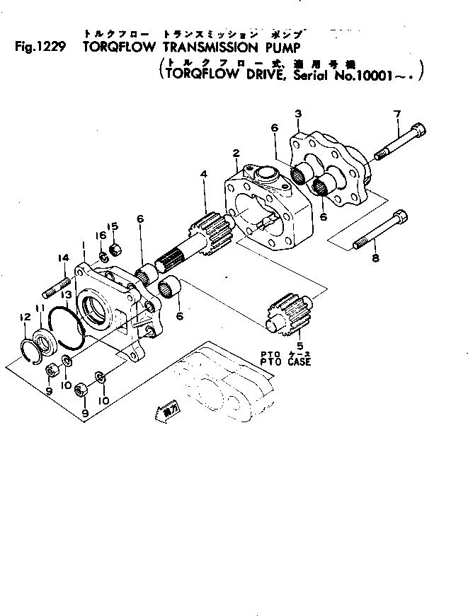
Запчасти Komatsu D85A-12 НАСОС ТРАНСМИССИИ(№-.) ОСНОВН. МУФТА¤ ГИДРОТРАНСФОРМАТОР И ТРАНСМИССИЯ

Схема запчастей Komatsu D85A-12 - НАСОС ТРАНСМИССИИ(№-.) ОСНОВН. МУФТА¤ ГИДРОТРАНСФОРМАТОР И ТРАНСМИССИЯ
FIT
1:1
100%

Артикул

Название

Примечание

Количество

|$0

07433-71101

PUMP ASS'Y

SN: .-..

1шт.

|$1

0

PUMP ASS'Y

SN: 10001-.

1шт.

1

0

BRACKET

SN: .-..

1шт.

1

0

BRACKET

SN: 10001-.

1шт.

2

0

CASE

SN: 10001-@

1шт.

3

07430-31021

HOUSING

SN: .-..

1шт.

3

07430-71030

HOUSING

SN: 10001-.

1шт.

|$7

07433-70040

GEAR ASS'Y

SN: 10001-..

1шт.

4

0

GEAR,DRIVE

SN: 10001-..

1шт.

5

0

GEAR,DRIVEN

SN: 10001-..

1шт.

6

0

BEARING

SN: .-..

4шт.

6

0

BEARING

SN: 10001-.

4шт.

7

0

BOLT

SN: 10001-@

2шт.

8

01050-31295

BOLT

SN: 10001-..

6шт.

9

01582-01210

NUT

SN: 10001-..

8шт.

10

01602-11236

WASHER

SN: 10001-..

8шт.

11

07430-71160

SEAL (KIT)

SN: 10001-@

1шт.

12

04065-04518

RING

SN: 10001-@

1шт.

13

07000-03075

O-RING (KIT)

SN: 10001-@

1шт.

14

01140-41030

STUD

SN: 10001-@

4шт.

15

01500-31008

NUT

SN: 10001-@

4шт.

16

01602-11030

WASHER

SN: 10001-@

4шт.

Выбрано товаров: 22