Запчасти Komatsu D85A-12 РАЗГРУЗ. КЛАПАН РАБОЧЕЕ ОБОРУДОВАНИЕ И ITS СИСТЕМА УПРАВЛЕНИЯ

Схема запчастей Komatsu D85A-12 - РАЗГРУЗ. КЛАПАН РАБОЧЕЕ ОБОРУДОВАНИЕ И ITS СИСТЕМА УПРАВЛЕНИЯ
FIT
1:1
100%

Артикул

Название

Примечание

Количество

|1

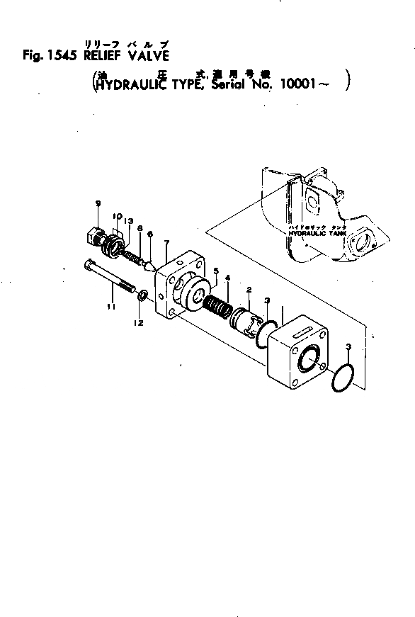
154-60-01070

RELIEF VALVE ASS'Y

SN: H10001-UP

1шт.

1

0

BODY

SN: H10001-UP

1шт.

2

0

VALVE

SN: H10001-UP

1шт.

3

07000-13045

O-RING (KIT)

SN: H10001-UP

2шт.

4

154-60-11280

SPRING

SN: H10001-UP

1шт.

|5

154-60-01160

SEAT ASS'Y

SN: H10001-UP

1шт.

5

0

SEAT,VALVE

SN: H10001-UP

1шт.

6

0

POPPET

SN: H10001-UP

1шт.

7

154-60-11271

CASE

SN: H10001-UP

1шт.

8

154-60-12520

SPRING

SN: H10001-UP

1шт.

9

154-60-12530

PLUG

SN: H10001-UP

1шт.

10

154-60-01150

SHIM ASS'Y

SN: H10001-UP

1шт.

|10

0

SHIM¤ 0.3MM

SN: H10001-UP

3шт.

|10

0

SHIM¤ 0.2MM

SN: H10001-UP

9шт.

|10

0

SHIM¤ 0.8MM

SN: H10001-UP

1шт.

|10

0

SHIM¤ 0.5MM

SN: H10001-UP

1шт.

11

01011-31200

BOLT

SN: H10001-UP

4шт.

12

01602-01236

WASHER

SN: H10001-UP

4шт.

13

154-60-12580

SHIM¤ 0.2MM

SN: H10001-UP

5шт.

Выбрано товаров: 19