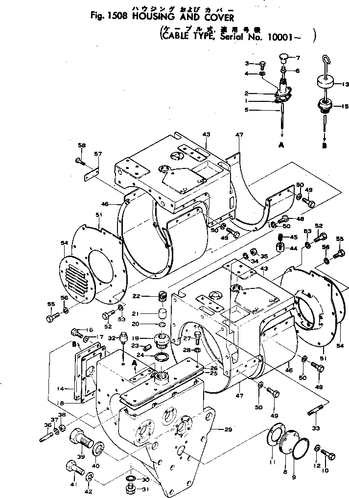
Запчасти Komatsu D85A-12 КОЖУХ И КРЫШКА(КАБЕЛЬ ТИП)(№-) РАБОЧЕЕ ОБОРУДОВАНИЕ И ITS СИСТЕМА УПРАВЛЕНИЯ

Схема запчастей Komatsu D85A-12 - КОЖУХ И КРЫШКА(КАБЕЛЬ ТИП)(№-) РАБОЧЕЕ ОБОРУДОВАНИЕ И ITS СИСТЕМА УПРАВЛЕНИЯ
FIT
1:1
100%

Артикул

Название

Примечание

Количество

1

150-14-13320

GASKET (KIT)

SN: M4001-UP

1шт.

2

150-67-13230

TUBE

SN: M4001-UP

1шт.

3

01010-30820

BOLT

SN: M14660-UP

2шт.

|3

01000-30820

BOLT

SN: M4001-14659

2шт.

4

01602-00825

WASHER

SN: M4001-UP

2шт.

|5

150-65-00290

LEVEL GAUGE ASS'Y

SN: M4001-UP

1шт.

5

0

GAUGE

SN: M4001-UP

1шт.

6

0

KNOB (WELDED)

SN: M4001-UP

1шт.

7

150-14-13180

CAP

SN: M4001-UP

1шт.

8

150-67-13210

COVER

SN: M4001-UP

1шт.

9

150-67-13220

O-RING (KIT)

SN: M4001-UP

1шт.

10

01010-31030

BOLT

SN: M4001-UP

3шт.

11

150-65-11140

GASKET (KIT)

SN: M4001-UP

1шт.

12

01602-01030

WASHER

SN: M7288-UP

3шт.

13

150-65-13211

GAUGE

SN: M7503-UP

1шт.

14

150-67-13111

COVER

SN: M4960-UP

1шт.

15

150-67-13120

PLUG

SN: M4001-UP

1шт.

16

01010-31020

BOLT

SN: M4960-UP

10шт.

17

01602-01030

WASHER

SN: M4960-UP

10шт.

18

150-65-13111

GASKET (KIT)

SN: M4960-UP

1шт.

|19

150-65-00566

CAP ASS'Y

SN: M14660-UP

1шт.

|19

0

CAP ASS'Y

SN: M4001-14659

1шт.

19

0

CAP

SN: M4001-UP

1шт.

20

0

WASHER

SN: M4001-UP

1шт.

21

0

ELEMENT

SN: M4001-UP

1шт.

22

0

BOLT

SN: M4001-UP

1шт.

23

0

SCREW

SN: M14660-UP

1шт.

|23

0

SCREW

SN: M4001-14659

1шт.

24

0

GASKET (KIT)

SN: M4001-UP

1шт.

25

150-67-12511

GASKET (KIT)

SN: M4001-UP

1шт.

26

150-67-12521

COVER

SN: M4001-UP

1шт.

27

01010-31025

BOLT

SN: M4001-UP

8шт.

28

01602-01030

WASHER

SN: M4001-UP

8шт.

|29

154-65-00581

GEAR CASE ASS'Y

SN: M14660-UP

1шт.

|29

0

GEAR CASE ASS'Y

SN: M7505-14659

1шт.

29

150-67-12112

CASE

SN: M4960-UP

1шт.

30

07000-03032

O-RING (KIT)

SN: M7505-UP

2шт.

31

07044-13620

PLUG

SN: M14660-UP

2шт.

|31

07044-03620

PLUG

SN: M4001-14659

2шт.

32

07030-00252

BREATHER

SN: M4001-UP

1шт.

33

01120-31840

STUD

SN: M4960-UP

16шт.

34

01602-01854

WASHER

SN: M4960-UP

16шт.

35

01582-01815

NUT

SN: M14660-UP

16шт.

|35

01500-31816

NUT

SN: M4960-14659

16шт.

36

01120-31430

STUD

SN: M4960-UP

14шт.

37

01602-01442

WASHER

SN: M1001-UP

14шт.

38

01582-01411

NUT

SN: M14660-UP

14шт.

|38

01500-31411

NUT

SN: M2583-14659

14шт.

39

01010-63375

BOLT

SN: M14660-UP

2шт.

|39

01040-63375

BOLT

SN: M4960-14659

2шт.

40

01601-03382

WASHER

SN: M1001-UP

2шт.

41

01010-32050

BOLT

SN: M14660-UP

6шт.

|41

01040-32050

BOLT

SN: M10011-14659

6шт.

|41

01040-32055

BOLT

SN: M4960-10010

6шт.

42

01602-02060

WASHER

SN: M1001-UP

6шт.

|43

154-65-00141

DRUM COVER ASS'Y,L.H.

SN: M14660-UP

1шт.

|43

154-65-00140

DRUM COVER ASS'Y,L.H.

SN: M10001-14659

1шт.

|43

154-65-00151

DRUM COVER ASS'Y,R.H.

SN: M14660-UP

1шт.

|43

154-65-00150

DRUM COVER ASS'Y,R.H.

SN: M10001-14659

1шт.

43

150-65-23263

COVER,L.H.

SN: M10001-UP

1шт.

|43

150-65-23253

COVER,R.H.

SN: M10001-UP

1шт.

44

150-65-15641

BUSHING

SN: M1001-UP

1шт.

45

01320-30408

SCREW

SN: M14660-UP

1шт.

|45

01320-00408

SCREW

SN: M2583-14659

1шт.

46

150-65-25121

COVER,L.H.

SN: M4733-UP

1шт.

|46

150-65-25111

COVER,R.H.

SN: M4733-UP

1шт.

47

150-65-15322

COVER,L.H.

SN: M10001-UP

1шт.

|47

150-65-15312

COVER,R.H.

SN: M10001-UP

1шт.

48

01010-31020

BOLT

SN: M4001-UP

8шт.

49

01010-31020

BOLT

SN: M4960-UP

24шт.

50

01643-01032

WASHER

SN: M7503-UP

32шт.

|50

01602-01030

WASHER

SN: M4001-UP

32шт.

51

150-65-15234

COVER,L.H.

SN: M4733-UP

1шт.

|51

150-65-15224

COVER,R.H.

SN: M4733-UP

1шт.

52

01010-31025

BOLT

SN: M4733-UP

18шт.

53

01643-01032

WASHER

SN: M7503-UP

18шт.

|53

01602-01030

WASHER

SN: M4733-UP

18шт.

54

150-65-15240

COVER

SN: M4733-UP

2шт.

55

01010-30816

BOLT

SN: M14660-UP

16шт.

|55

01000-30816

BOLT

SN: M4733-14659

16шт.

56

01602-00825

WASHER

SN: M4733-UP

16шт.

57

09601-00835

PLATE¤ NAME,(LIMITED SUPPLY)

SN: .-UP

1шт.

|57

150-65-17320

PLATE¤ NAME,(LIMITED SUPPLY)

SN: M4001-.

1шт.

58

04418-03060

SCREW

SN: .-UP

4шт.

|58

04418-03060

SCREW

SN: M4960-.

2шт.

Выбрано товаров: 85