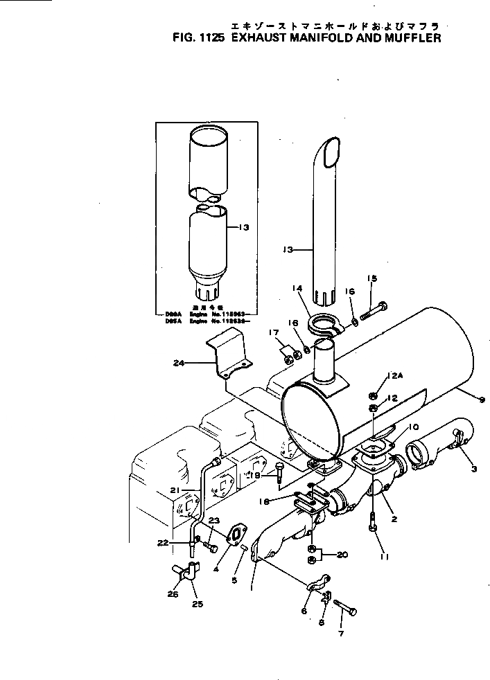
Запчасти Komatsu NH-220-CI-2L ВЫПУСКНОЙ КОЛЛЕКТОР И ГЛУШИТЕЛЬ ГОЛОВКА ЦИЛИНДРОВ

Схема запчастей Komatsu NH-220-CI-2L - ВЫПУСКНОЙ КОЛЛЕКТОР И ГЛУШИТЕЛЬ ГОЛОВКА ЦИЛИНДРОВ
FIT
1:1
100%

Артикул

Название

Примечание

Количество

1

6691-11-5131

MANIFOLD,EXHAUST¤ REAR

SN: .-UP

1шт.

|1

0

MANIFOLD,EXHAUST¤ REAR

SN: 100101-.

1шт.

2

6643-11-5120

MANIFOLD,EXHAUST¤ CENTER

SN: 100101-UP

1шт.

3

6643-11-5110

MANIFOLD,EXHAUST¤ FRONT

SN: 100101-UP

1шт.

4

6620-11-5810

GASKET (K1)

SN: 100101-UP

6шт.

5

6610-11-1420

PIN,DOWEL

SN: 100101-UP

6шт.

6

6610-11-5211

CLAMP

SN: 100101-UP

6шт.

7

6610-11-5350

BOLT

SN: 100101-UP

12шт.

8

6610-11-5220

PLATE,LOCK (K1)

SN: 100101-UP

12шт.

9

6691-11-5790

MUFFLER

SN: .-UP

1шт.

|9

0

MUFFLER

SN: 144097-.

1шт.

|9

0

MUFFLER

SN: 125901-144096

1шт.

|9

0

MUFFLER

SN: 118539-125900

1шт.

|9

0

MUFFLER

SN: 101644-118538

1шт.

|9

0

MUFFLER

SN: 100101-101643

1шт.

10

6643-11-5750

GASKET (K2)

SN: 100101-UP

1шт.

11

01050-61245

BOLT

SN: 100101-UP

4шт.

12

6685-11-5550

NUT,LOCK

SN: 100101-UP

4шт.

12A

01582-21210

NUT,LOCK

SN: 100101-UP

4шт.

13

6691-11-5862

PIPE,EXHAUST

SN: 118539-UP

1шт.

|13

6691-11-5730

PIPE,EXHAUST

SN: 100101-118538

1шт.

14

6691-11-5740

CLAMP

SN: 100101-UP

1шт.

15

01051-31415

BOLT

SN: 100101-UP

1шт.

16

01641-21423

WASHER

SN: 100101-UP

2шт.

17

01582-21411

NUT

SN: 100101-UP

2шт.

18

6691-11-5750

SHIM ASS'Y

SN: 100101-UP

2шт.

|18

6691-11-5760

SHIM¤ 0.5MM

SN: 100101-UP

1шт.

|18

6691-11-5770

SHIM¤ 0.3MM

SN: 100101-UP

2шт.

|18

6691-11-5780

SHIM¤ 0.2MM

SN: 100101-UP

2шт.

19

01050-31045

BOLT

SN: 100101-UP

4шт.

20

01582-01008

NUT

SN: 100101-UP

8шт.

21

6691-11-5640

PIPE,DRAIN

SN: 125901-UP

1шт.

22

6131-11-5660

CLAMP

SN: 125901-UP

1шт.

23

02010-30422

BOLT

SN: 125901-UP

1шт.

24

6667-15-5970

PLATE,BAFFLE

SN: 125901-UP

1шт.

25

07270-00850

TUBE,DRAIN

SN: 125901-UP

1шт.

26

6610-21-5730

CLAMP

SN: 125901-UP

1шт.

1

6691-11-5131

MANIFOLD,EXHAUST¤ REAR

SN: .-UP

1шт.

|1

0

MANIFOLD,EXHAUST¤ REAR

SN: 100101-.

1шт.

2

6643-11-5120

MANIFOLD,EXHAUST¤ CENTER

SN: 100101-UP

1шт.

3

6643-11-5110

MANIFOLD,EXHAUST¤ FRONT

SN: 100101-UP

1шт.

4

6620-11-5810

GASKET (K1)

SN: 100101-UP

6шт.

5

6610-11-1420

PIN,DOWEL

SN: 100101-UP

6шт.

6

6610-11-5211

CLAMP

SN: 100101-UP

6шт.

7

6610-11-5350

BOLT

SN: 100101-UP

12шт.

8

6610-11-5220

PLATE,LOCK (K1)

SN: 100101-UP

12шт.

9

6691-11-5790

MUFFLER

SN: .-UP

1шт.

|9

0

MUFFLER

SN: 144097-.

1шт.

|9

0

MUFFLER

SN: 125901-144096

1шт.

|9

0

MUFFLER

SN: 118539-125900

1шт.

|9

0

MUFFLER

SN: 101644-118538

1шт.

|9

0

MUFFLER

SN: 100101-101643

1шт.

10

6643-11-5750

GASKET (K2)

SN: 100101-UP

1шт.

11

01050-61245

BOLT

SN: 100101-UP

4шт.

12

6685-11-5550

NUT,LOCK

SN: 100101-UP

4шт.

12A

01582-21210

NUT,LOCK

SN: 100101-UP

4шт.

13

6691-11-5862

PIPE,EXHAUST

SN: 118539-UP

1шт.

|13

6691-11-5730

PIPE,EXHAUST

SN: 100101-118538

1шт.

14

6691-11-5740

CLAMP

SN: 100101-UP

1шт.

15

01051-31415

BOLT

SN: 100101-UP

1шт.

16

01641-21423

WASHER

SN: 100101-UP

2шт.

17

01582-21411

NUT

SN: 100101-UP

2шт.

18

6691-11-5750

SHIM ASS'Y

SN: 100101-UP

2шт.

|18

6691-11-5760

SHIM¤ 0.5MM

SN: 100101-UP

1шт.

|18

6691-11-5770

SHIM¤ 0.3MM

SN: 100101-UP

2шт.

|18

6691-11-5780

SHIM¤ 0.2MM

SN: 100101-UP

2шт.

19

01050-31045

BOLT

SN: 100101-UP

4шт.

20

01582-01008

NUT

SN: 100101-UP

8шт.

21

6691-11-5640

PIPE,DRAIN

SN: 125901-UP

1шт.

22

6131-11-5660

CLAMP

SN: 125901-UP

1шт.

23

02010-30422

BOLT

SN: 125901-UP

1шт.

24

6667-15-5970

PLATE,BAFFLE

SN: 125901-UP

1шт.

25

07270-00850

TUBE,DRAIN

SN: 125901-UP

1шт.

26

6610-21-5730

CLAMP

SN: 125901-UP

1шт.

Выбрано товаров: 74