Запчасти Komatsu NH-220-CI-2L ТОЛКАТЕЛЬ КЛАПАНА И PUSH ROD БЛОК ЦИЛИНДРОВ

Схема запчастей Komatsu NH-220-CI-2L - ТОЛКАТЕЛЬ КЛАПАНА И PUSH ROD БЛОК ЦИЛИНДРОВ
FIT
1:1
100%

Артикул

Название

Примечание

Количество

|$0

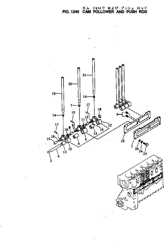
6610-41-2010

HOUSING ASS'Y,CAM FOLLOWER

SN: 100101-UP

3шт.

|$1

6610-41-2020

HOUSING ASS'Y,CAM FOLLOWER

SN: 100101-UP

1шт.

1

6610-41-2111

HOUSING,CAM FOLLOWER

SN: 100101-UP

1шт.

2

6710-41-2130

PLUG,EXPANSION

SN: 100101-UP

2шт.

3

6610-41-2120

SCREW

SN: 100101-UP

2шт.

4

6610-41-2140

SHAFT,ROCKER LEVER

SN: 100101-UP

2шт.

|$6

6610-41-2050

LEVER ASS'Y,INJECTOR CAM

SN: 100101-UP

2шт.

|$7

6610-41-2060

LEVER ASS'Y

SN: 100101-UP

1шт.

5

0

LEVER,INJECTOR CAM

SN: 100101-UP

1шт.

6

0

BUSHING

SN: 100101-UP

1шт.

7

6610-41-2330

SOCKET,LEVER

SN: 100101-UP

1шт.

|$11

6610-41-3040

PIN ASS'Y

SN: 100101-UP

1шт.

8

0

PIN,ROLLER

SN: 100101-UP

1шт.

9

6610-41-2360

PLUG

SN: 100101-UP

1шт.

10

6610-41-2370

PIN,ROLLER

SN: 100101-UP

1шт.

11

6610-41-2440

ROLLER,INJECTOR CAM

SN: 100101-UP

1шт.

|$16

6610-41-2030

LEVER ASS'Y,INTAKE AND EXHAUST

SN: 100101-UP

4шт.

|$17

6610-41-2040

LEVER ASS'Y

SN: 100101-UP

1шт.

12

0

LEVER,VALVE CAM

SN: 100101-UP

1шт.

13

0

BUSHING

SN: 100101-UP

1шт.

14

6610-41-2330

SOCKET,LEVER

SN: 100101-UP

1шт.

|$21

6610-41-3050

PIN ASS'Y

SN: 100101-UP

1шт.

15

0

PIN,ROLLER

SN: 100101-UP

1шт.

16

6610-41-2360

PLUG

SN: 100101-UP

1шт.

17

6610-41-2370

PIN,ROLLER

SN: 100101-UP

1шт.

18

6610-41-2340

ROLLER,VALVE CAM

SN: 100101-UP

1шт.

19

6710-41-3200

ROD,EXHAUST

SN: 106955-UP

6шт.

19

6610-41-3200

ROD,EXHAUST

SN: 100101-106954

6шт.

20

6610-41-3300

ROD,INJECTOR

SN: 100101-UP

6шт.

21

6710-41-3100

ROD,INTAKE

SN: 106955-UP

6шт.

21

0

ROD,INTAKE

SN: 100101-106954

6шт.

|$31

6610-41-2081

GASKET ASS'Y (K2)

SN: 159720-UP

1шт.

|$32

0

GASKET ASS'Y (K2)

SN: 100101-159719

1шт.

22

6610-41-2810

GASKET, 0.80MM (K2)

SN: 100101-UP

3шт.

22

6610-41-2820

GASKET, 0.38MM (K2)

SN: 100101-UP

3шт.

22

6610-41-2830

GASKET, 0.18MM (K2)

SN: 112965-UP

9шт.

22

6610-41-2830

GASKET, 0.18MM (K2)

SN: 100101-112964

3шт.

22

6610-41-2840

GASKET, 0.38MM (K2)

SN: 159720-UP

3шт.

23

02030-20625

BOLT

SN: 100101-UP

18шт.

24

02310-11224

WASHER,SPRING

SN: 100101-UP

18шт.

25

02300-01320

WASHER

SN: 100101-UP

18шт.

|$0

6610-41-2010

HOUSING ASS'Y,CAM FOLLOWER

SN: 100101-UP

3шт.

|$1

6610-41-2020

HOUSING ASS'Y,CAM FOLLOWER

SN: 100101-UP

1шт.

1

6610-41-2111

HOUSING,CAM FOLLOWER

SN: 100101-UP

1шт.

2

6710-41-2130

PLUG,EXPANSION

SN: 100101-UP

2шт.

3

6610-41-2120

SCREW

SN: 100101-UP

2шт.

4

6610-41-2140

SHAFT,ROCKER LEVER

SN: 100101-UP

2шт.

|$6

6610-41-2050

LEVER ASS'Y,INJECTOR CAM

SN: 100101-UP

2шт.

|$7

6610-41-2060

LEVER ASS'Y

SN: 100101-UP

1шт.

5

0

LEVER,INJECTOR CAM

SN: 100101-UP

1шт.

6

0

BUSHING

SN: 100101-UP

1шт.

7

6610-41-2330

SOCKET,LEVER

SN: 100101-UP

1шт.

|$11

6610-41-3040

PIN ASS'Y

SN: 100101-UP

1шт.

8

0

PIN,ROLLER

SN: 100101-UP

1шт.

9

6610-41-2360

PLUG

SN: 100101-UP

1шт.

10

6610-41-2370

PIN,ROLLER

SN: 100101-UP

1шт.

11

6610-41-2440

ROLLER,INJECTOR CAM

SN: 100101-UP

1шт.

|$16

6610-41-2030

LEVER ASS'Y,INTAKE AND EXHAUST

SN: 100101-UP

4шт.

|$17

6610-41-2040

LEVER ASS'Y

SN: 100101-UP

1шт.

12

0

LEVER,VALVE CAM

SN: 100101-UP

1шт.

13

0

BUSHING

SN: 100101-UP

1шт.

14

6610-41-2330

SOCKET,LEVER

SN: 100101-UP

1шт.

|$21

6610-41-3050

PIN ASS'Y

SN: 100101-UP

1шт.

15

0

PIN,ROLLER

SN: 100101-UP

1шт.

16

6610-41-2360

PLUG

SN: 100101-UP

1шт.

17

6610-41-2370

PIN,ROLLER

SN: 100101-UP

1шт.

18

6610-41-2340

ROLLER,VALVE CAM

SN: 100101-UP

1шт.

19

6710-41-3200

ROD,EXHAUST

SN: 106955-UP

6шт.

19

6610-41-3200

ROD,EXHAUST

SN: 100101-106954

6шт.

20

6610-41-3300

ROD,INJECTOR

SN: 100101-UP

6шт.

21

6710-41-3100

ROD,INTAKE

SN: 106955-UP

6шт.

21

0

ROD,INTAKE

SN: 100101-106954

6шт.

|$31

6610-41-2081

GASKET ASS'Y (K2)

SN: 159720-UP

1шт.

|$32

0

GASKET ASS'Y (K2)

SN: 100101-159719

1шт.

22

6610-41-2810

GASKET, 0.80MM (K2)

SN: 100101-UP

3шт.

22

6610-41-2820

GASKET, 0.38MM (K2)

SN: 100101-UP

3шт.

22

6610-41-2830

GASKET, 0.18MM (K2)

SN: 112965-UP

9шт.

22

6610-41-2830

GASKET, 0.18MM (K2)

SN: 100101-112964

3шт.

22

6610-41-2840

GASKET, 0.38MM (K2)

SN: 159720-UP

3шт.

23

02030-20625

BOLT

SN: 100101-UP

18шт.

24

02310-11224

WASHER,SPRING

SN: 100101-UP

18шт.

25

02300-01320

WASHER

SN: 100101-UP

18шт.

Выбрано товаров: 82