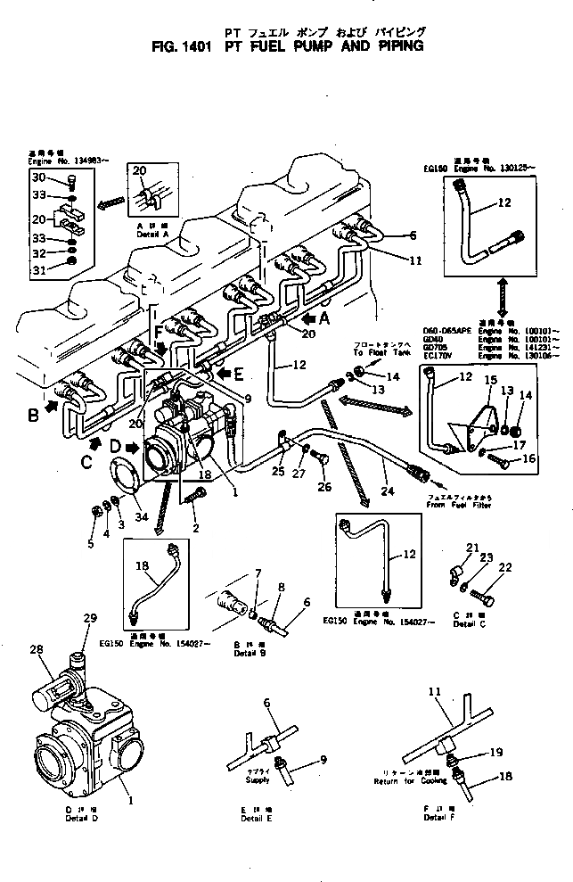
Запчасти Komatsu NH-220-CI-2L PT ТОПЛИВН. НАСОС И ТРУБЫ ТОПЛИВН. СИСТЕМА

Схема запчастей Komatsu NH-220-CI-2L - PT ТОПЛИВН. НАСОС И ТРУБЫ ТОПЛИВН. СИСТЕМА
FIT
1:1
100%

Артикул

Название

Примечание

Количество

1

6691-70-1003

PT FUEL PUMP ASS'Y,(GR-J036)

SN: 101518-UP

1шт.

1

6691-70-1002

PT FUEL PUMP ASS'Y,(GR-J036)

SN: 100101-101517

1шт.

2

02010-20744

BOLT

SN: 100101-UP

3шт.

2

6600-01-2280

BOLT

SN: 100101-UP

1шт.

3

02300-11520

WASHER

SN: 100101-UP

4шт.

4

02310-11428

WASHER,SPRING

SN: 100101-UP

4шт.

5

02206-10707

NUT

SN: 100101-UP

4шт.

|$7

6643-71-8010

MANIFOLD ASS'Y,FUEL SUPPLY

SN: 100101-UP

1шт.

6

6623-71-8150

MANIFOLD

SN: 100101-UP

1шт.

7

6610-71-8180

FERRULE

SN: 100101-UP

6шт.

8

6610-71-8160

NUT

SN: 100101-UP

6шт.

9

6676-73-8111

TUBE,FUEL SUPPLY

SN: 100101-UP

1шт.

11

6623-71-8212

MANIFOLD

SN: 101518-UP

1шт.

11

6623-71-8211

MANIFOLD

SN: 100101-101517

1шт.

12

6691-71-9413

TUBE

SN: 101518-UP

1шт.

12

6691-71-9412

TUBE

SN: 100101-101517

1шт.

13

01602-02268

WASHER,SPRING

SN: 100101-UP

1шт.

14

01583-02213

NUT

SN: 100101-UP

1шт.

15

6691-21-6591

BRACKET

SN: 100101-UP

1шт.

16

02030-30616

BOLT

SN: 100101-UP

2шт.

17

02310-11224

WASHER,SPRING

SN: 100101-UP

2шт.

18

6610-71-8290

TUBE

SN: 101518-UP

1шт.

19

6610-71-8340

CONNECTOR

SN: 101518-UP

1шт.

20

6610-71-8250

CLIP

SN: .-UP

4шт.

20

6610-71-8251

CLIP

SN: 100101-.

2шт.

21

6610-71-8240

CLIP

SN: 100101-UP

3шт.

22

02030-20616

BOLT

SN: 100101-UP

3шт.

23

02310-11224

WASHER,SPRING

SN: 100101-UP

3шт.

24

6623-71-9551

HOSE

SN: 100101-UP

1шт.

28

08684-00148

METER,SERVICE

SN: .-UP

1шт.

28

0

METER,SERVICE

SN: 100101-.

1шт.

29

6130-81-5290

CAP

SN: .-UP

1шт.

29

0

CAP

SN: 100101-.

1шт.

30

02010-20425

BOLT

SN: 134983-UP

2шт.

31

02205-10406

NUT

SN: 134983-UP

2шт.

32

02310-10916

WASHER,SPRING

SN: 134983-UP

2шт.

33

02300-10920

WASHER

SN: 134983-UP

4шт.

34

6610-71-7821

GASKET (K6)

SN: 100101-UP

1шт.

1

6691-70-1003

PT FUEL PUMP ASS'Y,(GR-J036)

SN: 101518-UP

1шт.

1

6691-70-1002

PT FUEL PUMP ASS'Y,(GR-J036)

SN: 100101-101517

1шт.

2

02010-20744

BOLT

SN: 100101-UP

3шт.

2

6600-01-2280

BOLT

SN: 100101-UP

1шт.

3

02300-11520

WASHER

SN: 100101-UP

4шт.

4

02310-11428

WASHER,SPRING

SN: 100101-UP

4шт.

5

02206-10707

NUT

SN: 100101-UP

4шт.

|$7

6643-71-8010

MANIFOLD ASS'Y,FUEL SUPPLY

SN: 100101-UP

1шт.

6

6623-71-8150

MANIFOLD

SN: 100101-UP

1шт.

7

6610-71-8180

FERRULE

SN: 100101-UP

6шт.

8

6610-71-8160

NUT

SN: 100101-UP

6шт.

9

6676-73-8111

TUBE,FUEL SUPPLY

SN: 100101-UP

1шт.

11

6623-71-8212

MANIFOLD

SN: 101518-UP

1шт.

11

6623-71-8211

MANIFOLD

SN: 100101-101517

1шт.

12

6691-71-9413

TUBE

SN: 101518-UP

1шт.

12

6691-71-9412

TUBE

SN: 100101-101517

1шт.

13

01602-02268

WASHER,SPRING

SN: 100101-UP

1шт.

14

01583-02213

NUT

SN: 100101-UP

1шт.

15

6691-21-6591

BRACKET

SN: 100101-UP

1шт.

16

02030-30616

BOLT

SN: 100101-UP

2шт.

17

02310-11224

WASHER,SPRING

SN: 100101-UP

2шт.

18

6610-71-8290

TUBE

SN: 101518-UP

1шт.

19

6610-71-8340

CONNECTOR

SN: 101518-UP

1шт.

20

6610-71-8250

CLIP

SN: .-UP

4шт.

20

6610-71-8251

CLIP

SN: 100101-.

2шт.

21

6610-71-8240

CLIP

SN: 100101-UP

3шт.

22

02030-20616

BOLT

SN: 100101-UP

3шт.

23

02310-11224

WASHER,SPRING

SN: 100101-UP

3шт.

24

6623-71-9551

HOSE

SN: 100101-UP

1шт.

28

08684-00148

METER,SERVICE

SN: .-UP

1шт.

28

0

METER,SERVICE

SN: 100101-.

1шт.

29

6130-81-5290

CAP

SN: .-UP

1шт.

29

0

CAP

SN: 100101-.

1шт.

30

02010-20425

BOLT

SN: 134983-UP

2шт.

31

02205-10406

NUT

SN: 134983-UP

2шт.

32

02310-10916

WASHER,SPRING

SN: 134983-UP

2шт.

33

02300-10920

WASHER

SN: 134983-UP

4шт.

34

6610-71-7821

GASKET (K6)

SN: 100101-UP

1шт.

Выбрано товаров: 76