Запчасти Komatsu NH-220-CI-2L ВОЗДУХООЧИСТИТЕЛЬ ГОЛОВКА ЦИЛИНДРОВ

Схема запчастей Komatsu NH-220-CI-2L - ВОЗДУХООЧИСТИТЕЛЬ ГОЛОВКА ЦИЛИНДРОВ
FIT
1:1
100%

Артикул

Название

Примечание

Количество

|$0

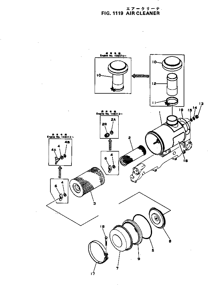
6691-80-7101

AIR CLEANER ASS'Y

SN: 146413-UP

1шт.

|$1

0

AIR CLEANER ASS'Y

SN: 100101-146412

1шт.

|$2

6691-81-7101

AIR CLEANER ASS'Y

SN: 146413-UP

1шт.

|$3

0

AIR CLEANER ASS'Y

SN: 100101-146412

1шт.

1

6691-81-7110

BODY

SN: 100101-UP

1шт.

|$5

6691-80-7212

ELEMENT ASS'Y

SN: 146413-UP

1шт.

|$6

6691-80-7211

ELEMENT ASS'Y

SN: 114951-146412

1шт.

|$7

0

ELEMENT ASS'Y

SN: 100101-114950

1шт.

|$$9

(6691-80-7211,600-181-4581)

-1шт.

2

0

ELEMENT,INNER

SN: 100101-UP

1шт.

2A

600-181-7511

WASHER,SEAL

SN: 146413-UP

1шт.

2B

600-181-9671

NUT

SN: 146413-UP

1шт.

|$12

600-181-3300

ELEMENT ASS'Y,OUTER

SN: 146413-UP

1шт.

3

0

ELEMENT,OUTER

SN: 100101-UP

1шт.

4

600-181-4591

WASHER,SEAL

SN: 146413-UP

1шт.

4

600-181-4591

WASHER,SEAL

SN: 114951-146412

2шт.

4

0

WASHER,SEAL

SN: 100101-114950

2шт.

|$$18

(600-181-4591,600-181-4581)

-1шт.

4A

600-181-1990

NUT,WING

SN: 146413-UP

1шт.

4B

04064-01510

RING,SNAP

SN: 146413-UP

1шт.

5

6691-81-7220

O-RING

SN: 100101-UP

1шт.

6

600-181-4581

NUT,WING

SN: 114951-UP

2шт.

6

0

NUT,WING

SN: 100101-114950

2шт.

|$$24

(600-181-4591,600-181-4581)

-1шт.

7

6691-81-7130

COVER

SN: 100101-UP

1шт.

8

6691-81-7120

BAFFLE

SN: 100101-UP

1шт.

9

600-181-4610

CLAMP

SN: .-UP

1шт.

9

0

CLAMP

SN: 100101-.

1шт.

10

6691-81-7712

CAP

SN: 106374-UP

1шт.

10

0

CAP

SN: 100101-106373

1шт.

11

6691-81-7720

CLAMP ASS'Y

SN: 100101-106373

1шт.

12

6691-81-7730

PIPE

SN: 100101-106373

1шт.

13

01500-31008

NUT

SN: 100101-UP

8шт.

14

01602-01030

WASHER,SPRING

SN: 100101-UP

8шт.

15

01641-21016

WASHER

SN: 100101-UP

8шт.

16

09641-00160

PLATE, INSTRUCTION,(JAPANESE-ENGLISH)

SN: 105354-UP

1шт.

16

09637-00160

PLATE, INSTRUCTION,(JAPANESE-ENGLISH)

SN: 100101-105353

1шт.

17

6691-11-4610

BAND ASS'Y,AIR CLEANER

SN: 100101-UP

1шт.

17

0

PIN

SN: 100101-UP

1шт.

17

0

PIN, WITH THREAD

SN: 100101-UP

1шт.

18

6643-11-4641

BOLT

SN: 111397-UP

1шт.

18

0

BOLT

SN: 100101-111396

1шт.

19

6691-11-4380

GASKET (K1)

SN: 100101-UP

1шт.

|$0

6691-80-7101

AIR CLEANER ASS'Y

SN: 146413-UP

1шт.

|$1

0

AIR CLEANER ASS'Y

SN: 100101-146412

1шт.

|$2

6691-81-7101

AIR CLEANER ASS'Y

SN: 146413-UP

1шт.

|$3

0

AIR CLEANER ASS'Y

SN: 100101-146412

1шт.

1

6691-81-7110

BODY

SN: 100101-UP

1шт.

|$5

6691-80-7212

ELEMENT ASS'Y

SN: 146413-UP

1шт.

|$6

6691-80-7211

ELEMENT ASS'Y

SN: 114951-146412

1шт.

|$7

0

ELEMENT ASS'Y

SN: 100101-114950

1шт.

|$$9

(6691-80-7211,600-181-4581)

-1шт.

2

0

ELEMENT,INNER

SN: 100101-UP

1шт.

2A

600-181-7511

WASHER,SEAL

SN: 146413-UP

1шт.

2B

600-181-9671

NUT

SN: 146413-UP

1шт.

|$12

600-181-3300

ELEMENT ASS'Y,OUTER

SN: 146413-UP

1шт.

3

0

ELEMENT,OUTER

SN: 100101-UP

1шт.

4

600-181-4591

WASHER,SEAL

SN: 146413-UP

1шт.

4

600-181-4591

WASHER,SEAL

SN: 114951-146412

2шт.

4

0

WASHER,SEAL

SN: 100101-114950

2шт.

|$$18

(600-181-4591,600-181-4581)

-1шт.

4A

600-181-1990

NUT,WING

SN: 146413-UP

1шт.

4B

04064-01510

RING,SNAP

SN: 146413-UP

1шт.

5

6691-81-7220

O-RING

SN: 100101-UP

1шт.

6

600-181-4581

NUT,WING

SN: 114951-UP

2шт.

6

0

NUT,WING

SN: 100101-114950

2шт.

|$$24

(600-181-4591,600-181-4581)

-1шт.

7

6691-81-7130

COVER

SN: 100101-UP

1шт.

8

6691-81-7120

BAFFLE

SN: 100101-UP

1шт.

9

600-181-4610

CLAMP

SN: .-UP

1шт.

9

0

CLAMP

SN: 100101-.

1шт.

10

6691-81-7712

CAP

SN: 106374-UP

1шт.

10

0

CAP

SN: 100101-106373

1шт.

11

6691-81-7720

CLAMP ASS'Y

SN: 100101-106373

1шт.

12

6691-81-7730

PIPE

SN: 100101-106373

1шт.

13

01500-31008

NUT

SN: 100101-UP

8шт.

14

01602-01030

WASHER,SPRING

SN: 100101-UP

8шт.

15

01641-21016

WASHER

SN: 100101-UP

8шт.

16

09641-00160

PLATE, INSTRUCTION,(JAPANESE-ENGLISH)

SN: 105354-UP

1шт.

16

09637-00160

PLATE, INSTRUCTION,(JAPANESE-ENGLISH)

SN: 100101-105353

1шт.

17

6691-11-4610

BAND ASS'Y,AIR CLEANER

SN: 100101-UP

1шт.

17

0

PIN

SN: 100101-UP

1шт.

17

0

PIN, WITH THREAD

SN: 100101-UP

1шт.

18

6643-11-4641

BOLT

SN: 111397-UP

1шт.

18

0

BOLT

SN: 100101-111396

1шт.

19

6691-11-4380

GASKET (K1)

SN: 100101-UP

1шт.

Выбрано товаров: 86