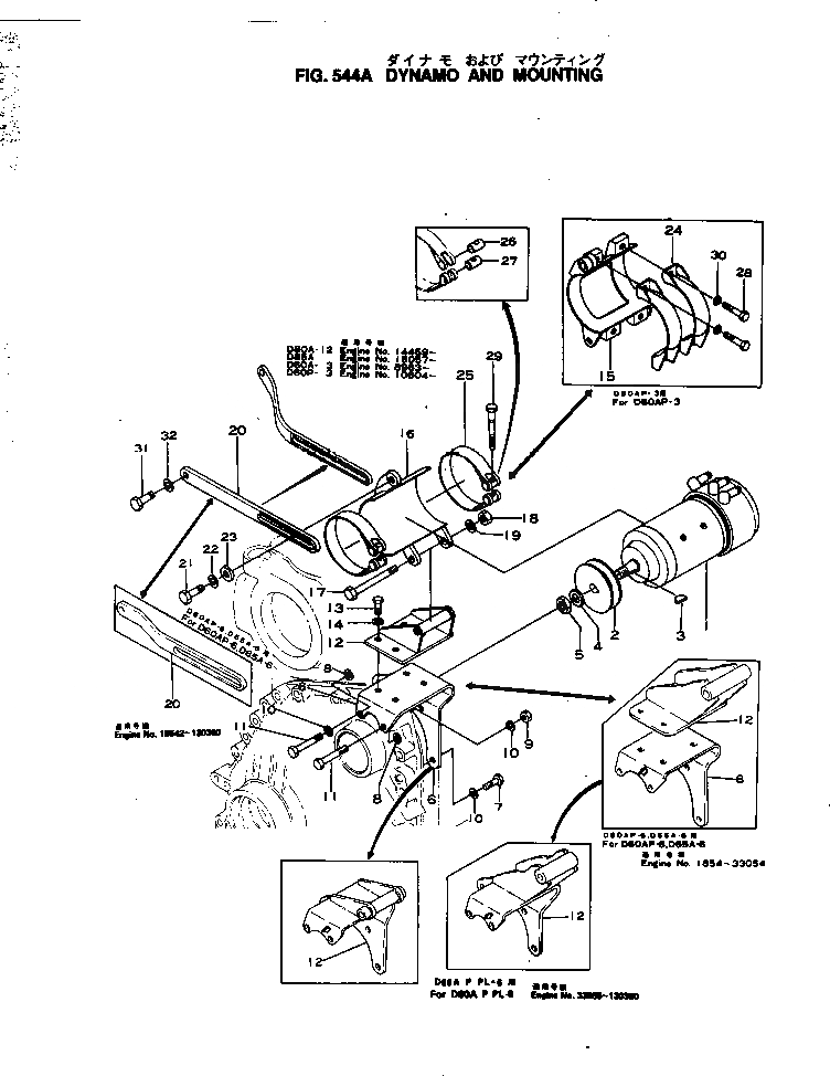
Запчасти Komatsu NH-220-CI-1L DYNAMO И КРЕПЛЕНИЕ ОХЛАЖД-Е И ЭЛЕКТРИКАS

Схема запчастей Komatsu NH-220-CI-1L - DYNAMO И КРЕПЛЕНИЕ ОХЛАЖД-Е И ЭЛЕКТРИКАS
FIT
1:1
100%

Артикул

Название

Примечание

Количество

1

6691-81-2510

DYNAMO ASS'Y (12A),(SEE FIG.550C)

SN: 8019-UP

1шт.

2

KDSGXPE-401

PULLEY

SN: 8019-UP

1шт.

3

KD81422

KEY

SN: 8019-UP

1шт.

4

KD31611

WASHER,SPRING

SN: 8019-UP

1шт.

5

KD26141

NUT

SN: 8019-UP

1шт.

6

6623-21-6341

BRACKET,LOWER

SN: 8019-39200

1шт.

6

0

BRACKET

SN: (8019-39200)

1шт.

7

02030-20732

BOLT

SN: 8019-UP

3шт.

8

01641-21223

WASHER

SN: 26890-UP

3шт.

8

02300-11426

WASHER

SN: 15057-26889

5шт.

8

02300-11426

WASHER

SN: 8019-15056

3шт.

9

02215-10710

NUT

SN: 8019-UP

1шт.

10

02310-11428

WASHER,SPRING

SN: 8019-UP

5шт.

11

02030-30757

BOLT

SN: 8019-UP

2шт.

12

6691-21-6410

BRACKET

SN: 39201-UP

1шт.

12

6682-23-6330

BRACKET

SN: 15057-39200

1шт.

12

6691-21-6310

BRACKET

SN: 8019-15056

1шт.

13

01050-31025

BOLT

SN: 8019-39200

4шт.

14

01602-01030

WASHER,SPRING

SN: 8019-39200

4шт.

15

6682-23-6340

BRACKET

SN: 15057-27655

1шт.

16

6675-21-6340

BRACKET

SN: 27656-UP

1шт.

16

6691-21-6320

BRACKET

SN: 8019-15056

1шт.

17

6682-23-6320

BOLT

SN: 15057-UP

1шт.

17

6120-21-5121

BOLT

SN: 8019-15056

1шт.

18

01582-01008

NUT

SN: 15057-UP

1шт.

18

01580-01210

NUT

SN: 8019-15056

1шт.

19

01602-01030

WASHER,SPRING

SN: 15057-UP

1шт.

19

01602-01236

WASHER,SPRING

SN: 8019-15056

1шт.

20

6691-21-6381

PLATE,ADJUSTING

SN: 15057-UP

1шт.

20

6691-21-6380

PLATE,ADJUSTING

SN: 8019-15056

1шт.

21

01010-31235

BOLT

SN: 8019-UP

1шт.

22

01602-01236

WASHER,SPRING

SN: 8019-UP

1шт.

23

6110-23-6490

SPACER

SN: 15057-UP

1шт.

23

0

SPACER

SN: 8019-15056

1шт.

24

6682-23-6420

BAND

SN: 15057-27655

2шт.

25

6111-21-6460

BAND

SN: 8019-15056

2шт.

26

6110-21-6530

PIN

SN: 8019-15056

2шт.

27

6110-21-6540

PIN, WITH THREAD

SN: 8019-15056

2шт.

28

01050-31025

BOLT

SN: 15057-27655

4шт.

29

6110-23-6520

BOLT

SN: 8019-15056

2шт.

30

01602-01030

WASHER,SPRING

SN: 15057-27655

4шт.

31

01010-31230

BOLT

SN: 8019-UP

1шт.

32

01602-01236

WASHER,SPRING

SN: 8019-UP

1шт.

25

6672-22-6041

BAND ASS'Y

SN: 27656-UP

1шт.

25

6675-21-6461

BAND

SN: .-UP

2шт.

25

0

BAND

SN: 27656-.

2шт.

26

6693-22-6530

PIN

SN: .-UP

2шт.

26

0

PIN

SN: 27656-.

2шт.

27

6693-22-6540

PIN, WITH THREAD

SN: .-UP

2шт.

27

0

PIN

SN: 27656-.

2шт.

29

6110-23-6520

BOLT

SN: 27656-UP

2шт.

1

6691-81-2510

DYNAMO ASS'Y (12A),(SEE FIG.550C)

SN: 8019-UP

1шт.

2

KDSGXPE-401

PULLEY

SN: 8019-UP

1шт.

3

KD81422

KEY

SN: 8019-UP

1шт.

4

KD31611

WASHER,SPRING

SN: 8019-UP

1шт.

5

KD26141

NUT

SN: 8019-UP

1шт.

6

6623-21-6341

BRACKET,LOWER

SN: 8019-39200

1шт.

6

0

BRACKET

SN: (8019-39200)

1шт.

7

02030-20732

BOLT

SN: 8019-UP

3шт.

8

01641-21223

WASHER

SN: 26890-UP

3шт.

8

02300-11426

WASHER

SN: 15057-26889

5шт.

8

02300-11426

WASHER

SN: 8019-15056

3шт.

9

02215-10710

NUT

SN: 8019-UP

1шт.

10

02310-11428

WASHER,SPRING

SN: 8019-UP

5шт.

11

02030-30757

BOLT

SN: 8019-UP

2шт.

12

6691-21-6410

BRACKET

SN: 39201-UP

1шт.

12

6682-23-6330

BRACKET

SN: 15057-39200

1шт.

12

6691-21-6310

BRACKET

SN: 8019-15056

1шт.

13

01050-31025

BOLT

SN: 8019-39200

4шт.

14

01602-01030

WASHER,SPRING

SN: 8019-39200

4шт.

15

6682-23-6340

BRACKET

SN: 15057-27655

1шт.

16

6675-21-6340

BRACKET

SN: 27656-UP

1шт.

16

6691-21-6320

BRACKET

SN: 8019-15056

1шт.

17

6682-23-6320

BOLT

SN: 15057-UP

1шт.

17

6120-21-5121

BOLT

SN: 8019-15056

1шт.

18

01582-01008

NUT

SN: 15057-UP

1шт.

18

01580-01210

NUT

SN: 8019-15056

1шт.

19

01602-01030

WASHER,SPRING

SN: 15057-UP

1шт.

19

01602-01236

WASHER,SPRING

SN: 8019-15056

1шт.

20

6691-21-6381

PLATE,ADJUSTING

SN: 15057-UP

1шт.

20

6691-21-6380

PLATE,ADJUSTING

SN: 8019-15056

1шт.

21

01010-31235

BOLT

SN: 8019-UP

1шт.

22

01602-01236

WASHER,SPRING

SN: 8019-UP

1шт.

23

6110-23-6490

SPACER

SN: 15057-UP

1шт.

23

0

SPACER

SN: 8019-15056

1шт.

24

6682-23-6420

BAND

SN: 15057-27655

2шт.

25

6111-21-6460

BAND

SN: 8019-15056

2шт.

26

6110-21-6530

PIN

SN: 8019-15056

2шт.

27

6110-21-6540

PIN, WITH THREAD

SN: 8019-15056

2шт.

28

01050-31025

BOLT

SN: 15057-27655

4шт.

29

6110-23-6520

BOLT

SN: 8019-15056

2шт.

30

01602-01030

WASHER,SPRING

SN: 15057-27655

4шт.

31

01010-31230

BOLT

SN: 8019-UP

1шт.

32

01602-01236

WASHER,SPRING

SN: 8019-UP

1шт.

25

6672-22-6041

BAND ASS'Y

SN: 27656-UP

1шт.

25

6675-21-6461

BAND

SN: .-UP

2шт.

25

0

BAND

SN: 27656-.

2шт.

26

6693-22-6530

PIN

SN: .-UP

2шт.

26

0

PIN

SN: 27656-.

2шт.

27

6693-22-6540

PIN, WITH THREAD

SN: .-UP

2шт.

27

0

PIN

SN: 27656-.

2шт.

29

6110-23-6520

BOLT

SN: 27656-UP

2шт.

Выбрано товаров: 0