Запчасти Komatsu D85A-18 ЭЛЕКТРИКА (/) КОМПОНЕНТЫ ДВИГАТЕЛЯ И ЭЛЕКТРИКА

Схема запчастей Komatsu D85A-18 - ЭЛЕКТРИКА (/) КОМПОНЕНТЫ ДВИГАТЕЛЯ И ЭЛЕКТРИКА
FIT
1:1
100%

Артикул

Название

Примечание

Количество

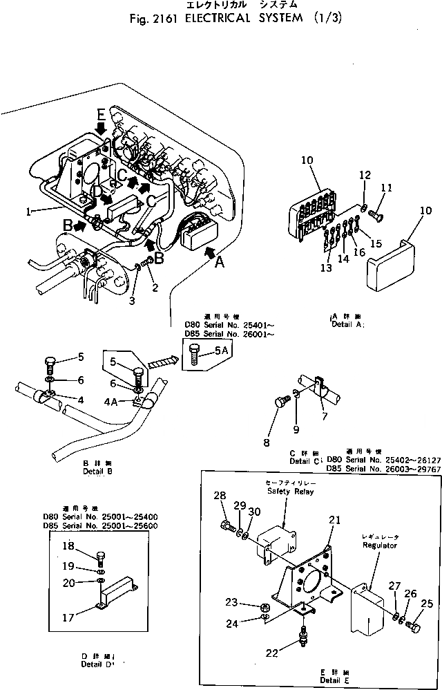
1

154-06-36296

WIRE ASS'Y

SN: 29768-UP

1шт.

1

154-06-36294

WIRE ASS'Y

SN: 26003-29767

1шт.

1

154-06-36293

WIRE ASS'Y

SN: 26001-26002

1шт.

1

154-06-36292

WIRE ASS'Y

SN: 25001-26000

1шт.

2

01220-30312

SCREW

SN: 25001-UP

4шт.

3

01601-00307

WASHER,SPRING

SN: 25001-UP

4шт.

4

08036-01814

CLIP

SN: 26001-UP

1шт.

4

08036-01814

CLIP

SN: 25001-26000

2шт.

4A

08036-01414

CLIP

SN: 26001-UP

1шт.

5

01010-31016

BOLT

SN: 26001-UP

1шт.

5

01010-31016

BOLT

SN: 25001-26000

2шт.

5A

01010-31020

BOLT

SN: 26001-UP

1шт.

6

01643-31032

WASHER

SN: 29361-UP

2шт.

6

0

WASHER,SPRING

SN: 25001-29360

2шт.

7

08035-01510

CLIP

SN: 25001-UP

2шт.

7

0

CLIP

SN: 25001-26000

2шт.

8

01010-31016

BOLT

SN: 25001-UP

2шт.

9

01643-31032

WASHER

SN: 29361-UP

2шт.

9

0

WASHER,SPRING

SN: 25001-29360

2шт.

10

175-06-35430

BOX

SN: 25001-UP

1шт.

11

01220-30616

SCREW

SN: 25001-UP

2шт.

12

01611-06063

WASHER

SN: 25001-UP

2шт.

13

175-06-35420

FUSE, 10A

SN: 25001-UP

3шт.

14

175-06-35410

FUSE, 20A

SN: 25001-UP

1шт.

15

175-06-35390

FUSE, 30A

SN: 25001-UP

1шт.

16

175-06-35380

FUSE, 40A

SN: 25001-UP

1шт.

17

08640-10000

INVERTER ASS'Y

SN: 25001-26000

1шт.

17

08040-00050

FUSE, 0.5A

SN: 25001-26000

1шт.

18

01010-30616

BOLT

SN: 25001-26000

2шт.

19

01602-00619

WASHER

SN: 25001-26000

2шт.

20

01640-00610

WASHER

SN: 25001-26000

2шт.

21

175-06-35214

BRACKET

SN: 25001-29767

1шт.

22

154-06-13910

ISOLATOR

SN: 25001-29767

4шт.

23

01582-01008

NUT

SN: 25001-29767

4шт.

24

01643-31032

WASHER

SN: 25001-29767

4шт.

25

01010-30820

BOLT

SN: 25001-29767

3шт.

26

01602-00825

WASHER,SPRING

SN: 25001-29767

3шт.

27

01643-30823

WASHER

SN: 25001-29767

3шт.

28

01010-30616

BOLT

SN: 25001-29767

4шт.

29

01602-00619

WASHER

SN: 25001-29767

4шт.

30

01640-00160

WASHER

SN: 25001-29767

4шт.

Выбрано товаров: 41