Запчасти Komatsu D85A-18 КЛАПАН УПРАВЛЕНИЯ ТРАНСМИССИЕЙ (/)(№-) ОСНОВН. МУФТА¤ ГИДРОТРАНСФОРМАТОР И ТРАНСМИССИЯ

Схема запчастей Komatsu D85A-18 - КЛАПАН УПРАВЛЕНИЯ ТРАНСМИССИЕЙ (/)(№-) ОСНОВН. МУФТА¤ ГИДРОТРАНСФОРМАТОР И ТРАНСМИССИЯ
FIT
1:1
100%

Артикул

Название

Примечание

Количество

|$0

154-15-00016

TRANSMISSION ASS'Y

SN: 29713-31101

1шт.

|$1

0

TRANSMISSION ASS'Y

SN: 25001-29712

1шт.

|$$3

THESE ASSEMBLIES CONSIST OF ALL PARTS SHOWN IN FIGS.2251 TO 2263A.

-1шт.

|$3

154-15-00143

CONTROL VALVE A.

SN: 29713-31101

1шт.

|$4

0

CONTROL VALVE A.

SN: 25001-29712

1шт.

|$$6

THESE ASSEMBLIES CONSIST OF ALL PARTS SHOWN IN FIGS.2261 TO 2263.

-1шт.

|$6

155-15-00381

VALVE ASS'Y

SN: 25001-31101

1шт.

|$$8

THIS ASSEMBLY CONSISTS OF ALL PARTS SHOWN IN FIGS.2261 AND 2262.

-1шт.

1

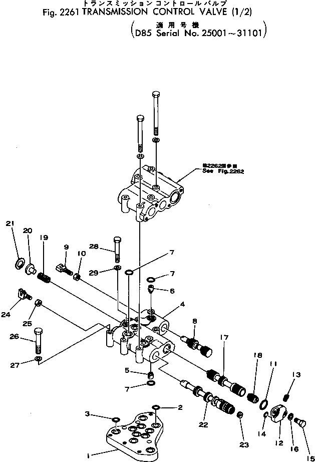
175-15-45110

SEAT,VALVE

SN: 25001-@

1шт.

2

07000-73022

O-RING (KIT)

SN: 25001-@

7шт.

3

07000-73025

O-RING (KIT)

SN: 25001-@

3шт.

4

175-15-45212

BODY

SN: 25001-@

1шт.

5

175-15-45260

DETENT

SN: 25001-@

1шт.

5

195-15-15680

SPRING

SN: 25001-@

1шт.

5

04260-00952

BALL

SN: 25001-@

1шт.

6

195-15-15671

DETENT

SN: 25001-@

1шт.

6

195-15-15680

SPRING

SN: 25001-@

1шт.

6

04260-00952

BALL

SN: 25001-@

1шт.

7

07000-73022

O-RING (KIT)

SN: 25001-@

5шт.

8

175-15-45220

SPOOL

SN: 25001-@

1шт.

9

09363-01053

YOKE

SN: 25001-@

1шт.

10

01580-11008

NUT

SN: 25001-@

1шт.

11

07000-73032

O-RING (KIT)

SN: 25001-31101

1шт.

|$23

175-15-00380

COVER ASS'Y

SN: 25001-31101

1шт.

12

175-15-45471

COVER

SN: 25001-31101

1шт.

13

07042-30108

PLUG

SN: 25001-31101

1шт.

14

07000-72016

O-RING (KIT)

SN: 25001-31101

1шт.

15

01010-81025

BOLT

SN: 25001-@

2шт.

16

01602-21030

WASHER,SPRING

SN: 25001-@

2шт.

17

175-15-45420

SPOOL

SN: 25001-31101

1шт.

18

175-15-35430

PISTON

SN: 25001-31101

1шт.

19

195-15-15440

SPRING

SN: 25001-31101

1шт.

20

175-15-45450

RETAINER

SN: 25001-31101

1шт.

21

04065-03515

RING,SNAP

SN: 25001-@

1шт.

22

175-15-45231

SPOOL

SN: 25001-@

1шт.

23

144-15-25210

PLUG

SN: 25001-@

1шт.

24

175-15-45370

YOKE

SN: 25001-31101

1шт.

25

01580-11008

NUT

SN: 25001-@

1шт.

26

01010-81075

BOLT

SN: 25001-@

1шт.

27

01602-21030

WASHER,SPRING

SN: 25001-@

1шт.

28

175-15-45160

BOLT

SN: 25001-@

1шт.

29

01602-21030

WASHER,SPRING

SN: 25001-@

1шт.

Выбрано товаров: 0