Запчасти Komatsu D85A-21-E УПРАВЛ-Е ТРАНСМИССИЕЙ МЕХАНИЗМ (/) КАБИНА ОПЕРАТОРА И СИСТЕМА УПРАВЛЕНИЯ

Схема запчастей Komatsu D85A-21-E - УПРАВЛ-Е ТРАНСМИССИЕЙ МЕХАНИЗМ (/) КАБИНА ОПЕРАТОРА И СИСТЕМА УПРАВЛЕНИЯ
FIT
1:1
100%

Артикул

Название

Примечание

Количество

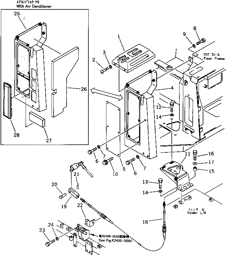
1

154-43-43110

GUIDE

SN: 36534-UP

1шт.

2

01220-40816

SCREW

SN: 36534-UP

4шт.

3

01643-30823

WASHER

SN: 36534-UP

4шт.

4

154-43-43310

COVER

SN: 36534-UP

1шт.

5

154-43-43270

COVER

SN: 36534-UP

1шт.

6

01010-81290

BOLT

SN: 36534-UP

3шт.

7

01643-31232

WASHER

SN: 36534-UP

3шт.

8

01010-81225

BOLT

SN: 36534-UP

2шт.

9

01643-31232

WASHER

SN: 36534-UP

2шт.

10

195-54-26220

BOLT

SN: 36534-UP

6шт.

11

154-43-43140

BRACKET

SN: 36534-UP

1шт.

12

01010-81230

BOLT

SN: 36534-UP

3шт.

13

01010-81220

BOLT

SN: 36534-UP

1шт.

14

01643-31232

WASHER

SN: 36534-UP

4шт.

15

175-61-14490

SPACER

SN: 36534-UP

2шт.

16

01010-81240

BOLT

SN: 36534-UP

2шт.

17

175-54-34170

WASHER

SN: 36534-UP

2шт.

18

154-43-43160

CABLE

SN: 36534-UP

1шт.

19

04211-20844

YOKE

SN: 36534-UP

1шт.

20

04205-10822

PIN

SN: 36534-UP

1шт.

21

04050-12015

PIN,COTTER

SN: 36534-UP

1шт.

22

154-43-41270

PLATE

SN: 36534-UP

1шт.

23

01010-81030

BOLT

SN: 36534-UP

2шт.

24

01643-31032

WASHER

SN: 36534-UP

2шт.

25

154-43-43280

COVER,(WITH AIR CONDITIONER)

SN: 36534-UP

1шт.

26

154-54-42370

SHEET ASS'Y

SN: 36534-UP

1шт.

27

154-54-42380

SHEET ASS'Y

SN: 36534-UP

1шт.

28

195-54-45450

CAP,(WITH AIR CONDITIONER)

SN: 36534-UP

1шт.

Выбрано товаров: 28