Запчасти Komatsu D85A-21-E РУЛЕВ. УПРАВЛЕНИЕ И ТОРМОЗН. МЕХАНИЗМ ЧАСТИ КОРПУСА

Схема запчастей Komatsu D85A-21-E - РУЛЕВ. УПРАВЛЕНИЕ И ТОРМОЗН. МЕХАНИЗМ ЧАСТИ КОРПУСА
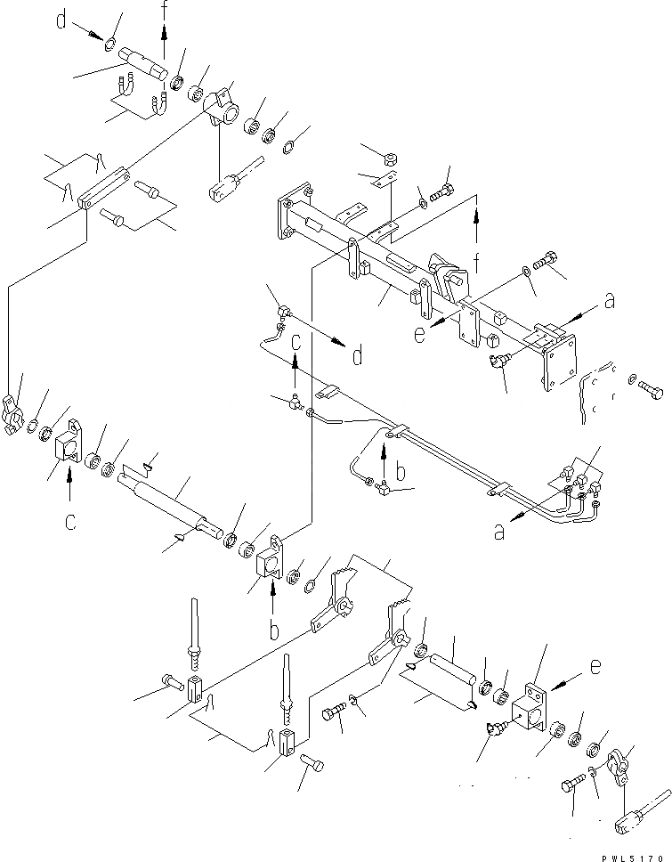
1
2
3
3
3
4
4
5
5
6
7
8
9
10
10
11
11
12
12
13
14
14
15
15
16
17
18
19
19
20
20
20
20
21
21
21
21
22
23
24
25
26
27
27
28
28
29
30
31
32
32
33
33
34
35
36
36
36
36
FIT
1:1
100%

Артикул

Название

Примечание

Количество

1

154-43-41251

SUPPORT

SN: 36534-UP

1шт.

2

154-43-41160

LEVER

SN: 36534-UP

2шт.

3

04010-01032

KEY

SN: 36534-UP

4шт.

4

01010-81245

BOLT

SN: 36534-UP

4шт.

5

01602-21236

WASHER

SN: 36534-UP

4шт.

6

154-43-41170

BRACKET

SN: 36534-UP

1шт.

7

01010-81230

BOLT

SN: 36534-UP

4шт.

8

01643-31232

WASHER

SN: 36534-UP

4шт.

9

154-43-41180

SHAFT

SN: 36534-UP

1шт.

10

06120-03520

BEARING,NEEDLE

SN: 36534-UP

2шт.

11

06122-03504

SEAL,BEARING

SN: 36534-UP

2шт.

12

195-43-24430

SPACER

SN: 36534-UP

2шт.

13

07020-00675

FITTING,GREASE

SN: 36534-UP

1шт.

14

154-43-15581

LEVER

SN: 36534-UP

2шт.

15

154-43-41190

BRACKET

SN: 36534-UP

2шт.

16

01010-81230

BOLT

SN: 36534-UP

4шт.

17

01643-31232

WASHER

SN: 36534-UP

4шт.

18

154-43-41210

SHAFT

SN: 36534-UP

1шт.

19

06120-03520

BEARING,NEEDLE

SN: 36534-UP

2шт.

20

06122-03504

SEAL,BEARING

SN: 36534-UP

4шт.

21

154-44-11650

SPACER

SN: 36534-UP

4шт.

22

154-43-41220

YOKE

SN: 36534-UP

1шт.

23

04205-11438

PIN

SN: 36534-UP

2шт.

24

04050-14022

PIN,COTTER

SN: 36534-UP

2шт.

25

154-43-41230

LEVER

SN: 36534-UP

1шт.

26

154-43-41240

SHAFT

SN: 36534-UP

1шт.

27

06120-03520

BEARING,NEEDLE

SN: 36534-UP

2шт.

28

06122-03504

SEAL,BEARING

SN: 36534-UP

2шт.

29

07283-23442

CLIP

SN: 36534-UP

2шт.

30

01582-11008

NUT

SN: 36534-UP

4шт.

31

154-43-15480

LOCK

SN: 36534-UP

2шт.

32

04220-21456

YOKE

SN: 36534-UP

2шт.

33

04205-11438

PIN

SN: 36534-UP

2шт.

34

04050-14028

PIN,COTTER

SN: 36534-UP

2шт.

35

07020-00675

FITTING,GREASE

SN: 36534-UP

3шт.

36

176-43-41350

ELBOW

SN: 36534-UP

6шт.

Выбрано товаров: 36