Запчасти Komatsu D85A-21-E MODIFIED ШАССИ ЧАСТИ (ДЛЯ ЗАДН. P.C.U.) (/) РАБОЧЕЕ ОБОРУДОВАНИЕ

Схема запчастей Komatsu D85A-21-E - MODIFIED ШАССИ ЧАСТИ (ДЛЯ ЗАДН. P.C.U.) (/) РАБОЧЕЕ ОБОРУДОВАНИЕ
FIT
1:1
100%

Артикул

Название

Примечание

Количество

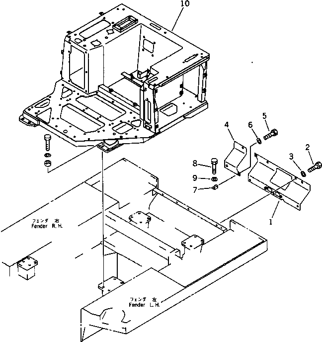
G-1

0

CONTROL GROUP,REAR P.C.U.

SN: 36534-UP

1шт.

|$$2

====================

-1шт.

1

154-54-46680

COVER

SN: 36534-UP

1шт.

2

01010-81225

BOLT

SN: 36534-UP

7шт.

3

01643-31232

WASHER

SN: 36534-UP

7шт.

4

154-54-46690

COVER

SN: 36534-UP

1шт.

5

01010-81225

BOLT

SN: 36534-UP

3шт.

6

01643-31232

WASHER

SN: 36534-UP

3шт.

7

154-54-46710

BRACKET

SN: 36534-UP

1шт.

8

01010-61660

BOLT

SN: 36534-UP

1шт.

9

01643-31645

WASHER

SN: 36534-UP

1шт.

10

154-54-46720

FRAME,FLOOR

SN: 36534-UP

1шт.

|$$13

====================

-1шт.

Выбрано товаров: 13