Запчасти Komatsu D85A-21-E РАБОЧЕЕ ОБОРУДОВАНИЕ КЛАПАН КРЕПЛЕНИЕ (С СКРЕППЕР) ГИДРАВЛИКА

Схема запчастей Komatsu D85A-21-E - РАБОЧЕЕ ОБОРУДОВАНИЕ КЛАПАН КРЕПЛЕНИЕ (С СКРЕППЕР) ГИДРАВЛИКА
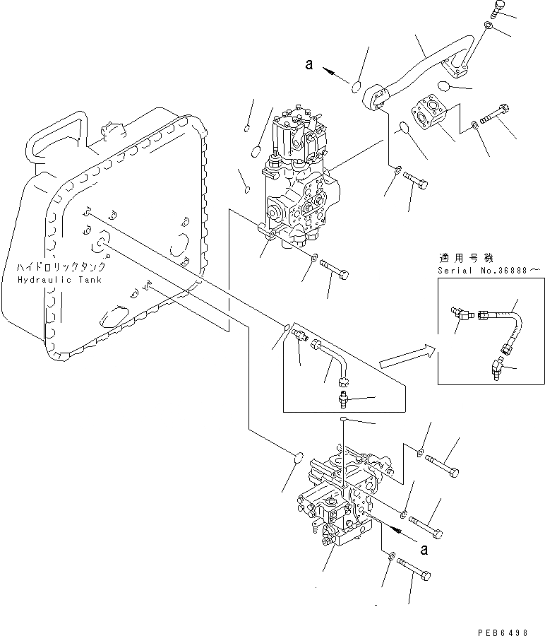
1
2
3
4
5
6
6
6
7
8
9
9
10
11
12
12
13
13
13
13
14
14
15
16
17
18
19
20
20
21
22
23
23
FIT
1:1
100%

Артикул

Название

Примечание

Количество

G-1

0

VALVE GROUP

SN: 36534-UP

1шт.

|$$2

====================

-1шт.

1

709-62-31301

VALVE ASS'Y

SN: 36534-UP

1шт.

2

07000-13038

O-RING

SN: 36534-UP

1шт.

3

01011-81215

BOLT

SN: 36534-UP

1шт.

4

01011-81235

BOLT

SN: 36534-UP

1шт.

5

01011-81280

BOLT

SN: 36534-UP

1шт.

6

01643-31232

WASHER

SN: 36534-UP

3шт.

|$$9

====================

-1шт.

G-2

0

VALVE GROUP

SN: 36534-UP

1шт.

|$$11

====================

-1шт.

7

709-92-27002

VALVE ASS'Y

SN: 36534-UP

1шт.

8

07000-13035

O-RING

SN: 36534-UP

1шт.

9

07000-12011

O-RING

SN: 36534-UP

2шт.

10

01010-81280

BOLT

SN: 36534-UP

3шт.

11

01643-31232

WASHER

SN: 36534-UP

3шт.

|$$17

====================

-1шт.

G-3

0

PIPING GROUP

SN: 36534-UP

1шт.

|$$19

====================

-1шт.

12

20Y-970-1670

HOSE

SN: 36888-UP

1шт.

|12

0

TUBE

SN: 36534-36887

1шт.

|$$22

(20Y-970-1670{22X-61-18550(2) )}

-1шт.

13

22X-61-18550

ELBOW

SN: 36888-UP

2шт.

|13

07230-20210

UNION

SN: 36534-36887

2шт.

14

07002-11423

O-RING

SN: 36534-UP

2шт.

15

154-60-71240

ELBOW

SN: 36534-UP

1шт.

16

07000-13035

O-RING

SN: 36534-UP

1шт.

17

01010-81080

BOLT

SN: 36534-UP

4шт.

18

01643-51032

WASHER

SN: 36534-UP

4шт.

19

154-60-71230

TUBE

SN: 36534-UP

1шт.

20

07000-13035

O-RING

SN: 36534-UP

2шт.

21

07372-21040

BOLT

SN: 36534-UP

4шт.

22

01010-81060

BOLT

SN: 36534-UP

4шт.

23

01643-51032

WASHER

SN: 36534-UP

8шт.

|$$35

====================

-1шт.

Выбрано товаров: 35