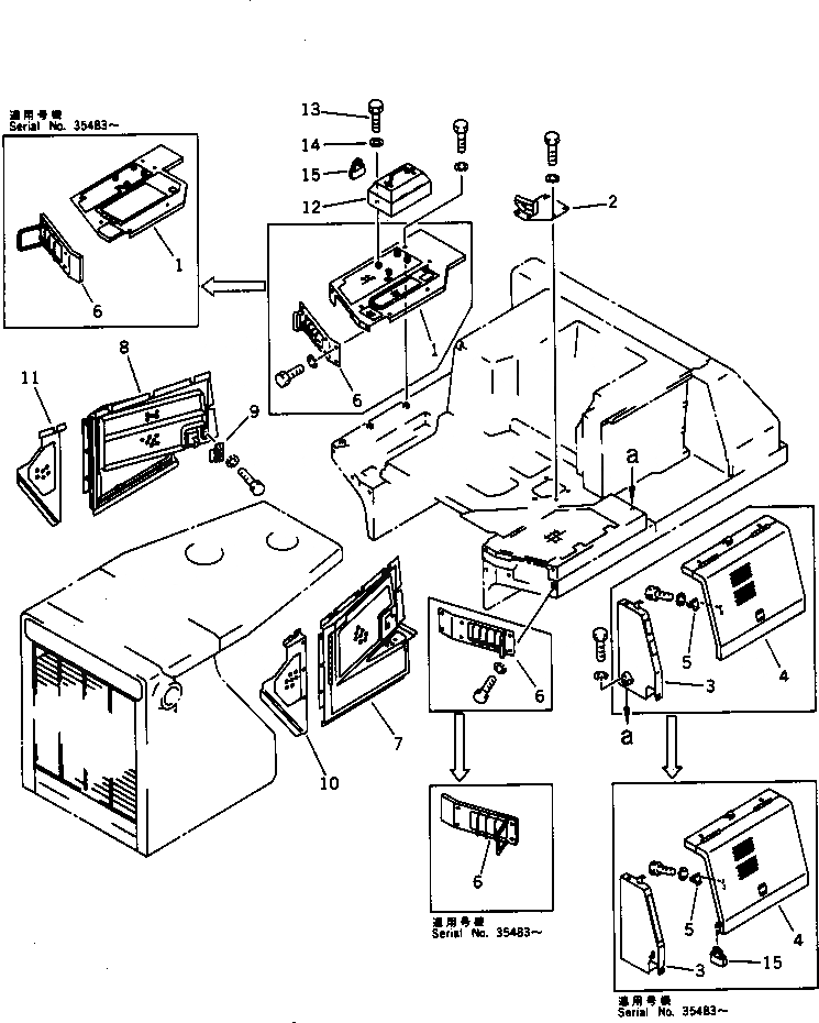
Запчасти Komatsu D85A-21 ПОЛ КАБИНЫ (СПЕЦ-Я TBG)(№-) МАРКИРОВКА¤ ИНСТРУМЕНТ И РЕМКОМПЛЕКТЫ

Схема запчастей Komatsu D85A-21 - ПОЛ КАБИНЫ (СПЕЦ-Я TBG)(№-) МАРКИРОВКА¤ ИНСТРУМЕНТ И РЕМКОМПЛЕКТЫ
FIT
1:1
100%

Артикул

Название

Примечание

Количество

G-1

0

FLOOR PLATE GROUP

SN: 35483-UP

1шт.

G-1

0

FLOOR PLATE GROUP

SN: 35001-35482

1шт.

|$$3

====================

-1шт.

1

154-54-46311

COVER

SN: 35483-UP

1шт.

1

154-54-46310

COVER

SN: 35001-35482

1шт.

2

154-54-46320

COVER

SN: 35001-UP

1шт.

3

154-54-46332

FRAME

SN: 36392-UP

1шт.

3

154-54-46331

FRAME

SN: 35483-36391

1шт.

3

154-54-46330

FRAME

SN: 35001-35482

1шт.

4

154-54-46341

COVER

SN: 35483-UP

1шт.

4

154-54-46340

COVER

SN: 35001-35482

1шт.

5

198-54-19150

SPRING

SN: 35001-UP

1шт.

6

154-54-46391

COVER

SN: 35483-UP

2шт.

6

154-54-46390

COVER

SN: 35001-35482

2шт.

7

154-54-46360

COVER,L.H.

SN: 35001-UP

1шт.

8

154-54-46370

COVER,R.H.

SN: 35001-UP

1шт.

9

154-54-46380

BRACKET

SN: 35001-UP

2шт.

|$$18

====================

-1шт.

10

154-54-43280

COVER,L.H.

SN: 35001-UP

1шт.

11

154-54-43290

COVER,R.H.

SN: 35001-UP

1шт.

12

175-98-21171

TOOL,TOOL

SN: 35001-UP

1шт.

13

01010-51225

BOLT

SN: 35001-UP

4шт.

14

01643-31232

WASHER

SN: 35001-UP

4шт.

15

09460-00005

LOCK

SN: 35001-UP

2шт.

Выбрано товаров: 24