Запчасти Komatsu D85A-21 МАРКИРОВКА (АРАБСК.)(№-9) МАРКИРОВКА¤ ИНСТРУМЕНТ И РЕМКОМПЛЕКТЫ

Схема запчастей Komatsu D85A-21 - МАРКИРОВКА (АРАБСК.)(№-9) МАРКИРОВКА¤ ИНСТРУМЕНТ И РЕМКОМПЛЕКТЫ
FIT
1:1
100%

Артикул

Название

Примечание

Количество

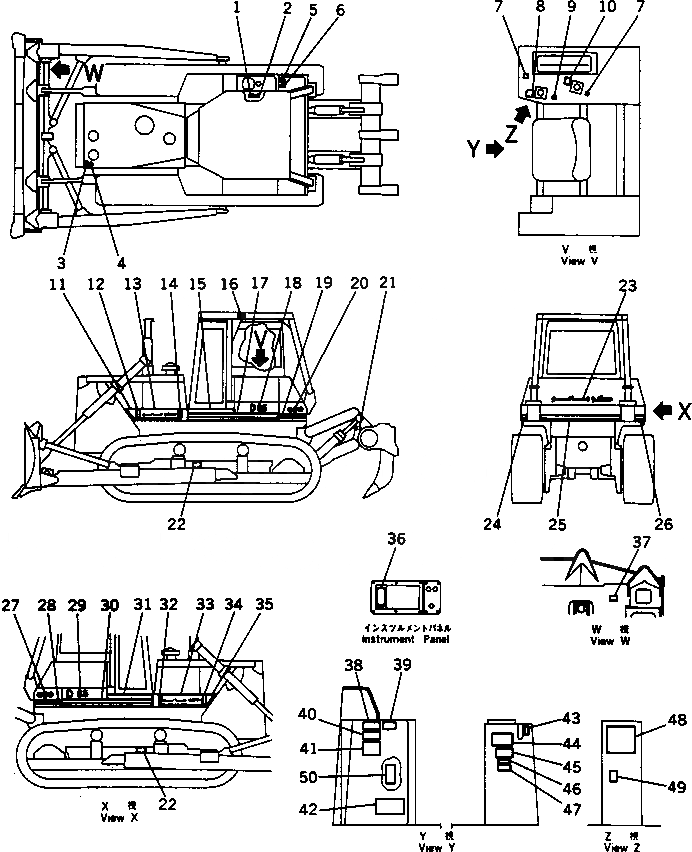
1

09655-02120

PLATE, INSTRUCTION,OIL FILTER

SN: 35001-@

1шт.

2

09653-00200

PLATE, SAFETY,HYDRAULIC OIL TANK

SN: 35001-@

1шт.

3

09650-02101

PLATE, INSTRUCTION,RADIATOR WATER LEVEL

SN: 35001-@

1шт.

4

09668-00200

PLATE, SAFETY,RADIATOR CAP

SN: 35001-@

1шт.

5

09652-02100

PLATE, CAUTION,FUEL TANK

SN: 35001-@

1шт.

6

09656-02080

PLATE, INSTRUCTION

SN: 35001-@

1шт.

7

195-98-21210

PLATE, OPERATING,BLADE LOCK LEVER

SN: 35001-@

2шт.

8

195-98-21140

PLATE, OPERATING,BLADE CONTROL LEVER

SN: 35001-@

1шт.

9

195-98-21190

PLATE, OPERATING,HORN SWITCH

SN: 35001-@

1шт.

10

154-98-35560

PLATE, OPERATING,LOCK LEVER

SN: 35001-@

1шт.

11

154-98-35292

STRIPE,L.H.

SN: 35483-@

1шт.

11

154-98-35291

STRIPE,L.H.

SN: 35001-35482

1шт.

12

154-98-35282

STRIPE,L.H.

SN: 35483-@

1шт.

12

154-98-35281

STRIPE,L.H.

SN: 35001-35482

1шт.

13

154-98-36481

STRIPE,L.H.

SN: 35483-@

1шт.

13

154-98-36480

STRIPE,L.H.

SN: 35001-35482

1шт.

14

154-98-35262

STRIPE,L.H.

SN: 35483-@

1шт.

14

154-98-35261

STRIPE,L.H.

SN: 35001-35482

1шт.

15

154-98-35252

STRIPE,L.H.

SN: 35483-@

1шт.

15

154-98-35251

STRIPE,L.H.

SN: 35001-35482

1шт.

16

09620-02200

PLATE, NAME,ROPS

SN: 35001-@

1шт.

16

04418-13060

SCREW

SN: 35001-@

4шт.

17

154-98-35153

STRIPE

SN: 35707-@

1шт.

17

154-98-35152

STRIPE

SN: 35483-35706

1шт.

17

154-98-35151

STRIPE

SN: 35001-35482

1шт.

18

154-98-35181

PLATE, MARK,L.H.

SN: 35001-36191

1шт.

19

154-98-35141

STRIPE,(WITH R.O.P.S)

SN: 35001-@

1шт.

19

154-98-35481

STRIPE,(WITHOUT R.O.P.S)

SN: 35483-@

1шт.

20

154-98-35130

PLATE

SN: 35001-36191

1шт.

21

154-98-36440

PLATE, NAME,RIPPER

SN: 35001-@

1шт.

21

04418-13060

SCREW

SN: 35001-@

4шт.

22

09657-00200

PLATE, SAFETY,TRACK ADJUSTING

SN: 35001-@

2шт.

23

154-98-36470

PLATE, MARK

SN: 35001-@

1шт.

24

154-98-35331

STRIPE,L.H.

SN: 35001-@

1шт.

25

154-98-35371

STRIPE

SN: 35001-@

1шт.

26

154-98-35410

STRIPE,R.H.

SN: 35001-@

1шт.

27

154-98-35130

PLATE

SN: 35001-36191

1шт.

28

154-98-35141

STRIPE,(WITH R.O.P.S)

SN: 35001-@

1шт.

28

154-98-35481

STRIPE,(WITHOUT R.O.P.S)

SN: 35483-@

1шт.

29

154-98-35192

PLATE,MARK R.H.

SN: 35483-36191

1шт.

29

154-98-35191

PLATE,MARK R.H.

SN: 35001-35482

1шт.

30

154-98-35153

STRIPE

SN: 35707-@

1шт.

30

154-98-35152

STRIPE

SN: 35483-35706

1шт.

30

154-98-35151

STRIPE

SN: 35001-35482

1шт.

31

154-98-35252

STRIPE,R.H.

SN: 35873-@

1шт.

31

154-98-35272

STRIPE,R.H.

SN: 35483-35872

1шт.

31

154-98-35271

STRIPE,R.H.

SN: 35001-35482

1шт.

32

154-98-35262

STRIPE,R.H.

SN: 35483-@

1шт.

32

154-98-35261

STRIPE,R.H.

SN: 35001-35482

1шт.

33

154-98-36481

STRIPE,R.H.

SN: 35483-@

1шт.

33

154-98-36480

STRIPE,R.H.

SN: 35001-35482

1шт.

34

154-98-35282

STRIPE,R.H.

SN: 35483-@

1шт.

34

154-98-35281

STRIPE,R.H.

SN: 35001-35482

1шт.

35

154-98-35312

STRIPE,R.H.

SN: 35483-@

1шт.

35

154-98-35311

STRIPE,R.H.

SN: 35001-35482

1шт.

36

154-98-36460

PLATE

SN: 35001-@

1шт.

37

154-98-36430

PLATE, NAME,BLADE

SN: 35001-@

1шт.

37

04418-13060

SCREW

SN: 35001-@

4шт.

38

09666-00200

PLATE, SAFETY,FIRE PREVENTION

SN: 35001-@

1шт.

39

09173-00200

PLATE, SAFETY

SN: 35001-@

1шт.

40

09649-00210

PLATE, INSTRUCTION,ENGINE STOP

SN: 35001-@

1шт.

41

195-98-13410

PLATE, CAUTION,SEAT BELT

SN: 35001-@

1шт.

42

154-98-36410

PLATE, NAME,MACHINE

SN: 35001-@

1шт.

42

01220-60408

SCREW

SN: 35001-@

4шт.

43

09685-00002

PLATE, OPERATING,LOCK LEVER

SN: 35001-@

1шт.

44

175-900-3560

PLATE, CAUTION,TRAVELING ON SLOPE

SN: 35001-@

1шт.

45

09654-00200

PLATE, SAFETY

SN: 35001-@

1шт.

46

09667-00200

PLATE, SAFETY,ENGINE SIDE COVER

SN: 35001-@

1шт.

47

09651-00200

PLATE, SAFETY,BEFOR OPERATING

SN: 35001-@

1шт.

48

154-98-36420

CHART

SN: 35001-@

1шт.

49

09685-00001

PLATE, OPERATING,RIPER LOCK LEVER

SN: 35001-@

1шт.

50

154-98-36450

PLATE

SN: 35001-@

1шт.

Выбрано товаров: 72