Запчасти Komatsu D85A-21 МАРКИРОВКА (ИРАН)(№9-) МАРКИРОВКА¤ ИНСТРУМЕНТ И РЕМКОМПЛЕКТЫ

Схема запчастей Komatsu D85A-21 - МАРКИРОВКА (ИРАН)(№9-) МАРКИРОВКА¤ ИНСТРУМЕНТ И РЕМКОМПЛЕКТЫ
FIT
1:1
100%

Артикул

Название

Примечание

Количество

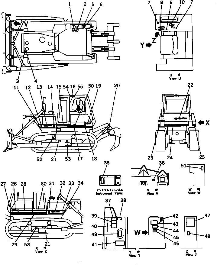
1

09655-04120

PLATE, INSTRUCTION,OIL FILTER

SN: 35001-UP

1шт.

2

09653-00400

PLATE, SAFETY,HYDRAULIC OIL TANK

SN: 35001-UP

1шт.

3

09650-04101

PLATE, INSTRUCTION,RADIATOR WATER LEVEL

SN: 35001-UP

1шт.

4

09668-00400

PLATE, SAFETY,RADIATOR CAP

SN: 35001-UP

1шт.

5

09652-04100

PLATE, CAUTION,FUEL TANK

SN: 35001-UP

1шт.

6

09656-04080

PLATE, INSTRUCTION,FUEL TANK STRAINER

SN: 35001-UP

1шт.

7

17M-98-21520

PLATE, OPERATING,BLADE LOCK LEVER

SN: 35001-UP

2шт.

8

195-98-21140

PLATE, OPERATING,BLADE CONTROL LEVER

SN: 35001-UP

1шт.

9

195-98-21190

PLATE, OPERATING,HORN SWITCH

SN: 35001-UP

1шт.

10

154-98-35560

PLATE, OPERATING,LOCK LEVER

SN: 35001-UP

1шт.

11

154-98-35292

STRIPE,L.H.

SN: 35483-UP

1шт.

12

154-98-35282

STRIPE,L.H.

SN: 35483-UP

1шт.

13

154-98-35323

STRIPE,L.H.

SN: 36192-UP

1шт.

14

154-98-35262

STRIPE,L.H.

SN: 35483-UP

1шт.

15

154-98-35252

STRIPE,L.H.

SN: 35483-UP

1шт.

16

09620-04200

PLATE, NAME,ROPS (LIMITED SUPPLY)

SN: 35001-UP

1шт.

16

04418-13060

SCREW

SN: 35001-UP

4шт.

17

154-98-35153

STRIPE

SN: 35707-UP

1шт.

18

154-98-35141

STRIPE,(WITH R.O.P.S)

SN: 35001-UP

1шт.

18

154-98-35481

STRIPE,(WITHOUT R.O.P.S)

SN: 35483-UP

1шт.

19

154-98-35870

PLATE, MARK (D85A)

SN: 36192-UP

1шт.

20

09601-00835

PLATE, NAME,RIPPER

SN: 35001-UP

1шт.

20

04418-13060

SCREW

SN: 35001-UP

4шт.

21

09657-04000

PLATE, SAFETY,TRACK ADJUSTING

SN: 35001-UP

2шт.

22

09690-C0500

PLATE, MARK

SN: 36192-UP

1шт.

23

154-98-35331

STRIPE,L.H.

SN: 35001-UP

1шт.

24

154-98-35371

STRIPE

SN: 35001-UP

1шт.

25

154-98-35410

STRIPE,R.H.

SN: 35001-UP

1шт.

26

154-98-35870

PLATE, MARK (D85A)

SN: 36192-UP

1шт.

27

154-98-35141

STRIPE,(WITH R.O.P.S)

SN: 35001-UP

1шт.

27

154-98-35481

STRIPE,(WITHOUT R.O.P.S)

SN: 35483-UP

1шт.

28

154-98-35193

STRIPE,R.H.

SN: 36192-UP

1шт.

29

154-98-35153

STRIPE

SN: 35707-UP

1шт.

30

154-98-35252

STRIPE,R.H.

SN: 35873-UP

1шт.

31

154-98-35262

STRIPE,R.H.

SN: 35483-UP

1шт.

32

154-98-35323

STRIPE,R.H.

SN: 36192-UP

1шт.

33

154-98-35282

STRIPE,R.H.

SN: 35483-UP

1шт.

34

154-98-35312

STRIPE,R.H.

SN: 35483-UP

1шт.

35

154-98-36730

PLATE

SN: 35001-UP

1шт.

36

09601-00835

PLATE, NAME,BLADE

SN: 35001-UP

1шт.

36

04418-13060

SCREW

SN: 35001-UP

4шт.

37

09666-00400

PLATE, SAFETY,FIRE PREVENTION

SN: 35001-UP

1шт.

38

09173-00400

PLATE, SAFETY

SN: 35001-UP

1шт.

39

09649-00401

PLATE, INSTRUCTION,ENGINE STOP

SN: 35001-UP

1шт.

40

195-98-14620

PLATE, CAUTION,SEAT BELT

SN: 35001-UP

1шт.

41

09602-04643

PLATE, NAME,MACHINE

SN: 35001-UP

1шт.

41

01220-60408

SCREW

SN: 35001-UP

4шт.

42

09685-00002

PLATE, OPERATING,LOCK LEVER

SN: 35001-UP

1шт.

43

195-98-14610

PLATE, NAME,TRAVELING ON SLOPE

SN: 35001-UP

1шт.

44

09654-00400

PLATE, SAFETY

SN: 35001-UP

1шт.

45

09667-00400

PLATE, SAFETY,ENGINE SIDE COVER

SN: 35001-UP

1шт.

46

09651-00400

PLATE, SAFETY,BEFOR OPERATING

SN: 35001-UP

1шт.

47

154-98-36720

CHART,LUBRICATION

SN: 35001-UP

1шт.

48

09685-00001

PLATE, OPERATING,RIPPER LOCK LEVER

SN: 35001-UP

1шт.

49

154-98-36740

PLATE

SN: 35001-UP

1шт.

50

09696-00113

PLATE,NOISE SUPPRESSION SPEC.

SN: 35001-UP

1шт.

51

09696-10083

PLATE,NOISE SUPPRESSION SPEC.

SN: 35001-UP

1шт.

52

195-98-23370

PLATE, OPERATING

SN: 35001-UP

1шт.

53

09960-61012

PLATE, MARK

SN: 35001-UP

2шт.

54

09628-90190

PLATE, MARK,ROPS

SN: 35873-UP

1шт.

55

09629-90210

PLATE, MARK,FOPS

SN: 35873-UP

1шт.

Выбрано товаров: 61