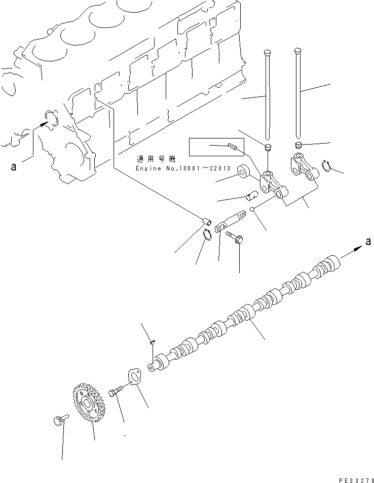
Запчасти Komatsu S6D125-1CC-FW РАСПРЕДВАЛ ДВИГАТЕЛЬ

Схема запчастей Komatsu S6D125-1CC-FW - РАСПРЕДВАЛ ДВИГАТЕЛЬ
1
2
3
4
5
6
7
8
8
9
10
11
12
13
14
14
15
16
17
17
1
2
3
4
5
6
7
8
8
9
10
11
12
13
14
14
15
16
17
17
FIT
1:1
100%

Артикул

Название

Примечание

Количество

|$0

6150-41-1012

CAMSHAFT ASS'Y

SN: 10132-UP

1шт.

|$1

6150-41-1011

CAMSHAFT ASS'Y

SN: 10006-10131

1шт.

|$2

0

CAMSHAFT ASS'Y

SN: 10001-10005

1шт.

1

0

CAMSHAFT

SN: 10132-UP

1шт.

1

0

CAMSHAFT

SN: 10006-10131

1шт.

1

0

CAMSHAFT

SN: 10001-10005

1шт.

2

6150-41-1120

GEAR,CAMSHAFT

SN: 10001-UP

1шт.

3

04010-00725

KEY

SN: 10001-UP

1шт.

4

6150-41-1130

PLATE,THRUST

SN: 10132-UP

1шт.

4

0

PLATE,THRUST

SN: 10001-10131

1шт.

5

01010-31022

BOLT

SN: 10001-UP

2шт.

6

6150-81-5131

GEAR,TACHOMETER DRIVE

SN: 10132-UP

1шт.

6

6150-81-5130

GEAR,TACHOMETER DRIVE

SN: 10001-10131

1шт.

|$13

6150-41-2011

LEVER ASS'Y

SN: 22014-UP

6шт.

|$14

0

LEVER ASS'Y

SN: 10001-22013

6шт.

|$15

6150-41-2302

LEVER ASS'Y

SN: 22014-UP

2шт.

|$16

0

LEVER ASS'Y

SN: 10001-22013

2шт.

|$$18

(6150-41-2302,6150-41-2401)

-1шт.

7

0

LEVER

SN: 22014-UP

1шт.

7

0

LEVER

SN: 10001-22013

1шт.

8

0

SOCKET

SN: 22014-UP

1шт.

8

0

SOCKET

SN: 10001-22013

1шт.

9

6150-41-2341

ROLLER

SN: 22014-UP

1шт.

9

6150-41-2340

ROLLER

SN: 10001-22013

1шт.

10

0

PIN

SN: 22014-UP

1шт.

10

0

PIN

SN: 10001-22013

1шт.

11

0

PIN,SPRING

SN: 10001-22013

1шт.

|$27

6150-41-2401

SHAFT ASS'Y

SN: 22014-UP

1шт.

|$28

6150-41-2400

SHAFT ASS'Y

SN: 10001-22013

1шт.

12

0

SHAFT

SN: 22014-UP

1шт.

12

0

SHAFT

SN: 10001-22013

1шт.

13

6150-81-8420

BALL

SN: 10001-UP

1шт.

14

04064-02012

RING,SNAP

SN: 10001-UP

2шт.

15

6150-41-2450

BOLT

SN: 10001-UP

12шт.

16

6150-41-2430

PIN

SN: 10001-UP

12шт.

17

6150-41-3111

ROD,PUSH

SN: 10132-UP

12шт.

17

6150-41-3110

ROD,PUSH

SN: 10001-10131

12шт.

|$0

6150-41-1012

CAMSHAFT ASS'Y

SN: 10132-UP

1шт.

|$1

6150-41-1011

CAMSHAFT ASS'Y

SN: 10006-10131

1шт.

|$2

0

CAMSHAFT ASS'Y

SN: 10001-10005

1шт.

1

0

CAMSHAFT

SN: 10132-UP

1шт.

1

0

CAMSHAFT

SN: 10006-10131

1шт.

1

0

CAMSHAFT

SN: 10001-10005

1шт.

2

6150-41-1120

GEAR,CAMSHAFT

SN: 10001-UP

1шт.

3

04010-00725

KEY

SN: 10001-UP

1шт.

4

6150-41-1130

PLATE,THRUST

SN: 10132-UP

1шт.

4

0

PLATE,THRUST

SN: 10001-10131

1шт.

5

01010-31022

BOLT

SN: 10001-UP

2шт.

6

6150-81-5131

GEAR,TACHOMETER DRIVE

SN: 10132-UP

1шт.

6

6150-81-5130

GEAR,TACHOMETER DRIVE

SN: 10001-10131

1шт.

|$13

6150-41-2011

LEVER ASS'Y

SN: 22014-UP

6шт.

|$14

0

LEVER ASS'Y

SN: 10001-22013

6шт.

|$15

6150-41-2302

LEVER ASS'Y

SN: 22014-UP

2шт.

|$16

0

LEVER ASS'Y

SN: 10001-22013

2шт.

|$$18

(6150-41-2302,6150-41-2401)

-1шт.

7

0

LEVER

SN: 22014-UP

1шт.

7

0

LEVER

SN: 10001-22013

1шт.

8

0

SOCKET

SN: 22014-UP

1шт.

8

0

SOCKET

SN: 10001-22013

1шт.

9

6150-41-2341

ROLLER

SN: 22014-UP

1шт.

9

6150-41-2340

ROLLER

SN: 10001-22013

1шт.

10

0

PIN

SN: 22014-UP

1шт.

10

0

PIN

SN: 10001-22013

1шт.

11

0

PIN,SPRING

SN: 10001-22013

1шт.

|$27

6150-41-2401

SHAFT ASS'Y

SN: 22014-UP

1шт.

|$28

6150-41-2400

SHAFT ASS'Y

SN: 10001-22013

1шт.

12

0

SHAFT

SN: 22014-UP

1шт.

12

0

SHAFT

SN: 10001-22013

1шт.

13

6150-81-8420

BALL

SN: 10001-UP

1шт.

14

04064-02012

RING,SNAP

SN: 10001-UP

2шт.

15

6150-41-2450

BOLT

SN: 10001-UP

12шт.

16

6150-41-2430

PIN

SN: 10001-UP

12шт.

17

6150-41-3111

ROD,PUSH

SN: 10132-UP

12шт.

17

6150-41-3110

ROD,PUSH

SN: 10001-10131

12шт.

Выбрано товаров: 74