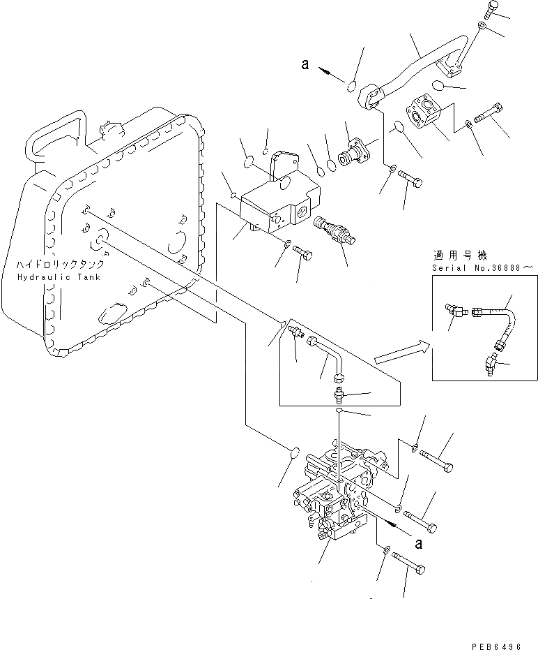
Запчасти Komatsu D85A-21 РАБОЧЕЕ ОБОРУДОВАНИЕ КЛАПАН КРЕПЛЕНИЕ ГИДРАВЛИКА

Схема запчастей Komatsu D85A-21 - РАБОЧЕЕ ОБОРУДОВАНИЕ КЛАПАН КРЕПЛЕНИЕ ГИДРАВЛИКА
1
2
3
4
5
6
6
6
7
8
9
10
11
12
13
13
14
15
16
16
17
17
17
17
18
18
19
20
21
22
23
24
24
25
26
27
27
FIT
1:1
100%

Артикул

Название

Примечание

Количество

G-1

0

VALVE GROUP

SN: 36534-UP

1шт.

|$$2

====================

-1шт.

1

709-62-31103

VALVE ASS'Y

SN: 36534-UP

1шт.

2

07000-13038

O-RING

SN: 36534-UP

1шт.

3

01011-81215

BOLT

SN: 36534-UP

1шт.

4

01011-81235

BOLT

SN: 36534-UP

1шт.

5

01011-81280

BOLT

SN: 36534-UP

1шт.

6

01643-31232

WASHER

SN: 36534-UP

3шт.

|$$9

====================

-1шт.

G-2

0

VALVE GROUP

SN: 36534-UP

1шт.

|$$11

====================

-1шт.

|$12

154-60-71300

RELIEF VALVE ASS'Y

SN: 36534-UP

1шт.

7

154-60-71350

BLOCK

SN: 36534-UP

1шт.

8

07000-13035

O-RING

SN: 36534-UP

1шт.

9

07000-13032

O-RING

SN: 36534-UP

1шт.

10

700-91-11650

FLANGE

SN: 36534-UP

1шт.

11

709-90-51500

VALVE ASS'Y

SN: 36534-UP

1шт.

12

07000-13035

O-RING

SN: 36534-UP

1шт.

13

07000-12011

O-RING

SN: 36534-UP

2шт.

14

01010-81230

BOLT

SN: 36534-UP

3шт.

15

01643-31232

WASHER

SN: 36534-UP

3шт.

|$$22

====================

-1шт.

G-3

0

PIPING GROUP

SN: 36534-UP

1шт.

|$$24

====================

-1шт.

16

20Y-970-1670

HOSE

SN: 36888-UP

1шт.

16

0

TUBE

SN: 36534-36887

1шт.

|$$27

(20Y-970-1670,22X-61-18550(2) )

-1шт.

17

22X-61-18550

ELBOW

SN: 36888-UP

2шт.

17

07230-20210

UNION

SN: 36534-36887

2шт.

18

07002-11423

O-RING

SN: 36534-UP

2шт.

19

154-60-71240

ELBOW

SN: 36534-UP

1шт.

20

07000-13035

O-RING

SN: 36534-UP

1шт.

21

01010-81080

BOLT

SN: 36534-UP

4шт.

22

01643-51032

WASHER

SN: 36534-UP

4шт.

23

154-60-71230

TUBE

SN: 36534-UP

1шт.

24

07000-13035

O-RING

SN: 36534-UP

2шт.

25

07372-21040

BOLT

SN: 36534-UP

4шт.

26

01010-81060

BOLT

SN: 36534-UP

4шт.

27

01643-51032

WASHER

SN: 36534-UP

8шт.

|$$40

====================

-1шт.

Выбрано товаров: 40