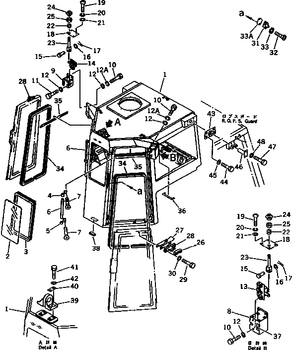
Запчасти Komatsu D85A-21 СТАЛЬНАЯ КАБИНА (КОРПУС И ПЕРЕДН. СТЕКЛО) (/9) (МОРОЗОУСТОЙЧИВ. СПЕЦИФИКАЦИЯ.) КАБИНА ОПЕРАТОРА И СИСТЕМА УПРАВЛЕНИЯ

Схема запчастей Komatsu D85A-21 - СТАЛЬНАЯ КАБИНА (КОРПУС И ПЕРЕДН. СТЕКЛО) (/9) (МОРОЗОУСТОЙЧИВ. СПЕЦИФИКАЦИЯ.) КАБИНА ОПЕРАТОРА И СИСТЕМА УПРАВЛЕНИЯ
FIT
1:1
100%

Артикул

Название

Примечание

Количество

|$1

154-Z11-0032

STEEL CAB ASS'Y

SN: 36534-UP

1шт.

|$$2

THIS ASSEMBLY CONSISTS OF ALL PARTS SHOWN IN FIGS.K0210-01A2 TO K0210-09A2.

-1шт.

1

154-Z11-5782

CAB

SN: 36534-UP

1шт.

2

195-Z11-1211

GLASS

SN: 36534-UP

1шт.

3

195-Z11-1161

STRIP,WEATHER

SN: 36534-UP

1шт.

4

195-Z11-1510

BRACKET

SN: 36534-UP

2шт.

5

195-Z11-1520

BRACKET

SN: 36534-UP

2шт.

6

195-Z11-1530

PIPE

SN: 36534-UP

2шт.

7

01225-30512

SCREW

SN: 36534-UP

16шт.

8

154-Z11-1120

BRACKET,L.H.

SN: 36534-UP

1шт.

9

154-Z11-1130

BRACKET,R.H.

SN: 36534-UP

1шт.

10

01010-81025

BOLT

SN: 36534-UP

8шт.

11

01010-81030

BOLT

SN: 36534-UP

4шт.

12

01643-31032

WASHER

SN: 36534-UP

12шт.

12A

01602-21030

WASHER

SN: 36534-UP

12шт.

13

195-Z11-1430

LOCK,L.H.

SN: 36534-UP

1шт.

14

195-Z11-1440

LOCK,R.H.

SN: 36534-UP

1шт.

15

04205-10825

PIN

SN: 36534-UP

2шт.

16

01641-20812

WASHER

SN: 36534-UP

2шт.

17

04050-12012

PIN

SN: 36534-UP

2шт.

18

195-Z11-1450

PLATE

SN: 36534-UP

2шт.

19

01220-40616

SCREW

SN: 36534-UP

8шт.

20

01602-20619

WASHER,SPRING

SN: 36534-UP

8шт.

21

01643-30623

WASHER

SN: 36534-UP

8шт.

22

08037-01008

GROMMET

SN: 36534-UP

2шт.

23

195-Z11-1460

ROD

SN: 36534-UP

2шт.

24

170-43-17110

BUTTON,THROTTLE

SN: 36534-UP

2шт.

25

01580-30605

NUT

SN: 36534-UP

2шт.

26

154-Z11-1340

RUBBER,L.H.

SN: 36534-UP

1шт.

26

154-Z11-1350

RUBBER,R.H.

SN: 36534-UP

1шт.

27

195-Z11-1480

SHIM, 1.6MM

SN: 36534-UP

4шт.

28

195-Z11-2750

BRACKET,L.H.

SN: 36534-UP

1шт.

28

195-Z11-4860

BRACKET,R.H.

SN: 36534-UP

1шт.

29

01010-81040

BOLT

SN: 36534-UP

4шт.

30

01643-31032

WASHER

SN: 36534-UP

4шт.

31

195-Z11-4530

STOPPER

SN: 36534-UP

2шт.

32

195-Z11-4560

SCREW

SN: 36534-UP

4шт.

33

566-54-13570

WASHER

SN: 36534-UP

4шт.

33A

195-Z11-4570

SHIM, 1.6MM

SN: 36534-UP

8шт.

34

195-Z11-2110

SEAL

SN: 36534-UP

2шт.

35

195-Z11-1870

COVER

SN: 36534-UP

2шт.

36

195-Z11-2710

SEAT

SN: 36534-UP

1шт.

37

09685-00001

PLATE, OPERATING,OPERATING

SN: 36534-UP

2шт.

38

195-Z11-2740

SEAT

SN: 36534-UP

1шт.

G-2

0

TURN OVER GROUP

SN: 36534-UP

1шт.

|$$46

====================

-1шт.

39

154-Z11-1160

BRACKET

SN: 36534-UP

1шт.

40

154-Z11-1170

SPACER

SN: 36534-UP

2шт.

41

01010-81235

BOLT

SN: 36534-UP

4шт.

42

01643-31232

WASHER

SN: 36534-UP

4шт.

43

154-Z11-1150

BRACKET

SN: 36534-UP

2шт.

44

01010-61645

BOLT

SN: 36534-UP

8шт.

45

21T-54-16150

WASHER

SN: 36534-UP

8шт.

46

154-Z11-1140

PIN

SN: 36534-UP

2шт.

47

01016-51260

BOLT

SN: 36534-UP

4шт.

48

01643-31232

WASHER

SN: 36534-UP

4шт.

|$$57

====================

-1шт.

Выбрано товаров: 57