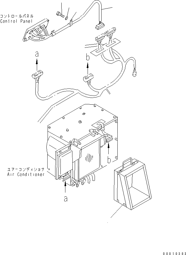
Запчасти Komatsu D85A-21 КОНДИЦ. ВОЗДУХА ВОЗДУХОВОДЫ И КАБЕЛЬ КАБИНА ОПЕРАТОРА И СИСТЕМА УПРАВЛЕНИЯ

Схема запчастей Komatsu D85A-21 - КОНДИЦ. ВОЗДУХА ВОЗДУХОВОДЫ И КАБЕЛЬ КАБИНА ОПЕРАТОРА И СИСТЕМА УПРАВЛЕНИЯ
1
2
3
4
5
FIT
1:1
100%

Артикул

Название

Примечание

Количество

1

154-Z11-5681

DUCT

SN: 36534-37839

1шт.

1

0

DUCT

SN: 36534-37839

1шт.

2

195-Z11-5351

WIRE ASS'Y

SN: 36534-UP

1шт.

3

08036-01814

CLIP

SN: 36534-UP

1шт.

4

01010-81220

BOLT

SN: 36534-UP

1шт.

5

01643-31232

WASHER

SN: 36534-UP

1шт.

Выбрано товаров: 6