Запчасти Komatsu S6D125E-2C-6 ВОДЯНАЯ ПОМПА (TОБОД КОЛЕСАMING СПЕЦ-Я.)(№99-) ДВИГАТЕЛЬ

Схема запчастей Komatsu S6D125E-2C-6 - ВОДЯНАЯ ПОМПА (TОБОД КОЛЕСАMING СПЕЦ-Я.)(№99-) ДВИГАТЕЛЬ
1
2
3
4
5
6
7
8
9
10
11
12
13
14
14
15
16
17
18
19
20
21
1
2
3
4
5
6
7
8
9
10
11
12
13
14
14
15
16
17
18
19
20
21
FIT
1:1
100%

Артикул

Название

Примечание

Количество

|$1

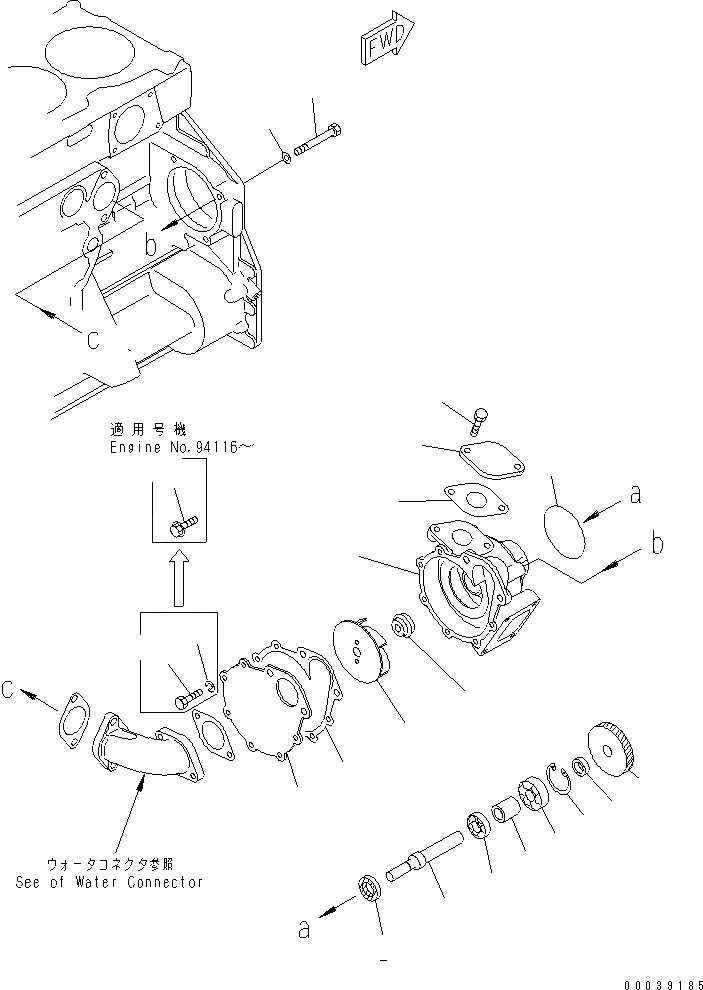
6151-62-1104

WATER PUMP ASS'Y

SN: 97446-UP

1шт.

|$2

0

WATER PUMP ASS'Y

SN: 92930-97445

1шт.

|$3

0

WATER PUMP ASS'Y

SN: (92930-93797)

1шт.

1

0

BODY

SN: 92930-UP

1шт.

2

6150-61-1510

SEAL (K6)

SN: 92930-UP

1шт.

3

06030-06004

BEARING

SN: 92930-UP

1шт.

4

06030-06304

BEARING

SN: 92930-UP

1шт.

5

6150-61-1350

SPACER

SN: 92930-UP

1шт.

6

04065-05220

RING,SNAP

SN: 92930-UP

1шт.

7

6151-61-1360

SPACER

SN: 92930-UP

1шт.

8

6211-61-1533

SEAL, WATER (K6)

SN: 92930-UP

1шт.

8

0

SEAL, WATER (K6)

SN: (92930-97445)

1шт.

8

0

SEAL, WATER (K6)

SN: (92930-93797)

1шт.

9

6151-62-1310

SHAFT

SN: 92930-UP

1шт.

10

6151-61-1210

IMPELLER

SN: 92930-UP

1шт.

11

6150-61-1410

GEAR

SN: 92930-UP

1шт.

12

6151-61-1151

COVER

SN: 92930-UP

1шт.

13

6151-61-1162

GASKET (K6)

SN: 92930-UP

1шт.

14

01435-00816

BOLT

SN: 94116-UP

6шт.

14

01010-80816

BOLT

SN: 92930-94115

6шт.

15

01602-20825

WASHER

SN: 92930-94115

6шт.

16

6151-62-6510

PLATE

SN: 92930-UP

1шт.

17

6150-61-1821

GASKET (K6)

SN: 92930-UP

1шт.

18

01010-81025

BOLT

SN: 92930-UP

2шт.

19

07000-72115

O-RING (K6)

SN: 92930-UP

1шт.

20

01011-81010

BOLT

SN: 92930-UP

3шт.

21

01640-21016

WASHER

SN: 92930-UP

3шт.

|$1

6151-62-1104

WATER PUMP ASS'Y

SN: 97446-UP

1шт.

|$2

0

WATER PUMP ASS'Y

SN: 92930-97445

1шт.

|$3

0

WATER PUMP ASS'Y

SN: (92930-93797)

1шт.

1

0

BODY

SN: 92930-UP

1шт.

2

6150-61-1510

SEAL (K6)

SN: 92930-UP

1шт.

3

06030-06004

BEARING

SN: 92930-UP

1шт.

4

06030-06304

BEARING

SN: 92930-UP

1шт.

5

6150-61-1350

SPACER

SN: 92930-UP

1шт.

6

04065-05220

RING,SNAP

SN: 92930-UP

1шт.

7

6151-61-1360

SPACER

SN: 92930-UP

1шт.

8

6211-61-1533

SEAL, WATER (K6)

SN: 92930-UP

1шт.

8

0

SEAL, WATER (K6)

SN: (92930-97445)

1шт.

8

0

SEAL, WATER (K6)

SN: (92930-93797)

1шт.

9

6151-62-1310

SHAFT

SN: 92930-UP

1шт.

10

6151-61-1210

IMPELLER

SN: 92930-UP

1шт.

11

6150-61-1410

GEAR

SN: 92930-UP

1шт.

12

6151-61-1151

COVER

SN: 92930-UP

1шт.

13

6151-61-1162

GASKET (K6)

SN: 92930-UP

1шт.

14

01435-00816

BOLT

SN: 94116-UP

6шт.

14

01010-80816

BOLT

SN: 92930-94115

6шт.

15

01602-20825

WASHER

SN: 92930-94115

6шт.

16

6151-62-6510

PLATE

SN: 92930-UP

1шт.

17

6150-61-1821

GASKET (K6)

SN: 92930-UP

1шт.

18

01010-81025

BOLT

SN: 92930-UP

2шт.

19

07000-72115

O-RING (K6)

SN: 92930-UP

1шт.

20

01011-81010

BOLT

SN: 92930-UP

3шт.

21

01640-21016

WASHER

SN: 92930-UP

3шт.

Выбрано товаров: 54