Запчасти Komatsu D85A-21A КОНДИЦ. ВОЗДУХА (/)(№-) ЧАСТИ КОРПУСА

Схема запчастей Komatsu D85A-21A - КОНДИЦ. ВОЗДУХА (/)(№-) ЧАСТИ КОРПУСА
FIT
1:1
100%

Артикул

Название

Примечание

Количество

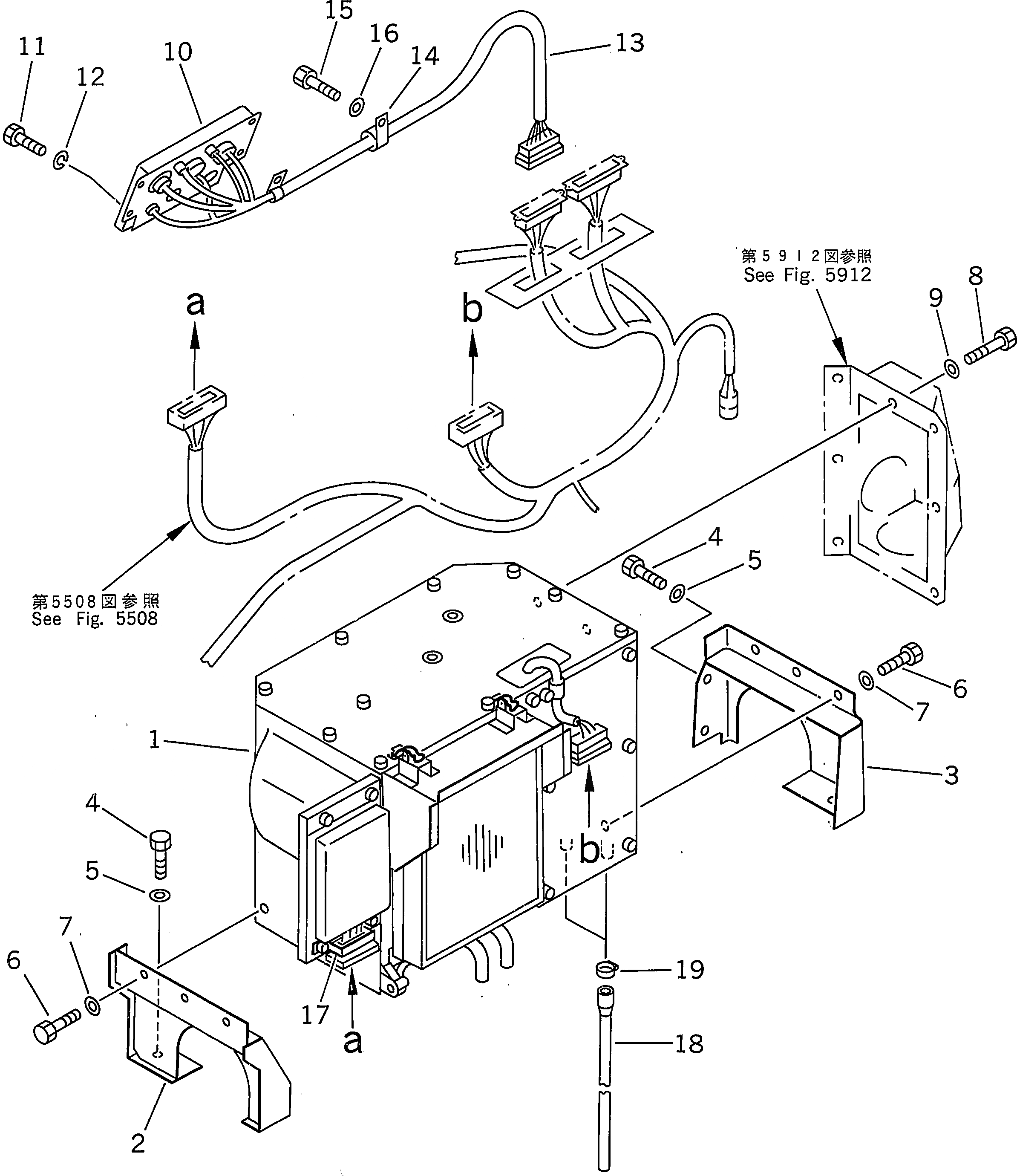
G-1

0

AIR CONDITIONER G.

SN: 35001-UP

1шт.

|$$2

====================

-1шт.

1

195-911-7210

UNIT ASS'Y

SN: 36392-UP

1шт.

|1

195-Z11-5704

UNIT ASS'Y

SN: 35718-36391

1шт.

|1

0

UNIT ASS'Y

SN: 35623-53717

1шт.

|1

195-Z11-5702

UNIT ASS'Y

SN: 35001-35622

1шт.

2

154-Z11-5250

BRACKET

SN: 35001-UP

1шт.

3

154-Z11-5260

BRACKET

SN: 35001-UP

1шт.

4

01010-51225

BOLT

SN: 35001-UP

5шт.

5

01643-31232

WASHER

SN: 35001-UP

5шт.

6

01010-51225

BOLT

SN: 35001-UP

6шт.

7

01643-31232

WASHER

SN: 35001-UP

6шт.

8

01010-50816

BOLT

SN: 35001-UP

7шт.

9

01643-30823

WASHER

SN: 35001-UP

7шт.

10

195-Z11-5600

PANEL ASS'Y

SN: 35001-UP

1шт.

11

01370-00616

SCREW

SN: 35001-UP

4шт.

12

01642-20608

WASHER

SN: 35001-UP

4шт.

13

195-Z11-5351

WIRE ASS'Y

SN: 36492-UP

1шт.

|13

195-Z11-5350

WIRE ASS'Y

SN: 35001-36491

1шт.

14

08036-01814

CLIP

SN: 36492-UP

1шт.

|14

08035-02508

CLIP

SN: 35001-36491

1шт.

15

01010-51220

BOLT

SN: 35001-UP

1шт.

16

01643-31232

WASHER

SN: 35001-UP

1шт.

17

195-Z11-5360

CLIP

SN: 35001-UP

1шт.

18

425-963-1190

HOSE

SN: 35001-UP

2шт.

19

195-Z11-7270

CLAMP

SN: 35001-UP

2шт.

|$$27

====================

-1шт.

Выбрано товаров: 27