Запчасти Komatsu D85A-21A МАРКИРОВКА(№9-) МАРКИРОВКА¤ ИНСТРУМЕНТ И РЕМКОМПЛЕКТЫ

Схема запчастей Komatsu D85A-21A - МАРКИРОВКА(№9-) МАРКИРОВКА¤ ИНСТРУМЕНТ И РЕМКОМПЛЕКТЫ
FIT
1:1
100%

Артикул

Название

Примечание

Количество

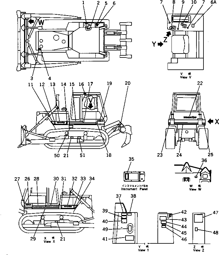
1

09655-01120

PLATE¤ INSTRUCTION,OIL FILTER

SN: 35001-UP

1шт.

2

09653-00100

PLATE¤ SAFETY,HYDRAULIC OIL TANK

SN: 35001-UP

1шт.

3

09650-01101

PLATE¤ INSTRUCTION,RADIATOR WATER LEVEL

SN: 35001-UP

1шт.

4

09668-00100

PLATE¤ SAFETY,RADIATOR CAP

SN: 35001-UP

1шт.

5

09652-01101

PLATE¤ CAUTION,FUEL TANK

SN: 35001-UP

1шт.

6

09656-01080

PLATE¤ INSTRUCTION,FUEL TANK STRAINER

SN: 35001-UP

1шт.

6A

154-98-35450

PLATE

SN: 35001-UP

1шт.

7

195-98-21210

PLATE¤ OPERATING,BLADE LOCK LEVER

SN: 35001-UP

2шт.

8

195-98-21140

PLATE¤ OPERATING,BLADE CONTROL LEVER

SN: 35001-UP

1шт.

9

195-98-21190

PLATE¤ OPERATING,HORN SWITCH

SN: 35001-UP

1шт.

10

154-98-35560

PLATE¤ OPERATING,LOCK LEVER

SN: 35001-UP

1шт.

11

154-98-35292

STRIPE,L.H.

SN: 35483-UP

1шт.

12

154-98-35282

STRIPE,L.H.

SN: 35483-UP

1шт.

13

154-98-35323

STRIPE,L.H.

SN: 36192-UP

1шт.

14

154-98-35262

STRIPE,L.H.

SN: 35483-UP

1шт.

15

154-98-35252

STRIPE,L.H.

SN: 35483-UP

1шт.

16

09620-00200

PLATE¤ NAME,ROPS (LIMITED SUPPLY)

SN: 35001-UP

1шт.

16

04418-13060

SCREW

SN: 35001-UP

4шт.

17

154-98-35153

STRIPE

SN: 35707-UP

1шт.

18

154-98-35141

STRIPE,(WITH R.O.P.S.)

SN: 35001-UP

1шт.

|18

154-98-35481

STRIPE,(WITHOUT R.O.P.S.)

SN: 35001-UP

1шт.

19

154-98-35870

PLATE¤ MARK (D85A)

SN: 36192-UP

1шт.

20

09601-00835

PLATE¤ NAME,RIPPER

SN: 35001-UP

1шт.

|20

04418-13060

SCREW

SN: 35001-UP

4шт.

21

09657-00100

PLATE¤ SAFETY,TRACK ADJUSTING

SN: 35001-UP

2шт.

22

09690-C0500

PLATE¤ MARK

SN: 36192-UP

1шт.

23

154-98-35331

STRIPE,L.H.

SN: 35001-UP

1шт.

24

154-98-35371

STRIPE

SN: 35001-UP

1шт.

25

154-98-35410

STRIPE,R.H.

SN: 35001-UP

1шт.

26

154-98-35870

PLATE¤ MARK (D85A)

SN: 36192-UP

1шт.

27

154-98-35141

STRIPE,(WITH R.O.P.S.)

SN: 35001-UP

1шт.

|27

154-98-35481

STRIPE,(WITHOUT R.O.P.S.)

SN: 35483-UP

1шт.

28

154-98-35193

STRIPE,R.H.

SN: 36192-UP

1шт.

29

154-98-35153

STRIPE

SN: 35707-UP

1шт.

30

154-98-35252

STRIPE,R.H.

SN: 35873-UP

1шт.

31

154-98-35262

STRIPE,R.H.

SN: 35483-UP

1шт.

32

154-98-35323

STRIPE,R.H.

SN: 36192-UP

1шт.

33

154-98-35282

STRIPE,R.H.

SN: 35483-UP

1шт.

34

154-98-35312

STRIPE,R.H.

SN: 35483-UP

1шт.

35

154-98-35111

PLATE

SN: 35001-UP

1шт.

36

09601-00835

PLATE¤ NAME,BLADE

SN: 35001-UP

1шт.

|36

04418-13060

SCREW

SN: 35001-UP

4шт.

37

09666-00100

PLATE¤ SAFETY,FIRE PREVENTION

SN: 35001-UP

1шт.

38

09173-00100

PLATE¤ SAFETY

SN: 35001-UP

1шт.

39

09649-00101

PLATE¤ INSTRUCTION,ENGINE STOP

SN: 35001-UP

1шт.

40

195-98-12990

PLATE¤ CAUTION,SEAT BELT

SN: 35001-UP

1шт.

41

09602-01643

PLATE¤ NAME,MACHINE

SN: 35001-UP

1шт.

|41

01220-60408

SCREW

SN: 35001-UP

4шт.

42

09685-00002

PLATE¤ OPERATING,LOCK LEVER

SN: 35001-UP

1шт.

43

175-900-2241

PLATE¤ CAUTION,TRAVELING ON SLOPE

SN: 35001-UP

1шт.

44

09654-00100

PLATE¤ SAFETY

SN: 35001-UP

1шт.

45

09667-00100

PLATE¤ SAFETY,ENGINE SIDE COVER

SN: 35001-UP

1шт.

46

09651-00100

PLATE¤ SAFETY,BEFORE OPERATING

SN: 35001-UP

1шт.

47

154-98-35360

CHART,LUBRICATION

SN: 35001-UP

1шт.

48

09685-00001

PLATE¤ OPERATING,RIPPER LOCK LEVER

SN: 35001-UP

1шт.

49

154-98-35570

PLATE

SN: 35001-UP

1шт.

50

195-98-23370

PLATE¤ OPERATING

SN: 35001-UP

1шт.

51

09960-61012

PLATE¤ MARK

SN: 35001-UP

2шт.

Выбрано товаров: 58