Запчасти Komatsu 6D140-1A ПЕРЕДН. КРЫШКАAND ПЕРЕДН. СУППОРТ(№8-) БЛОК ЦИЛИНДРОВ

Схема запчастей Komatsu 6D140-1A - ПЕРЕДН. КРЫШКАAND ПЕРЕДН. СУППОРТ(№8-) БЛОК ЦИЛИНДРОВ
FIT
1:1
100%

Артикул

Название

Примечание

Количество

|1

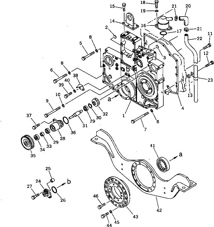
6210-21-3030

FRONT COVER ASS'Y

SN: 11200-UP

1шт.

1

0

COVER,FRONT

SN: 11200-UP

1шт.

2

07046-11816

PLUG

SN: 11200-UP

3шт.

3

07046-11516

PLUG

SN: 11200-UP

2шт.

4

6210-21-3250

GASKET (K2)

SN: 12804-UP

1шт.

5

01010-51290

BOLT

SN: 11200-UP

8шт.

6

01011-51200

BOLT

SN: 11200-UP

2шт.

7

6210-21-3190

BOLT

SN: 11200-UP

3шт.

8

01640-21223

WASHER

SN: 11200-UP

13шт.

9

01011-51015

BOLT

SN: 11200-UP

3шт.

10

01640-21016

WASHER

SN: 11200-UP

3шт.

11

01010-51045

BOLT

SN: 11200-UP

1шт.

12

01010-51055

BOLT

SN: 11200-UP

1шт.

13

6127-11-5180

SPACER

SN: 11200-UP

1шт.

14

6210-21-3750

HANGER

SN: 11200-UP

1шт.

15

01010-31030

BOLT

SN: 11200-UP

4шт.

16

6210-21-8751

BREATHER

SN: 14374-UP

1шт.

|16

0

BREATHER

SN: 11200-14373

1шт.

|$$19

(6210-21-8751{07000-62060)}

-1шт.

17

07000-62060

O-RING (K2)

SN: 14374-UP

1шт.

18

01010-51020

BOLT

SN: 11200-UP

2шт.

19

01640-21016

WASHER

SN: 11200-UP

2шт.

20

6130-61-6611

HOSE

SN: 11200-UP

1шт.

21

07281-00359

CLAMP

SN: 11200-UP

2шт.

22

6210-21-8740

TUBE

SN: 11200-UP

1шт.

23

112-94-64170

CLIP

SN: 11200-UP

1шт.

24

6210-81-4111

BOX ASS'Y,GEAR

SN: 13071-UP

1шт.

|24

0

BOX ASS'Y,GEAR

SN: 11200-13070

1шт.

25

6136-81-5291

CAP

SN: 11200-UP

1шт.

26

07000-03050

O-RING (K2)

SN: 11200-UP

1шт.

27

01010-50616

BOLT

SN: 11200-UP

2шт.

|28

6210-21-3403

POWER TAKE OFF ASS'Y

SN: 12395-UP

1шт.

28

6210-21-3413

HOUSING

SN: 12395-UP

1шт.

29

06030-06204

BEARING,BALL

SN: 12395-UP

2шт.

30

04065-04718

RING,SNAP

SN: 12395-UP

1шт.

31

6210-21-3421

SHAFT

SN: 12395-UP

1шт.

32

6210-21-3440

GEAR

SN: 11200-UP

1шт.

33

6210-21-3451

SLEEVE

SN: 12395-UP

1шт.

34

07012-00028

SEAL,OIL (K2)

SN: 12395-UP

1шт.

35

6210-21-3460

PULLEY

SN: 11200-UP

1шт.

36

07000-02060

O-RING (K2)

SN: 11200-UP

1шт.

37

01010-51030

BOLT

SN: 11200-UP

3шт.

38

6210-21-3350

POINTER

SN: 11200-UP

1шт.

39

01010-50610

BOLT

SN: 11200-UP

2шт.

40

01640-20610

WASHER

SN: 11200-UP

2шт.

41

6150-21-3230

SEAL¤ FRONT (K2)

SN: 11200-UP

1шт.

|42

154-01-31020

SUPPORT ASS'Y

SN: 11200-UP

1шт.

42

154-01-21230

SUPPORT,FRONT

SN: 11200-UP

1шт.

43

154-01-31200

BUSHING ASS'Y

SN: 11200-UP

1шт.

44

01010-51230

BOLT

SN: 11200-UP

14шт.

45

01643-31232

WASHER

SN: 11200-UP

14шт.

46

01010-51030

BOLT

SN: 11200-UP

8шт.

|1

6210-21-3030

FRONT COVER ASS'Y

SN: 11200-UP

1шт.

1

0

COVER,FRONT

SN: 11200-UP

1шт.

2

07046-11816

PLUG

SN: 11200-UP

3шт.

3

07046-11516

PLUG

SN: 11200-UP

2шт.

4

6210-21-3250

GASKET (K2)

SN: 12804-UP

1шт.

5

01010-51290

BOLT

SN: 11200-UP

8шт.

6

01011-51200

BOLT

SN: 11200-UP

2шт.

7

6210-21-3190

BOLT

SN: 11200-UP

3шт.

8

01640-21223

WASHER

SN: 11200-UP

13шт.

9

01011-51015

BOLT

SN: 11200-UP

3шт.

10

01640-21016

WASHER

SN: 11200-UP

3шт.

11

01010-51045

BOLT

SN: 11200-UP

1шт.

12

01010-51055

BOLT

SN: 11200-UP

1шт.

13

6127-11-5180

SPACER

SN: 11200-UP

1шт.

14

6210-21-3750

HANGER

SN: 11200-UP

1шт.

15

01010-31030

BOLT

SN: 11200-UP

4шт.

16

6210-21-8751

BREATHER

SN: 14374-UP

1шт.

|16

0

BREATHER

SN: 11200-14373

1шт.

|$$19

(6210-21-8751{07000-62060)}

-1шт.

17

07000-62060

O-RING (K2)

SN: 14374-UP

1шт.

18

01010-51020

BOLT

SN: 11200-UP

2шт.

19

01640-21016

WASHER

SN: 11200-UP

2шт.

20

6130-61-6611

HOSE

SN: 11200-UP

1шт.

21

07281-00359

CLAMP

SN: 11200-UP

2шт.

22

6210-21-8740

TUBE

SN: 11200-UP

1шт.

23

112-94-64170

CLIP

SN: 11200-UP

1шт.

24

6210-81-4111

BOX ASS'Y,GEAR

SN: 13071-UP

1шт.

|24

0

BOX ASS'Y,GEAR

SN: 11200-13070

1шт.

25

6136-81-5291

CAP

SN: 11200-UP

1шт.

26

07000-03050

O-RING (K2)

SN: 11200-UP

1шт.

27

01010-50616

BOLT

SN: 11200-UP

2шт.

|28

6210-21-3403

POWER TAKE OFF ASS'Y

SN: 12395-UP

1шт.

28

6210-21-3413

HOUSING

SN: 12395-UP

1шт.

29

06030-06204

BEARING,BALL

SN: 12395-UP

2шт.

30

04065-04718

RING,SNAP

SN: 12395-UP

1шт.

31

6210-21-3421

SHAFT

SN: 12395-UP

1шт.

32

6210-21-3440

GEAR

SN: 11200-UP

1шт.

33

6210-21-3451

SLEEVE

SN: 12395-UP

1шт.

34

07012-00028

SEAL,OIL (K2)

SN: 12395-UP

1шт.

35

6210-21-3460

PULLEY

SN: 11200-UP

1шт.

36

07000-02060

O-RING (K2)

SN: 11200-UP

1шт.

37

01010-51030

BOLT

SN: 11200-UP

3шт.

38

6210-21-3350

POINTER

SN: 11200-UP

1шт.

39

01010-50610

BOLT

SN: 11200-UP

2шт.

40

01640-20610

WASHER

SN: 11200-UP

2шт.

41

6150-21-3230

SEAL¤ FRONT (K2)

SN: 11200-UP

1шт.

|42

154-01-31020

SUPPORT ASS'Y

SN: 11200-UP

1шт.

42

154-01-21230

SUPPORT,FRONT

SN: 11200-UP

1шт.

43

154-01-31200

BUSHING ASS'Y

SN: 11200-UP

1шт.

44

01010-51230

BOLT

SN: 11200-UP

14шт.

45

01643-31232

WASHER

SN: 11200-UP

14шт.

46

01010-51030

BOLT

SN: 11200-UP

8шт.

Выбрано товаров: 104