Запчасти Komatsu 6D140-1A СИСТЕМА СМАЗКИ МАСЛООХЛАДИТЕЛЬ СИСТЕМА СМАЗКИ МАСЛ. СИСТЕМА

Схема запчастей Komatsu 6D140-1A - СИСТЕМА СМАЗКИ МАСЛООХЛАДИТЕЛЬ СИСТЕМА СМАЗКИ МАСЛ. СИСТЕМА
FIT
1:1
100%

Артикул

Название

Примечание

Количество

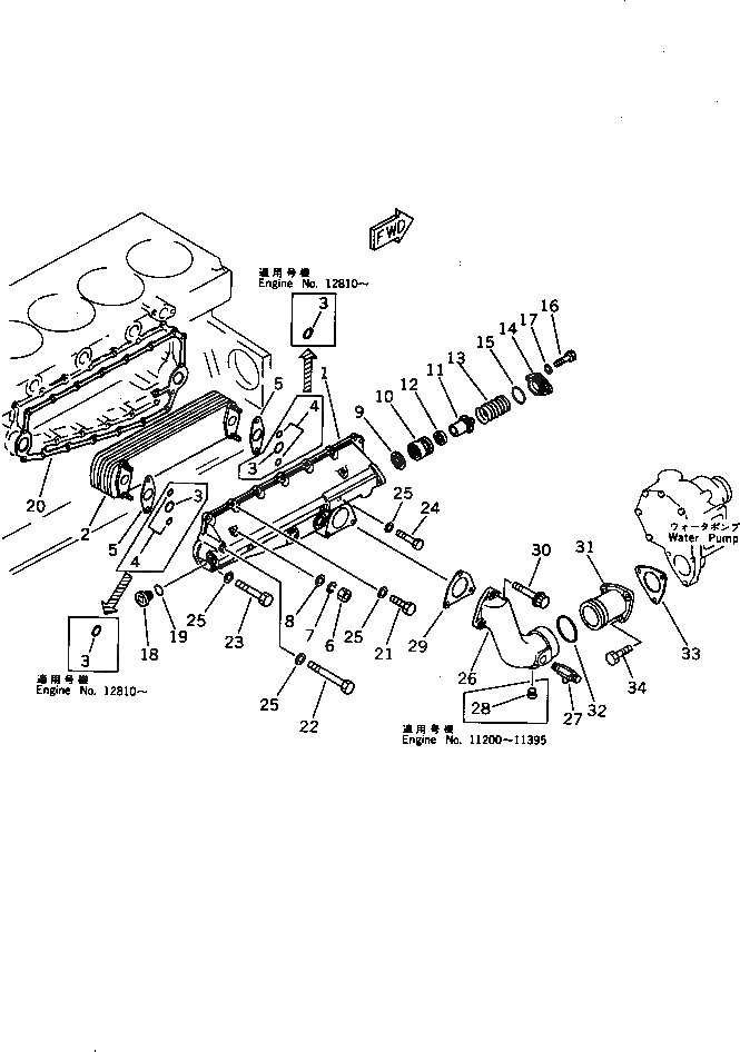
|1

6211-61-2101

OIL COOLER ASS'Y

SN: 14255-UP

1шт.

|1

0

OIL COOLER ASS'Y

SN: 11200-14254

1шт.

1

6211-61-2122

COVER

SN: 12810-UP

1шт.

|1

0

COVER

SN: 11200-12809

1шт.

2

6211-61-2111

ELEMENT

SN: 14255-UP

1шт.

|2

0

ELEMENT

SN: 11200-14254

1шт.

3

6210-61-2520

O-RING (K2)

SN: 11200-UP

2шт.

4

6150-61-2520

O-RING (K2)

SN: 11200-12809

4шт.

5

6210-61-2170

GASKET (K2)

SN: 11200-UP

2шт.

6

01582-11008

NUT

SN: 11200-UP

4шт.

7

01602-21030

WASHER,SPRING

SN: 11200-UP

4шт.

8

01640-21016

WASHER

SN: 11200-UP

4шт.

9

6150-61-2151

PLATE

SN: 11200-UP

1шт.

10

6150-61-2141

CASE

SN: 11200-UP

1шт.

11

6212-65-2610

THERMOSTAT

SN: 15937-UP

1шт.

|11

0

THERMOSTAT

SN: 11200-15936

1шт.

12

6150-61-2540

SEAL (K2)

SN: 11200-UP

1шт.

13

6210-61-2160

SPRING

SN: 11200-UP

1шт.

14

6210-61-2130

COVER

SN: 11200-UP

1шт.

15

07000-63042

O-RING (K2)

SN: 11200-UP

1шт.

16

01010-50825

BOLT

SN: 11200-UP

2шт.

17

01640-20816

WASHER

SN: 11200-UP

2шт.

18

07040-13016

PLUG

SN: 11200-UP

1шт.

19

6210-61-2550

O-RING (K2)

SN: 11200-UP

1шт.

20

6210-61-2810

GASKET (K2)

SN: 11200-UP

1шт.

21

01010-51030

BOLT

SN: 11200-UP

13шт.

22

01010-51090

BOLT

SN: 11200-UP

1шт.

23

01010-51060

BOLT

SN: 11200-UP

1шт.

24

01010-51060

BOLT

SN: 11200-UP

1шт.

25

01640-21016

WASHER

SN: 11200-UP

16шт.

26

6210-61-6620

ELBOW

SN: 11396-UP

1шт.

|26

0

ELBOW

SN: 11200-11395

1шт.

27

07730-50004

VALVE

SN: 11200-UP

1шт.

28

07043-00415

PLUG

SN: 11200-11395

1шт.

29

6210-61-6340

GASKET (K6)

SN: 12395-UP

1шт.

|29

6210-61-6340

GASKET (K2¤K6)

SN: 11200-12394

1шт.

30

6210-81-8120

BOLT

SN: 11396-UP

3шт.

|30

0

BOLT

SN: 11200-11395

3шт.

31

6210-61-6310

TUBE

SN: 11200-UP

1шт.

32

6166-11-6290

O-RING (K6)

SN: 17684-UP

1шт.

|32

0

O-RING (K6)

SN: 11200-17683

1шт.

33

6210-61-6330

GASKET (K6)

SN: 11200-UP

1шт.

34

01010-51035

BOLT

SN: 11200-UP

3шт.

|1

6211-61-2101

OIL COOLER ASS'Y

SN: 14255-UP

1шт.

|1

0

OIL COOLER ASS'Y

SN: 11200-14254

1шт.

1

6211-61-2122

COVER

SN: 12810-UP

1шт.

|1

0

COVER

SN: 11200-12809

1шт.

2

6211-61-2111

ELEMENT

SN: 14255-UP

1шт.

|2

0

ELEMENT

SN: 11200-14254

1шт.

3

6210-61-2520

O-RING (K2)

SN: 11200-UP

2шт.

4

6150-61-2520

O-RING (K2)

SN: 11200-12809

4шт.

5

6210-61-2170

GASKET (K2)

SN: 11200-UP

2шт.

6

01582-11008

NUT

SN: 11200-UP

4шт.

7

01602-21030

WASHER,SPRING

SN: 11200-UP

4шт.

8

01640-21016

WASHER

SN: 11200-UP

4шт.

9

6150-61-2151

PLATE

SN: 11200-UP

1шт.

10

6150-61-2141

CASE

SN: 11200-UP

1шт.

11

6212-65-2610

THERMOSTAT

SN: 15937-UP

1шт.

|11

0

THERMOSTAT

SN: 11200-15936

1шт.

12

6150-61-2540

SEAL (K2)

SN: 11200-UP

1шт.

13

6210-61-2160

SPRING

SN: 11200-UP

1шт.

14

6210-61-2130

COVER

SN: 11200-UP

1шт.

15

07000-63042

O-RING (K2)

SN: 11200-UP

1шт.

16

01010-50825

BOLT

SN: 11200-UP

2шт.

17

01640-20816

WASHER

SN: 11200-UP

2шт.

18

07040-13016

PLUG

SN: 11200-UP

1шт.

19

6210-61-2550

O-RING (K2)

SN: 11200-UP

1шт.

20

6210-61-2810

GASKET (K2)

SN: 11200-UP

1шт.

21

01010-51030

BOLT

SN: 11200-UP

13шт.

22

01010-51090

BOLT

SN: 11200-UP

1шт.

23

01010-51060

BOLT

SN: 11200-UP

1шт.

24

01010-51060

BOLT

SN: 11200-UP

1шт.

25

01640-21016

WASHER

SN: 11200-UP

16шт.

26

6210-61-6620

ELBOW

SN: 11396-UP

1шт.

|26

0

ELBOW

SN: 11200-11395

1шт.

27

07730-50004

VALVE

SN: 11200-UP

1шт.

28

07043-00415

PLUG

SN: 11200-11395

1шт.

29

6210-61-6340

GASKET (K6)

SN: 12395-UP

1шт.

|29

6210-61-6340

GASKET (K2¤K6)

SN: 11200-12394

1шт.

30

6210-81-8120

BOLT

SN: 11396-UP

3шт.

|30

0

BOLT

SN: 11200-11395

3шт.

31

6210-61-6310

TUBE

SN: 11200-UP

1шт.

32

6166-11-6290

O-RING (K6)

SN: 17684-UP

1шт.

|32

0

O-RING (K6)

SN: 11200-17683

1шт.

33

6210-61-6330

GASKET (K6)

SN: 11200-UP

1шт.

34

01010-51035

BOLT

SN: 11200-UP

3шт.

Выбрано товаров: 86