Запчасти Komatsu D85A-21B КОМПОНЕНТЫ КОМПРЕССОРА(№-) ЧАСТИ КОРПУСА

Схема запчастей Komatsu D85A-21B - КОМПОНЕНТЫ КОМПРЕССОРА(№-) ЧАСТИ КОРПУСА
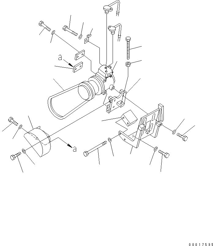
1
2
3
4
5
6
7
8
9
9
10
11
12
13
14
15
16
17
18
19
19
20
20
21
FIT
1:1
100%

Артикул

Название

Примечание

Количество

1

154-Z11-5292

BRACKET

SN: 36441-UP

1шт.

2

01010-51030

BOLT

SN: 36441-UP

2шт.

3

01010-51030

BOLT

SN: 36441-UP

4шт.

4

01643-31032

WASHER

SN: 36441-UP

2шт.

5

203-54-56970

WASHER

SN: 36441-UP

4шт.

6

154-911-1170

BRACKET

SN: 36441-UP

1шт.

7

01010-50885

BOLT,SPRING

SN: 36441-UP

2шт.

8

10E-60-25120

BOLT

SN: 36441-UP

2шт.

9

01643-30823

WASHER

SN: 36441-UP

4шт.

10

130-Z79-1740

BOLT

SN: 36441-UP

1шт.

11

01580-11008

NUT

SN: 36441-UP

1шт.

12

20Y-979-3111

AIR COMPRESSOR A.

SN: 36441-UP

1шт.

13

04120-21756

V-BELT

SN: 36441-UP

1шт.

14

154-Z11-5330

SPACER

SN: 36441-UP

1шт.

15

154-911-1190

PLATE

SN: 36441-UP

2шт.

16

01011-51070

BOLT

SN: 36441-UP

2шт.

17

01643-31032

WASHER

SN: 36441-UP

2шт.

18

154-911-1180

COVER

SN: 36441-UP

1шт.

19

01010-51020

BOLT

SN: 36441-UP

3шт.

20

01643-31032

WASHER

SN: 36441-UP

3шт.

21

08053-01510

CLIP

SN: 36441-UP

1шт.

Выбрано товаров: 0